Digitalisierung des Telefons:
Erste Schaltkreise aus Ost-Berlin
(Hauptstadt der DDR)
Fünf Jahre, bevor in Westberlin (BRD) der erste, integrierte Schaltkreis (IC) entworfen wurde, begann man im Institut für Nachrichtentechnik in Ostberlin (damals Hauptstadt der DDR) mit ersten Schaltkreisentwürfen. Das Zeitalter der Mikroelektronik hatte begonnen und veränderte die Fundamente der Welt. Industrieautomation einer neuen Qualität schuf enormen Wohlstand. Die US-amerikanische Weltspitze indes war längst enteilt.
Heute geht nichts mehr ohne Transistoren. Kaum ein Gerät kommt ohne Hunderte, Tausende oder Millionen und Milliarden von Transistoren aus. In jedem Haushalt werkeln unbemerkt hunderte Schaltkreise und Microcontroller mit hunderttausenden Transistoren für uns. In jedem USB-Stick, PC oder Smartphone stecken inzwischen Milliarden Transistoren. Allein eine Belichtungsmaschine für die Photolithographie kostet inzwischen eine halbe Milliarde Euro [173], [174].
Egal ob Netzteil, Fernbedienung, Uhr, Telefon, Schlagbohrmaschine, Radio, Fernseher oder Waschmaschine - nichts geht mehr ohne Mikroelektronik, ohne Transistoren, Mikrocontroller, Speicher oder kundenspezifische Schaltkreise. Für die Pioniere war es ein steiniger Weg voller Mühsal und Entbehrungen. Als Spinner belächelt, hatte man den eigenen Weg zu finden. Und man brauchte Mitstreiter.
Mit TTL-Schaltkreisen und ersten Ein-Chip
Operationsverstärkern begann Ende der 1960er Jahre die Mikroelektronik- Revolution. Spätestens mit dem erstem frei auf dem Markt verfügbaren Mikroprozessor, dem
Intel 4004, war ab 1971 die Tragweite dieser Entwicklung international nicht mehr zu übersehen.
_______
Die Vorgeschichte der Mikroelektronik ist lang. Der Däne Jakob Berzelius entdeckte 1824 den Halbleiter, der heute den Massenmarkt der Mikroelektronik dominiert, er nannte ihn Silizium.
Als Ferdinand Braun (bekannt geworden 1897 durch die Braunsche Oszillografen-Röhre) 1874 an der Uni Würzburg die Gleichrichtung (Diodeneffekt) entdeckte [131], war nicht abzusehen, welche Rolle Halbleiter in Zukunft spielen würden.
1885 entdeckte Clemens Alexander Winkler den Halbleiter, der die Massenproduktion erster, diskreter Transitoren und Dioden ermöglichte. Zu Ehren seines Heimatlandes nannte er ihn Germanium.
Julius Edgar Lilienfeld aus Lemberg (damals Österreich-Ungarn, heute Lwiw, Ukraine) ließ 1926 von Leipzig aus einen Feldeffekt-Transistor
(FET) patentieren "Methode und Apparat für die Steuerung elektrischer Ströme"
[126] mit Priorität in Canada Oct.22, 1925.
Siehe das Bild seines röhrenlosen Radioempfängers mit vier JFET-Transistoren, wie wir sie heute nennen würden. Er soll diesen Radioapparat über ein Jahr lang auf Ausstellungen vorgeführt haben. Sehr wahrscheinlich waren die Parameter der Transistoren noch nicht reproduzierbar, dh. Transistoren und Radio waren noch nicht serienreif.
Er verglich die Eigenschaften seines Transistors mit denen von Röhren-Trioden. Wenn das Patent, wie in der anglo-amerikanischen Literatur behauptet, nur theoretischer Natur war, wie soll er dann die Kennlinien seiner Transistoren gekannt haben ("vergleichbar einer Röhren-Triode")? Und wie soll er seinen Radioempfänger zur Funktion gebracht haben? Undenkbar!
Ein Blick auf sein US-Patent 1745175 zeigt dem Elektroniker, daß diese Konstruktion durchdacht war und bis auf eine fehlende Diode, die aber auch über nichtlineare Kennlinien der Transistoren gebildet werden kann, funktioniert haben kann.
Es ist an der Zeit, einen fundamentalen, geschichtlichen Irrtum zu korrigieren. Lilienfeld war der Erfinder des Transistors. Und zwar bereits 1925, dreiundzwanzig Jahre vor den Nobelpreisträgern John Bardeen und Walter Brattain. Auch diese hatten 1948 noch lange keinen serienreifen Transistor anzubieten. Erste serienreife "Transistrons" kamen von Herbert Mataré. Bis 1954 waren seine Firmen die einzigen, die Transistoren produzieren konnten.
Zu Lilienfelds Zeiten waren noch keine Verfahren zur Einkristallzüchtung von Halbleitern verfügbar. Erst gegen 1960 wurde es möglich, Transistoren auf Einkristallen herzustellen. Das Problem sind vom Gitterwinkel abhängige, unterschiedliche Eindringgeschwindigkeiten und -tiefen von Dotierungssubstanzen, siehe Gitterführungseffekt, sowie Grenzflächenladungen zwischen Polykristallen. Deshalb experimentierte Lilienfeld mit dünnen Schichten amorpher Halbleiter, er nennt "copper sulfide" und "PbO" (Bleioxid). Heute werden Transistoren auf solchen Materialien realisiert, siehe z.B. organische Transistoren. In jedem Display eines Flachbildfernsehers oder eines Smartphons sind sie millionenfach verbaut.
An der Uni Leipzig verfügte Lilienfeld über ein eigenes Labor. Er hatte einen enormen praktischen Wissensschatz im Bereich von Physik und Chemie. Insbesondere kannte er sich mit Ladungsträgern und Feldeffekten aus. So erfand Lilienfeld den noch heute gebräuchlichen Elektrolyt-Kondensator, ein Bauteil, das 1998 einen weltweiten Umsatz von 6 Milliarden Dollar hatte.
Seine detaillierten Angaben zu Schaltungsdetails im Patent von 1926 sind zu präzise, um der Phantasie entstammen zu können. Die Quelle [137] zeigt, das es Messungen an funktionierenden Nachbauten gab, auch in den Bell-Labs.
Dennoch verschwanden die Lilienfeld-Patente aus dem kollektiven Gedächtnis. In der Wikipedia-Diskussionsseite zu Lilienfeld findet sich der Satz:
Der Halbleiterphysiker H. E. Stockman sagt "Lilienfeld hat seinen bemerkenswerten, röhrenlosen Radioempfänger bei vielen Gelegenheiten vorgeführt, aber Gott helfe einem Kerl, der damals die Herrschaft der Röhre bedrohte." Siehe dazu Bell Labs Memorial: "Wer hat den Transistor wirklich erfunden?", beginnend mit "Oscillating Crystals". (Quelle wurde offenbar gelöscht, 9/2023).
In der Biografie Lilienfelds heißt es:
"Als Brattain, Bardeen und ihr Chemikerkollege Robert Gibney versuchten, Patente auf ihre ersten Geräte zu erhalten, wurden die meisten ihrer Ansprüche aufgrund der Lilienfeld-Patente zurückgewiesen." [133]
Leider ist bislang wenig über Lilienfeld bekannt, die umfangreichste Recherche stammt von Prof. Dr. Christian Kleint von der Uni Leipzig [138].
Lilienfeld promovierte 1905 an der Friedrich-Wilhelm-Universität zu Berlin (heute Humboldt-Universität). Danach ging er an die Universität Leipzig zum Institut für Physik und habilitierte sich dort 1910. Bis 1925 arbeitete er dort auch an seinem Sperrschicht-Feldeffekt-Transistor (Junction-FET, JFET) (JFET), leider hatte er noch keinen Namen dafür, im Patent [126] spricht er von "relay or amplifier" und von "the invention". 1925 patentierte er diesen Transistor samt Radioempfänger (Priorität in Canada Oct.22, 1925). 1927 wanderte er in die USA aus.
Während sein erstes Patent [126] noch Schwachstellen zeigt und an Bastelei erinnert, gibt er im Patent [127] von 1928 dann eine praktikable Bauanleitung an, die für Mikroelektroniker nachvollziehbar ist. Aufgrund der Fülle beschriebener Details bestehen für den Autor nicht die geringsten Zweifel, daß Lilienfeld diese Transistoren prototypisch realisieren konnte, um eine so detaillierte Beschreibung liefern zu können.
Zu erwähnen sind zum Transistor weitere, deutsche Vorarbeiten und Patente von Oskar Heil 1934, [128], Walter Schottky 1938, [134], Rudolf Hilsch und Robert Wichard Pohl 1938, [129] und nicht zuletzt von Herbert Mataré und Heinrich Welker, die durch Kriegswirren behindert oder vernichtet wurden.
Oskar Heil entwickelte Lilienfelds Transistor weiter. Er stellt im Patent [128] das Prinzip heutiger, unipolarer MOSFET- Transistoren vor. Er führt den neuen Begriff "Semiconductor" (dt: Halbleiter) ein und definiert deren Eigenschaften. Heil studierte und promovierte 1933 an der Georg-August-Uni in Göttingen über Molekülspektroskopie. Nach Aufenthalten in England, in der Sowjetunion und wieder in England kam er am 2.9.1939 (einen Tag vor der britischen Kriegserklärung an Deutschland) nach Berlin zurück, um in der Lorenz-AG leistungsfähige Mikrowellen-Generatoren (Klystron) für Funkmess-Geräte (RADAR) zu entwickeln [136].
Kriegsbedingt wurden RADAR-Geräte zum Motor der Halbleiter-Entwicklungen - parallel in Deutschland, England und in den USA. Für den Wellenlängenbereich unter 10 cm waren Röhren für den Empfang ungeeignet, man begann, mit Halbleiterdioden zu experimentieren [136].
Herbert Mataré arbeitete schon 1942 mit sogenannten "Duo-Dioden" in Heterodyn- Empfängern (bipolare Spitzentransistoren), deren Verstärkereigenschaften umso besser wurden, je näher die Spitzen zusammen lagen, siehe die Mataré-Quellen von P. Salomon in [139], von Ch. Adam [140] "le transistron" und von Van Dormael "French Transistor" [136].
Die Ausrüstungen wurden aus Matarés Transistorlabor im März 1945 von der vorrückenden US-Armee aus der ehemaligen Thermometerfabrik "Goelitz" in Böhlen bei Großbreitenbach im Thüringer Wald abtransportiert. Wie wahrscheinlich ist es, daß sie in einem geeigneten US-Labor ankamen? Die Nachkriegswirren sorgten dafür, daß Mataré seine Arbeiten erst 1947 bei Westinghouse France in Paris fortsetzen konnte.
Mataré meldete zusammen mit Welker im August 1948 in Paris seinen Spitzentransistor an, den sie "transistron" nannten [132]. Am 21.4.1948 hatte Mataré bereits unter einem nichtssagenden Titel einen Legierungstransistor angemeldet [136], dessen Bauart später den Siegeszug der Massenproduktion von Transistoren einleitete.
Im Gegensatz zu den Bell-Labs konnte Matarè bereits 1949 Spitzentransistoren mit reproduzierbaren Eigenschaften liefern, die in Funkempfängern und als NF-Repeater in Telefonleitungen eingesetzt wurden [136], [140]. Auf der Düsseldorfer Funkausstellung im Augst 1953 wurde das welterste, batteriebetriebene Transistor-Radio mit Matarés Transistoren für den freien Markt vorgestellt [136]. Die US-Armee kaufte bis 1954 für Funkgeräte ausschließlich die Mataré Transistoren.
Bis 1953 waren Matarés Transistoren weltweit führend. Leider aber wechselten die Besitzer der Firma mehrmals und auch der Name der Bauteile. Damit geriet Matarés "transistron" ins Abseits und wurde für Jahrzehnte vergessen.
Vertraut man den Internet-Suchmaschinen und -Lexika, so entsteht das verzerrte Bild, als ob vor den späteren Nobelpreisträgern kein Transistor existierte [135]. John Bardeen und Walter Brattain konnten im Juni 1948 (US-Patent 2524035, [133]) einen Spitzentransistor anmelden. John Bardeen, Walter Brattain und William Shockley bekamen dafür 1956 den Nobelpreis für Physik und gelten bis heute (2023) als Erfinder des Transistors. Aber in Anbetracht der Vorarbeiten von Lilienfeld und Heil und der Einführung des Transistors von Mataré und Welker in die Serienproduktion erscheint diese Ehrung als vollkommen verfehlt.
Betrachten wir die wichtigsten Patente in ihrer Wirkung auf die weitere, technische Entwicklung der Mikroelektronik, so stechen einige Aspekte heraus:
Bild 10: Einer der ersten (noch nach 65 Jahren funktionierenden) Germanium-Legierungstransistoren (vermutlich ein
OC601 von TFK, 1954). Das Gehäuse bestand aus einem schwarz lackierten Glaskolben, der Lack platzte ab. Elektroden v.l.n.r: Emitter, Basis, Kollektor.
Spitzentransistoren spielten nur kurzzeitig eine Nebenrolle. Deren Parameter waren kaum reproduzierbar. Erst mit den in Serie einfacher beherrschbaren Legierungstransistoren (siehe Bild 10) begann die Mikroelektronik- Revolution. Sie eroberten in den fünfziger Jahren die Welt [62] und lösten innerhalb weniger Jahre auf vielen Gebieten die Elektronenröhre ab.
Zunächst waren die Transistoren für Funkempfänger und Verstärker interessant - mit im Vergleich zur Röhre winzigem Gewicht, Bauvolumen und Leistungsverbrauch. Auch arbeitete ein Transistor mit kleinen Spannungen (3 bis 9 Volt), die direkt einer kleinen Batterie entnommen werden konnten. Auch die Industrieautomation begann Fahrt aufzunehmen.
Erste Taschenradios arbeiteten als Audion mit einer selbsterregten Mischstufe. Man kam mit zwei Transistoren aus. Im Bild ist ein 2-Transistor-Audion (Life Tone, Boy's Radio Japan) vom Anfang der 1960er Jahre zu sehen. Heute undenkbar, erkennt man, daß zwei gewickelte Übertrager-Trafos offenbar billiger als zusätzliche Transistoren waren. Der Leser Heinz Gutbier schrieb dazu: "Mein erster Transistor war mit GTR gekennzeichnet, er entstammte der Reihe OC810 und kostete 13 Mark (der DDR)". Für diesen Preis konnte man damals vielleicht zehn Übertrager-Trafos erhalten.
Bild 11: Pendelaudion mit zwei Transistoren vom Anfang der 1960er Jahre. Die Originaltransistoren waren defekt und wurden ausgetauscht. Leider gab es schon 2014 keinen empfangbaren Sender auf Mittelwelle mehr (525 bis 1705 kHz, Amplitudenmodulation).
Plötzlich gab es tragbare Taschen- und Kofferradios. Die Jugend war fasziniert. Jeder schleppte seine "Kofferheule" mit sich herum. Aber Transistoren waren teuer. Mein erstes Taschenradio, einen russischer "Orbita" als Superhet mit 8 Transistoren, bekam ich 1968 zur Jugendweihe, der hatte 195 (DDR-) Mark gekostet. Viel Geld für damalige DDR-Einkommen!Zu dieser Zeit kostete ein OC821 im RFT-Bastlerladen in der Ostberliner Kastanienallee etwa 21 DDR-Mark. Bei 50 Pfennig Taschengeld war das unbezahlbar. Zum Glück aber hatten wir einen Mathe- und Physik- Lehrer, Eberhard Miegel, dessen Begeisterung für diese neuartigen "Transistoren" uns ansteckte. Er gründete 1967 an der 13. Oberschule Berlin-Heinersdorf eine Elektronik- Arbeitsgemeinschaft und besorgte nötige Bauelemente.
In der Arbeitsgemeinschaft berechneten wir als erstes die Widerstandswerte für einen astabilen Multivibrator (zu gebrauchen als Blinkgeber, Summer, Piepser etc.). In der Kastanienallee wollte ich die berechneten Widerstandswerte kaufen. Darunter zwei Widerstände mit 15625 Ohm. "Sowat ham wah nich!" antwortete die (Fach-) Verkäuferin. Ein älterer Herr hinter mir half: "Dann stückelste den Wert eben zusammen oder du nimmst den nächsten, runden Wert!". Der Multivibrator funktionierte schließlich auch mit gerundetem Wert ohne Probleme.
Bald gab es auch "Bastlertypen": Transistoren, deren Parameter leicht vom Datenblatt abwichen und die man ausmessen mußte. Die waren erschwinglich, man bekam sie für 50 Pfennige, später noch billiger. Meist hatten sie einen zu großen Reststrom, eine zu geringe Stromverstärkung oder andere Eigenheiten, man erinnere sich an den "SFT232".
Noch aber waren nicht mehrere Transistoren auf einem Substrat integrierbar. Dazu mußte erst die dielektrische Isolation in monolithischer Planartechnologie [72] erfunden werden. 1963 stellte Robert Noyce, einer der Gründerväter von Fairchild Semiconductor (1957) und Intel (1968), einen ersten monolithischen IC heutiger Bauart vor, auf dem 120 Transistoren galvanisch isoliert arbeiteten.
1963 stellte die Firma GTE-Sylvania unter der Bezeichnung SUHL (Sylvania Universal High Level Logic) das erste Sortiment von TTL-Schaltkreisen (Transistor-Transistor-Logic) vor. Recht schnell wurde das Sortiment von kapitalkräftigen Herstellern übernommen. 1964 ging der TTL-Schaltkreis SN5400 (4 NAND-gates a 2 inputs) von Texas Instruments in Produktion. TTL wurde ab 1966 durch die SN7400-Serie im DIP-Gehäuse (Dual Inline Package) populär.
Intel-Mitarbeiter Nr.12, Ted Hoff, begann 1968 am Befehlssatz des Intel 4004 zu arbeiten.
Das Jahr 1971 war ein besonderes Jahr für die Mikroelektronik. Bei Intel brachte man den ersten, auf dem freien Markt verfügbaren Mikroprozessor auf einem Chip heraus, den Intel 4004. Er hatte etwa 2300 Transistoren in p-channel Silicon Gate Technology pSGT (-15 Volt, 0.75 MHz, self aligned gates, negative logic). Niemand verstand, wie so ein Ding funktioniert und wozu man es brauchen kann. Es dauerte noch fünf Jahre, ehe es z.B. an der TU-Dresden die erste Vorlesung zu Mikrocontrollern gab.
Mit acht Jahren Verspätung wurde in der DDR 1971 die Geburt erster, digitaler Logikschaltkreise gefeiert: Im Halbleiterwerk Frankfurt/Oder (HFO) wurden erste bipolare TTL-Schaltkreise der Serie D100 (Nachbau des 7400) mit je 4 Transistoren und drei Dioden pro Gatter in SBC (siehe dazu auch [9] und [68]) produziert.
Im FWE gingen 1971 erste (wenig geliebte) unipolare Logik-Schaltkreise U101 bis U105, später bis U122 in Produktion (Vorbild-Serie MEM1000 von General Instrument, 1967). Diese hatten klassische PMOS Technologie (meist als EE Enhancement/Enhancement, als Lastwiderstand diente ebenfalls ein Enhancement-Transistor) mit zwei Betriebsspannungen -13 V und -27 V. Sie hatten negative Logik. Die Entwurfsregeln sind noch unter [79] zu finden. Der zeitliche Abstand der DDR zur Weltspitze (USA) betrug damals etwa 10 bis 14 Jahre.
Bild 12: Mit dem Erscheinen erster, digitaler ICs erschien auch der erste integrierte Analogschaltkreis der DDR, der Differenzverstärker IK72. Entwickelt wurde er für das Interkosmos-Programm des AdW Institut für Kosmosforschung (AdW-IKF) in Berlin-Adlershof (heute DLR). Er besaß drei Transistoren, eine Diode und einen Widerstand. Bilder mit freundlicher Genehmigung von Richard Kaussler, siehe auch die komplette Rückübersetzung auf seiner Seite [75].
Der IK72 bildete im Entwicklungszentrum des Halbleiterwerk Frankfurt/Oder (HFO) in Stahnsdorf den Ausgangspunkt für den ersten, kommerziellen Operationsverstärker A109 der DDR (Nachbau µA709), der ebenfalls 1972 auf der Leipziger Messe vorgestellt wurde (RFE 10/1972) und etwa ab 1974 marktverfügbar war.
Was damals noch niemand ahnte: die Mikroelektronik würde sich innerhalb weniger Jahrzehnte zur ersten, nur noch global funktionierenden Industrie dieser Erde entwickeln - mit Milliarden von Transistoren auf einem Chip. Heute (2018) enthält eine marktübliche 128 GigaByte (128 Milliarden Byte ~ 1000 Milliarden Bit) microSD-Speicherkarte (SLC) für rund 20 Euro einen Chip mit über 1 Billion (240 ~ 1012) Transistoren [73]. Kein Staat oder Unternehmen weltweit ist noch in der Lage, alle zur Produktion erforderlichen Spezialausrüstungen selbst zu entwickeln und zu produzieren. Allein die immer kürzer werdenden Wellenlängen in der Fotolithografie werden zum Albtraum, siehe [173] und [174].
Aber die RGW-Staaten hatten ein Problem: Das 1949 von den USA gegründete CoCom sollte den Technologieexport in kommunistische Staaten verhindern. Und CoCom funktionierte einschneidend. Der kalte Krieg hatte begonnen. Und alle Mikroelektronikprodukte fielen unter CoCom: Man konnte die meisten, neuen Schaltkreise nicht einfach importieren. Folglich hatte man sie nachzubauen - auch ohne Lizenz.
Letztlich aber hatte man in der DDR, wie auch in der Bundesrepublik oder in der UdSSR die aus den USA kommende Mikroelektronik zu wenig beachtet. Im Politbüro des ZK der SED erkannte man die technologische Revolution der Elektronik m.E. zu spät. Zitat Walter Ulbricht [1]:
"Nun Genossen, sagt mir doch mal, wieviel Tonnen Stahl
wir mit euern Transistoren mehr erzeugen können!"
Zentrale, planwirtschaftliche Leitung der Industrie hatte in der DDR dafür gesorgt, daß sich nur wenige Firmen mit Mikroelektronik beschäftigten. Dennoch gab es Pioniere, die unter schwierigsten Bedingungen damit anfingen [1], [76]. So wurde in der DDR mit einigen Jahren Verzögerung versucht, die Mikroelektronik-Revolution nachzuvollziehen. Von Anfang an war man in der Defensive, man entwickelte meist nach.
DDR, wie auch RGW waren technologisch im Hintertreffen. Eigene Entwürfe konnten noch so genial sein, sie scheiterten mit wenigen Ausnahmen an der Forderung der Industrie nach Kompatibilität mit im Westen bereits vorhandenen Bauelementen. Die Forderung war insofern berechtigt, als der pin- und schaltungskompatible Nachbau der ICs die Entwicklung von Software, von Leiterplatten und Mechanik parallel zur Schaltkreisentwicklung gestattete. Auch konnten erste Serienprodukte mit importierten IC bestückt werden, was eine schnellere Markverfügbarkeit bedeutete. Letztlich war man damit schneller, als mit einem Eigenentwurf.
Allerdings bedeutete die Kompatibilitätsforderung auch einen Generalverzicht auf innovative, neuartige Produkte, mit denen man viel mehr "Valuta" (Westmark oder Dollar) hätte erlösen können. Für Nachbauten, die noch dazu mit mehr als zwei Jahren Verspätung auf den Markt kamen, interessierte sich der Weltmarkt nur, wenn sie zu Dumping-Preisen angeboten wurden.
Beim Nachbau lief die DDR damit im internationalen Vergleich zu Höchstform auf. Im Halbleiterwerk Frankfurt/Oder [76] wurden sämtliche interessanten SBC-IC (bipolar) der Analogtechnik nachgebaut und produziert.
Eine noch größere Bedeutung aber kam wohl den im Funkwerk Erfurt (FWE), später Marx-Mikroelektronik Erfurt (MME) entwickelten Mikroprozessor- Systemen und deren Komponenten zu. Erfurt wurde zum wohl größten Erfahrungsträger außerhalb der USA auf diesem Gebiet. Neben dem Nachbau der Zilog Z80- Serie (CPU U880), der Zilog Z8-Serie (CPU U88xx) und der Zilog-Serie Z8000 (CPU U8001, U8002) gelang es, das Intel 80286 Prozessorsystem (IBM-PC XT; CPU U80601) sowie die microVAX II von DEC (CPU U80701) nachzubauen. Insbesondere diese CPU stellte allerhöchste Anforderungen an die Ingenieure des MME rund um den Chefentwickler Prof. Dr. Franz Rößler, weil der Chipsatz nicht marktverfügbar war. Es waren keine Spezifikationen erhältlich. Ausgehend von Chipfotos und Daten, die man einer (originalen) microVAX ablauschte, baute man eine "black box" nach.
Erste Berliner Schaltkreise wurden ab 1979 im Institut für Nachrichtentechnik (INT, [7]) in Berlin-Schöneweide, Hauptstadt der DDR (Ostberlin) entwickelt. Gefertigt wurden sie im Halbleiterwerk Frankfurt/Oder (HFO), im Zentrum für Mikroelektronik Dresden (ZMD) und im Funkwerk Erfurt (FWE -> MME). Bei ersten Schritten halfen DDR-Halbleiterhersteller mit. Zum Ende der DDR (1989) hatte das Entwurfszentrum Schaltkreisentwurf des INT unter Dr. Volker Tüngler etwa 65 Mitarbeiter (Hauptabteilung ECE [31]), weitere vier Entwurfszentren waren in Ost-Berlin im Entstehen, [32].
Das INT war das Forschungszentrum des VEB Kombinat Nachrichtenelektronik (KNE) mit 36.000 Beschäftigten in 19 Betrieben, siehe [63] Blatt 6 bis 9 und Profil in [46]. Mit 1640 Mitarbeitern (incl. Außenstellen 1987) war das INT das größte Institut der DDR.
Zur Geschichte des INT findet man unter [7] einen Abriß mit einigen, interessanten Bildern, insbes. zur OZ100. Wesentlichste Entwicklungsbereiche waren die Vermittlungstechnik (Vermittlungszentralen) und die Übertragungstechnik (Trägerfrequenz und PCM30/120/480/1920).
Das Telefonbuch des INT [33] gibt heute noch Aufschluß über die strukturelle Gliederung: Im INT waren alle Arbeitsgebiete vertreten, die mit Telefon, Funk und Nachrichten zu tun hatten. Gleich welches Wissen man brauchte: in irgendeinem Labor des Hauses war es verfügbar. Dieses deutschlandweit unvergleichliche Potential wurde dem Autor erst nach der Wiedervereinigung schmerzhaft bewußt. Aber es war das Wissen von einer Nachrichtentechnik, die vom Internet schnell überholt wurde.
Institut für Nachrichtentechnik (INT, 1961-87),
Zentrum für Forschung und Technologie der Nachrichtentechnik (ZFTN, 1987-90), Direktoren:
Prof. Peter Fey 1961-1967, Dr. Peter Tietze 1967 bis 1969, Prof. Dr. Dietmar Lochmann 1969 bis 1986, Dr. Dietmar Bogk 1986 bis 1990. Umbenennung 1987 in ZFTN, 1640 Mitarbeiter (1987)
1160 Berlin (Oberschöneweide)
Edisonstr. 63
DDR
Fernsprecher 638-0
Fernschreiber INATE Berlin 112637
Drahtwort INATE Berlin
INT-Außenstellen (siehe [33] INT-Bereiche, S.7):
Allee der Kosmonauten 23A, Berlin 1136
Elsenstr. 106-107, Berlin 1193
Ewaldstr. 68-82, Berlin 1185
Nalepastr. 172, Berlin 1160
Singerstr. 109, Berlin 1020
Paul-Gruner-Str. 25, Dresden 8010
Schönbachstr. 90, Leipzig 7027
Sicherlich in Gedenken an die ungezählten Genies des INT ist heute, 2019, am Turm des Hauptgebäudes (Edisonstr. 63) eine Leuchtreklame "Leuchtenfabrik" angebracht. Erbaut wurde das Gebäude als "Lampenfabrik Frister" in Etappen von 1897 bis 1916; siehe [85]. Nach dem Konkurs von Frister 1933 ging das Gebäude an die Wärmegeräte GmbH, ab 1952 produzierte hier das VEB Funkwerk Köpenick. 1963 zog das INT ein.
Das Entwurfszentrum Mikroelektronik (EZµE) des INT wurde mit einem feierlichen Akt am 19.12.1979 unter Hauptabteilungsleiter Dr. Dietmar Bogk gegründet. Als Ziel wurde die Entwicklung kundenspezifischer Schaltkreise für die Nachrichtentechnik fixiert. Erste Bestellungen waren ein automatischer Vielfach-Sondentaster AVT 100 von Elektromat Dresden, ein Metallmikroskop Neophot 2 von Carl-Zeiss Jena und verzerrungsfreie Hostaphan-Folie (Mylar) für den Layoutentwurf als West-Import. Die Folien sollten aber erst vier Jahre später geliefert werden, als wir schon mit Graphikbildschirmen am KULON (PDP11-Nachbau) arbeiteten.
Erst zu diesem Zeitpunkt waren sie Bestandteil des Volkswirtschaftsplanes geworden. Bestellt waren ursprünglich 100 Blatt, vier Jahre später kam eine ganze Palette voll (etwa 3000 Blatt), Kostenpunkt der Folien 53.000 DM (Westmark) das waren rund 212.000 DDR-Mark. Zu diesem Zeitpunkt brauchte keiner mehr die Folien, sie wurden entsorgt. Die Einkäuferin erklärte mir Jahr für Jahr wieder, sie bekäme keine Mindermengen, jedesmal wurde dann die Bestellmenge erhöht. Meine Erkenntnis: So funktioniert staatlich organisierte Planwirtschaft.
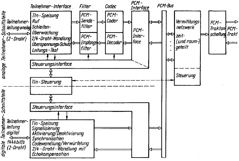
Die ersten, kundenspezifischen Schaltkreise (ASIC) waren für die Digitalisierung des Teilnehmeranschlusses, die Übertragung vieler Telefongespräche auf einem Leitungspaar im zeitlichen Multiplex (PCM) [53], [54], [55], sowie für erste, digitale Vermittlungszentralen [48], [49], [50], [51], [52] bestimmt.
Bei folgenden Schaltkreis-Fotos gibt der Schaltkreis-Aufdruck Auskunft über Hersteller und Produktionsdatum.
Vorbei war das Zeitalter der analogen Telefontechnik. Das digitale Zeitalter sollte beginnen. Erst damit wurden Internet, Email oder SMS möglich.
Leider kam das Ende des INT mit der Wende unerwartet plötzlich. Den Mitarbeitern wurde gekündigt, im Tresor liegende Unterlagen flogen als NfD, VD, VS oder GVS aus dem Fenster direkt in riesige Müllcontainer auf dem Hof. Wenige Mitarbeiter wurden von SEL/ALCATEL übernommen. Zehntausende Datenblätter und Datenbücher folgten. Der Immobilienwert hatte über den Menschenverstand gesiegt. Über Nacht verschwand Menschenwissen und Menschheitsgeschichte in unvorstellbarer Dimension.
Zu diesen schreibt der letzte Direktor des ZFTN (INT), Dr. Dietmar Bogk:
"Die DDR hatte, wie auch die Bundesrepublik oder die UdSSR die aus den USA kommende Mikroelektronik verschlafen. Gewaltige erforderliche Investitionen sowie der fehlende Zugang zu den westlichen Technologiemärkten machten es für den sozialistischen Wirtschaftsblock extrem schwierig, diesen Rückstand aufzuholen. Die DDR versuchte diesen Nachteil bei der Bereitstellung weltmarktfähiger Produkte u.a. dadurch zu verringern, dass unter Umgehung der Embargomaßnahmen der USA technologische Ausrüstungen und Rechentechnik importiert wurden. Zusätzlich wurden ausgewählte Elektronische Bauelemente bis hin zu Speicherschaltkreisen und Mikroprozessoren importiert, zur Geräteentwicklung eingesetzt und gleichzeitig für eine Eigenproduktion vorbereitet. Damit ließ sich die Lücke zum westlichen Technologiefortschritt schneller schließen, da die Geräteentwicklung abgeschlossen war, bevor die Bauelemente aus eigener Produktion zur Verfügung standen. Die begrenzten Ressourcen sowie die erforderliche Geheimhaltung bei der Nutzung von Embargo- Technologien hatte in der DDR dafür gesorgt, dass sich nur wenige Firmen mit Mikroelektronik beschäftigten. Mit dem Fortschreiten der Integrationsgrade von Mikrochips kam diese Strategie aber an ihre Grenzen. Da zunehmend ganze Anwendungssysteme in die Chips wanderten, sah man sich in wachsendem Maße mit der Notwendigkeit konfrontiert, das Wissen um die Funktionen von Anwendungssystemen mit denen der Chipentwicklung zu verknüpfen. Im Institut für Nachrichtentechnik in Berlin hatte man diesen Trend frühzeitig erkannt und startete zeitweise gegen erheblichen Widerstand des zuständigen Ministeriums mit dem Aufbau eines Design- Zentrums für nachrichtenspezifische Schaltkreise. Dazu war es notwendig, engagierte Leute mit Weitblick und Engagement zu finden, die sowohl das Design von Schaltkreisen beherrschten, zusammenbringen konnten mit dem Entwickeln von Schaltungslösungen für integrationsfähige Systemkonzepte (z.B. eine Spule kann man nun mal nicht integrieren), als auch die erforderliche Rechentechnik und Softwarelösungen zum Design unter Embargobedingungen beschaffen, installieren und betreiben konnten. Und es fanden sich Pioniere, die unter schwierigen Bedingungen damit anfingen."
Das INT war Forschungszentrum des Kombinats für Nachrichtenelektronik (KNE), siehe ein Profil des KNE unter [180]. Die Kombinatsleitung saß bis 1987 im Fernmeldewerk Leipzig (FML). Siehe auch eine Übersicht zum FML in [114]. 1987 wurde das Funkwerk Köpenick (FWK) [178] zum Stammbetrieb. Zum 1.1.1988 wurde das INT zu einem Betriebsteil des Stammbetriebes FWK [179].
Aufsätze von Dr. Bogk in der Zeitschrift "Nachrichtentechnik, Elektronik" (nte) haben die damalige Situation konserviert. Im Aufsatz [3] sind Trends und Stand der Bauelementeentwicklung der DDR-Nachrichtentechnik beschrieben.
Die Aufsätze [5] und [6] repräsentieren den Stand der damaligen Produktentwicklungen der DDR-Nachrichtentechnik auf der Telecom87 in Genf und auf der Leipziger Frühjahrsmesse 1988. Insbesondere diese Quellen belegen, daß ein beachtlicher Entwicklungsstand erreicht wurde. Aber im internationalen Vergleich war die Entwicklung dennoch eher bescheiden zu nennen, siehe [96]. Reste der Entwicklungen sind noch zu besichtigen z.B. im Computermuseum Halle [2] oder im Fernmeldemuseum Dresden [48]. Eine letzte Umstrukturierung des VEB Kombinat Nachrichtenelektronik (KNE) vor der "Wende" mit dem Ziel der Effizienzsteigerung wird in [4] beleuchtet. Nicht zuletzt geben die Aufsätze [22] und [23] einen Überblick über damalige Arbeiten im INT.
Einen tieferen Einblick in den aus der historischen Perspektive eher hilflos wirkenden Versuch, die extrem dynamische und komplexe Entwicklung der Nachrichtentechnik planwirtschaftlich zu steuern, geben die Planungsvorlagen für den Ministerrat der DDR [46], [180...187]. Danach hätte die Produktion von digitaler Nachrichtentechnik auf Basis ISDN zu dem Zeitpunkt den Markt decken sollen (1997), als längst Netscape und Internet gefragt waren. Mit anderen Worten: Wenn die Leute nach dem Internet gerufen hätten, hätten sie endlich einen ISDN-Telefonanschluß (ohne Internet) erhalten können.
Wie unübersichtlich die Entwicklung der Mikroelektronik geworden war, zeigt ein Reisebericht des Chefkonstrukteurs des FWE, Franz Rößler, aus dem Jahre 1988 [84]. Zentrale Steuerung der Mikroelektronikentwicklungen wurde zunehmend unmöglich, weil niemand mehr die Komplexität der zu treffenden Entscheidungen überblickte. Bei der Lektüre des Berichts aus heutiger Sicht fällt auf, daß etablierte Hard- und Software kaum vorkommen, so taucht der Name "Cadence" nicht auf. Diese Firma mauserte sich in dieser Zeit zum weltweit führenden Anbieter von CAD-Software für den Schaltkreisentwurf. Auch wird dem IBM-PC kaum Beachtung geschenkt, der spätestens mit dem ersten PC-Internet-Browser "Netscape" im Jahr 1994 zur Nummer Eins des PC-Marktes wurde. Auch die damals weit vor "VHDL" stehende Hardware-Beschreibungssprache "Verilog" wird nicht benannt.
Das Grundproblem der planwirtschaftlichen Steuerung eines Wirtschaftssystems ist, daß man nicht vorhersagen kann, welche neuen Technologien in kurzer Zeit zur nächsten, technischen Revolution führen werden. So wurde immer wieder auf "Halde" produziert. Ressourcen wurden verschwendet.
Damals existierte noch keine Datenübertragung per Funk. Selbst bei utopischen Schriftstellern existierte noch nicht einmal die Vision eines mobilen Telefons heutiger Bauart (Touch-Display, Kameras, Telefon, Email, Internet-Browser, USB, LTE, GPS, WLAN, Bluetooth, NFC etc.). Ein Telefongespräch wurde analog übertragen. Jedes Gespräch benötigte dafür ein Adernpaar. Hin- und Rückkanal liefen auf diesem Paar, man trennte sie mit einer sog. Gabelschaltung auf beiden Seiten auf (Teilnehmer und Amt). Die Vermittlung erfolgte mittels mechanischer Relais-Schalter (Hebdrehwähler, Koordinatenschalter, zum Schluß Reed-Kontakte). Das Kapital der Telefongesellschaften waren 1980 die verlegten Kabel. Man rechnete, daß drei Viertel ihres Kapitals unter der Erde vergraben war. Mit dem Transistor entstand die Möglichkeit, mehrere Gespräche auf einem Adernpaar gleichzeitig zu übertragen: Im Frequenz- oder hier im Zeitmultiplex. Und man konnte damit stromfressende, große, schwere, teure und störanfällige Relais ersetzen.
Beim PCM30/32 System werden auf einem Adernpaar 32 digitalisierte Kanäle im zeitlichen Multiplex übertragen, zwei davon sind Dienstkanäle, deshalb die offizielle Bezeichnung PCM30/32.
Allerdings geht das nicht bidirektional, sondern nur unidirektional, pro verlegtem Adernpaar kann man nur je eine Richtung versorgen, über dieselbe Anzahl von Adernpaaren kann mit PCM30 folglich die 15-fache Zahl von Gesprächen geführt werden.
Jeder Abtastwert des Telefon-Analogsignals wird dabei in einem 8-Bit Wert gespeichert. Die analog-digital-Wandlung erfolgt nichtlinear nach µ-Law (Nordamerika, Japan) oder A-Law (Europa).
Zur Ablösung der analogen Telefonleitungen durch PCM wurden die etwa alle zwei Kilometer vergrabenen Pupin-Spulen durch PCM-Regeneratoren ausgetauscht. Pupin-Spulen dienten vorher der Entzerrung des Frequenzganges bei analoger Übertragung, nun dienten deren Behälter der Aufnahme der PCM-Regeneratoren.
Die Regeneratoren waren dabei gleichstrommäßig in Reihe geschaltet, der Spannungsabfall betrug 6,8 Volt pro Regenerator, der Speisestrom der Linie war mit 20 mA vorgegeben, [10], S.21. Eine Zenerdiode (6,8 Volt) sorgte für die Stabilisierung der Betriebsspannung jedes Regenerators. Leider existiert kein Schaltplan der ersten Version des Regenerators mehr.
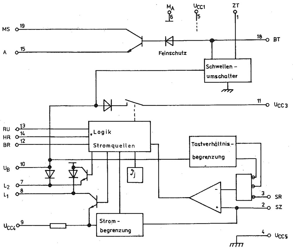
Mit dem ersten Berliner Schaltkreis (IC), dem KA601, sollte ein großer, etwa 25.000 Mark teurer, mit diskreten Transistoren und Übertragern aufgebauter PCM30/32-Regenerator-Modul des VEB Nachrichtenelektronik Greifswald (NEG, Abteilung von Herrn Janke, Tel. 664556, letzte Beratung vor Überleitung ins HFO am 23.9.1980) durch zwei Schaltkreise (KA601 [60], [8], [9], [10] und KA602 [11]) abgelöst werden.
Vom Leistungsumfang entsprachen die ICs etwa dem, was 25 Jahre später unter dem Begriff "DSL-Modem" das Internet zu uns nach Hause brachte. Siehe auch eine detailierte Analyse des Chips von Richard Kaussler [110].
Mentor der Schaltkreisentwicklung war Dr. Ingomar Krahl. Er hatte an der TU Dresden auf dem Gebiet der bipolaren Transistormodellierung (Ebers-Moll und Gummel-Poon) sowie auf Integrierter Injektionslogik (I²L) bei Prof. Wolfgang Albrecht promoviert und brachte dieses Wissen zusammen mit Engagement, profunden Programmierkenntnissen und großer Offenheit und Herzlichkeit mit ins INT. Insbesondere brachte er das noch fehlende Wissen zu bipolarer Transistormodellierung (insbes. Gummel-Poon) mit, sodaß es mir möglich wurde, Baugruppen nicht nur als Kleinsignalmodelle mit Bleistift und Rechenschieber zu berechnen, sondern auch als Großsignalmodelle numerisch zu simulieren.
Die Berechnung der Leerlaufverstärkung des ersten Vorverstärkers VV1 lag z.B. nach der Erinnerung des Autors im Vergleich zwischen 68 und 71 dB (Handrechnung, numerische Kleinsignal-Simulation und Chipmessung). Der Autor setzte deshalb die Initialen "IK" vor die eigenen auf den Chip, Ingomar hatte maßgeblich dazu beigetragen, daß bereits von der ersten Version des KA601 (bis auf den falschen Kontakt siehe unten) nahezu alle Kennwerte perfekt erbracht werden konnten (Bildquelle [110]).
Unter Leitung von Dr. Dietmar Bogk organisierte Ingomar Krahl den fachlichen Aufbau des Entwurfszentrums: Nicht nur fähige und engagierte Mitarbeiter waren zu finden, auch Räume, Ausrüstungen, Gelder und Rechentechnik waren zu beschaffen. Das war nahezu unmöglich, da sämtliche Mittel nicht im Fünfjahrplan vorgesehen waren. Insbesondere erhielt das INT keine zusätzlichen Mittel für Gehälter der neu einzustellenden Mitarbeiter. So suchte man zunächst im eigenen Haus nach neuen Mitarbeitern. Auch waren Beschaffungen in Dollar oder D-Mark (DDR-Ausdruck "Devisen") zu machen, die im Plan nicht vorgesehen waren.
Im Rahmen einer Studie (Abschluß als Neuerervereinbarung NV7490 vom 29.8.1980) wurde im Januar 1980 im Bereich Ü (Übertragungstechnik) mit dem Systemkonzept des Gerätes PCM-Regenerator auf Basis KA601 [60] begonnen: Eilert: Systemeigenschaften, Behnke/Lohberger: Entzerrerverstärker; Höppner: Taktrückgewinnung, Neumann: Sendestufe. Die erste Beratung fand am 29.2.1980 statt (Kalendereintrag GH). Das Takt-Jitter der gesamten Regeneratorkette (maximal waren 18 in Reihe schaltbar) war zu minimieren, dazu wurde eine LC-Taktrückgewinnung favorisiert. Verstärkungen und Phasenspielräume der internen OPV wurden fixiert [10].
Ziel war, den PCM-Regenerator auf einem Master-Slice-IC (ISA) des Halbleiterwerks Frankfurt/Oder (HFO) zu entwerfen. Dies schien die preiswerteste, für kleine Stückzahlen taugliche Variante einer Realisierung als IC zu sein.
Der erste ISA-Master des HFO hieß IA60, er war in "Standard Buried Collector" Technologie (SBC) realisiert [9], [57], [68], [70], [71]. Bauelementeparameter des IA60-Masters und deren Simulationsmodelle sind unter [106] zu finden.
Bis zur Verfügbarkeit der unipolaren Technologien (PMOS, NMOS alias nSGT, CMOS alias CSGT) war die SBC-Technologie weltweit die grundlegende, (bipolare) Basistechnologie der Mikroelektronik, mit der sowohl erste digitale, als auch erste analoge Schaltkreise (man denke an SUHL/TTL siehe oben, OPV, Spannungsregler, Kleinleistungs-IC, IC für Kommunikation und Industrieautomation, I²L) produziert wurden. Der Umfang des Wikipedia-Eintrags 2021 zur SBC wird der Bedeutung für die weltweite Entwicklung der Mikroelektronik als Voraussetzung für den in den letzten 50 Jahren erreichten Wohlstand durch Industrieautomation und Informatik nicht gerecht: Jeder unbekannte Künstler oder Politiker oder Dauer-Subventionsempfänger ist dort hundertmal wichtiger als dieses Basiswissen der Mikroelektronik als Quelle unseres Wohlstands.
Die Schaltungsentwicklung begann neben Restarbeiten zum Übungsprojekt Intel 8279 (siehe Aufsatz "Wie alles begann") im Februar 1980. Schaltungsentwurf, Berechnung, Simulation und Layout lagen beim Autor [68], Systemkonzept und externe Beschaltung unterstützten insbesondere Manfred Höppner (ÜL2), Hans-Uwe Behnke (ÜL3) und Dr. Manfred Brandes (ÜL1).
Idelles Vorbild waren die hervorragenden Applikationsschriften und Datenblätter [95] der Schaltkreise EXAR XRC262 und XRC277. Beide Schaltkreise, das legten Richard Kausslers Recherchen [110] erst 2024 nahe, waren von EXAR offenbar ebenfalls auf einem Vorbild des IA60-Masters realisiert worden.
Die Schaltungen des KA601 [10] und KA602 [11] waren letztlich den EXAR-Schaltungen des XRC262 recht ähnlich. Leider blieben die Originalschaltungen (und Berichte) des KA601 (Versionen 1 und 2) und des KA602 nicht erhalten. In den Bericht [10] von 1981 wurden nachträglich unleserliche Korrekturen von 1984 eingeklebt. Im Bericht [11] sind die originalen Schaltungen durch Korrekturen von 1983 ersetzt.
Um die Spreu vom Weizen trennen zu können, sind im ersten Test auf der Siliziumscheibe Messungen mit Sondentaster erforderlich. Dazu müssen Tester programmiert werden. Es wurde ein kleines Team (ECE3) aufgebaut zur Entwicklung der Prüftechnik und der Simulationsprogramme unter Günther Warme und Volker Otto, siehe [31].
Anläßlich des Besuchs einer Tesla-Delegation hielt der Autor am 23.4.1980 einen ersten Vortrag zum Konzept und zu den Vorbildern des geplanten PCM-Regenerators, den IC XRC262 und XRC277 von EXAR [95]. Da im Tausch gegen Erdöl und Erdgas 70% der Nachrichtentechnik der DDR nach der Sowjetunion ging, wurden extreme Temperaturanforderungen gestellt (+80...-40°C).
Erste Rechnungen zeigten, daß gegenüber den XRC-Lösungen zusätzliche Stabilisierungsmaßnahmen von Strömen und Spannungen erforderlich waren (Kalendereintrag vom 11.7.80). Daraus entstand das Patent "Schaltungsanordnung fuer kombinierte, temperaturstabile Referenzspannungs- und Referenzstromquellen" (als Bestandteil des KA601) [44].
Der erhöhte Schaltungsaufwand brachte ein Problem mit sich: Während Exar die Schaltungen des XRC266 und des XRC277 auf die Größe des Masters abstimmen konnte [110], mußte der Schaltkreis auf zwei IA60-Master (KA601 und KA602) aufgeteilt werden. Der Analogteil KA601 enthielt Operationsverstärker und Analogelektronik, der Digitalteil KA602 die digitalen Latches und Endstufen, siehe Bild 22.
Am 11.6.1980 war der Abschlußbericht der Neuerervereinbarung NV7490 fällig, am 12.6.1980 wurde das Konzept im HFO der Entwicklungs-Leiterin Erika Godau im "Roten Salon" im Halbleiterwerk Frankurt/Oder vorgestellt (Kalendereintrag GH).
Im Entwicklungsbereich war unter Leitung von Erika Godau (EE) und Fritz Schackow (EEC) durch Gerhard Neugebauer und Hanno Fulde (EECA) ein Master-Slice-System IA60 ("Meisterscheibe") nach dem "Monochip"-Vorbild von Ferranti [64] entstanden, siehe Details dazu bei Richard Kaussler unter [110].
Mit Transistoren und Widerständen belegte Chips werden dabei auf einem Silizium-Wafer vorproduziert, der Kunde kann in der obersten Ebene eine einlagige Verdrahtung (in Aluminium) gestalten. Mit diesem System ließen sich kleine Stückzahlen kundenspezifischer Schaltkreise schnell und kostengünstig produzieren. HFO hatte keinerlei freie Entwurfskapazitäten, man konnte nur ein VT100-Terminal zur Verfügung stellen, der Kunde hatte Layoutprüfungen mit der HFO-Software selbst zu machen.
Von Hanno Fulde und Gerhard Neugebauer (HFO) erhielt ich den auf Millimeterpapier geplotteteten ISA-Master IA60, siehe [9], [57], [68]. Er war auf viertel Millimeter als Ganzes geplottet. Mit Bleistift wurde der Alu-Layer des Kunden (INT) darauf konstruiert. Der Entwurf wurde dann an einem Robotron-Zeichenbrett mit Lupe auf 1/4 mm digitalisiert. Dabei entstanden etwa 2000 Abstandsfehler.
Die Überleitungsberatung zum PCM-Regenerator fand am 10. Oktober 1980 im Halbleiterwerk Frankfurt/Oder (HFO) statt. (Neben dem Entwurfszentrum des HFO wurde auch ein nagelneuer "Tester 2000" besichtigt, eine Eigenentwicklung aus dem HFO; Kalendereintrag GH).
Bild 20: Der Autor bei der Arbeit an einem Testfeld am Digitalisier-Zeichenbrett "Robotron REISS DIGITRON" (um 1980). Daneben stand ein Orgautomat Daro-Optima 528 mit zwei Displays NC410 sowie einem Lochbandstanzer. Rechts: Bild eines Daro-Optima 528 mit Lochbandleser und Bedienkonsole aus dem Computermuseum Halle.
Die Daten liefen über zwei Display-Einheiten
NC410
mit Nixie-Röhren (sie zeigten die aktuelle x- und y-Koordinate an) parallel zu einem Orgautomaten
(Daro Optima 528) mit einem Lochbandstanzer. Mit dem Druck auf den zentralen Drehknopf des Zeichenbretts wurden x- und y-Koordinate gestanzt, der Stanzer machte dann ein Geräusch der Art "Ratteldibum", da mehrere Byte (x-Koordinate und y-Koordinate) hintereinandergestanzt wurden.
Manchmal waren die Arbeitsbedingungen hart. In einem Kalendereintrag notierte der Autor: "Da im Institut keine Räume frei waren, wurde ein fensterloser, ehemaliger Kohlenkeller umgerüstet. Im Winter 1979/80 gab es Probleme mit der Heizung, es war jämmerlich kalt (14°C)." Die Fernwärme aus dem nebenan liegenden Heizwerk des BMHW (Berliner Metallhüttenwerke) fiel aus. Dem BMHW waren die Kohlen ausgegangen.
Nebenbei bemerkt, standen damals kaum Möglichkeiten zur Verfügung, Kopien von Berichten oder Aufsätzen herzustellen. Schrieb man selbst einen Bericht, so wurde dieser von der Abteilungs-Sekretärin i.a. auf Pergamentpapier abgetippt. Fehler wurden mit einem Glashaarpinsel herausradiert und mit der Schreibmaschine korrigiert. Formeln, Bilder und Zeichnungen wurden mit einem Scribent mit schwarzer Ausziehtusche nachgetragen. Sonderzeichen in Formeln
(z.B. Ω, ω, ∑, ∫ ) waren auch mit Scribent nachzutragen. War der Bericht fertig, lief man damit in die Ormig-Abteilung des INT. Dort stank es gewaltig nach Ammoniak. Man erhielt dann violette, wenig kontrastreiche Kopien, die sich kaum noch kopieren ließen. Bekam man ein Original in die Hände, so bettelte man bei der Sekretärin des Hauptabteilungsleiters (Dr. Richter, folgend Dr. Bogk und zuletzt Dr. Tüngler), das Thermokopiergerät (Bild rechts) benutzen zu dürfen. Amerikanische Laser-Kopierer waren erst gegen Ende der DDR vorhanden.
Auf das Plotbild des Masters aus dem HFO wurde mit Bleistift das Layout gezeichnet. Weil der Master auf viertel Millimeter genau geplottet war und der Entwurf nun auch auf viertel Millimeter digitalisiert werden mußte, entstanden Unmengen an Eingabefehlern. Eine Vierteilung des Entwurfs war noch nicht möglich, HFO hatte noch kein Programm zur Verfügung, um die Stücke wieder zusammensetzen zu können.
Zur Abhilfe entwickelte unsere erste Software-Entwicklerin Christiane Krahl für die Version 2 des KA601 ein 4x4-Punkt Papier-Entzerrungsprogramm für die Koordinaten, um den Papierverzug vor der Digitalisierung zu reduzieren. Vor Arbeitsbeginn waren nun stets 16 Referenzpunkte für die spätere Entzerrung einzugeben. Da eine Layoutfigur nicht doppelt digitalisiert werden sollte, wurde jede erfaßte Leitbahn-Figur im Master-Plot mit Buntstift markiert.
Bild 21: Ausschnitt aus dem Plotbild des Masters IA60 (magenta) mit der Alu-Kundenmaske eines KA601 (schwarz). Die Chipgröße betrug 2,6x3,0 mm. Alle Transistoren maßen 110x140µm. Siehe auch die Analyse von Richard Kaussler [110]. Rechts: Lochband-Reparaturgerät NISA.
Je nachdem, wie weit man kam, entstanden an jedem Arbeitstag einige Lochstreifen-Stückchen, diese wurden mittels Lochband-Reparaturgerät (Bild rechts) aneinander geklebt. Nach dem Verkleben stanzte man die Löcher (Bits) an der Klebestelle u.U. manuell nach. So entstand allmählich eine Lochbandrolle mit dem kompletten Layout.
Im Oktober 1980 brachte der Autor das fertige Lochband ins Halbleiterwerk Frankfurt/Oder (HFO), um die Einhaltung der Entwurfsregeln zu prüfen. Ein Layoutprüfprogramm gab es im HFO bei Hanno Fulde und Co. auf einer DEC-PDP11 bereits, aber weder Grafikbildschirm noch Grafikeditor. Alles passierte mit einem Texteditor (TECO oder EMACS?) und ASCII.
Um sich vorstellen zu können, wie dies ging, hier eine kurze Schilderung.
Auf dem Lochband waren die Absolutkoordinaten jedes Punktes in der Form (x,y) gespeichert. Zunächst wurde ein Lochband-Leseprogramm gebraucht, um den Datensatz vom Lochband auf die Festplatte zu kopieren. Im zweiten Schritt wurde bereits ein intelligentes Programm gebraucht, um daraus eine kompakte Orthogonaldarstellung der Differenzen in der Form (x0 y0; dx1 dy1; dx2 dy2;... ; dxn dyn \r\n) zu machen. Damit begann jede neue Figur auf einer neuen Zeile. Im dritten Schritt konnte bereits die erste Entwurfsregelprüfung erfolgen: Zu kleine dx oder dy wurden sogleich als Entwurfsfehler gelogt, weil sie auf windschiefe Geraden hindeuteten. Da nur orthogonale Geraden und 45-Grad Diagonalen erlaubt sind, war sogleich eine Summenprüfung möglich: Die Summe aller x- und aller y-Koordinaten einer Figur mußte Null ergeben. Nun, das erste Logfile enthielt - wen wundert es - gleich einmal zweitausend Fehler, die nun in dem mehrseitigen ASCII-Listing zu suchen waren. Allein die GND-Figur war eine Seite lang. Um ehrlich zu sein: Nur mit einem Texteditor bewaffnet, war es sehr harte Arbeit.
Von Ende Oktober bis Weihnachten 1980 arbeitete ich dann im HFO, um die Fehler (meist die digitalisierten Viertelmillimeter) mittels Texteditor auf einem VT100-Terminal an der PDP11 zu beseitigen. Man fuhr täglich im ungeheizten Zug von Berlin nach Frankfurt/Oder hin und zurück. "Für die paar Pendler lohnt es sich nicht, den Zug zu heizen" verkündete der Schaffner. Verfroren, manchmal hustend oder schnupfend zurück zu Hause in Berlin-Pankow hatte man Kohlen aus dem Keller zu holen und den Ofen zu heizen. Erst eine Stunde später wurde es warm im Zimmer. Heute, im Zeitalter der Zentralheizungen unvorstellbar: Man fror im Winter oft erbärmlich - ein Zustand, den die heutige fridays4future - Jugend vielleicht noch kennenlernen will.
Bild 22: Blockschaltung von KA601 (li.) [10] und KA602 [11] (re.). Man erkennt beim KA601 fünf Operationsverstärker, sowie zwei Blöcke zur Erzeugung stabilisierter Referenzspannungen. Der KA602 enthält zwei D-Latches, Strobe-Erzeugung und Gegentakt-Endstufen. Siehe auch den HFO-Werkstandard der IC KA601 und KA602 [60] und die Vorbilder von EXAR [95].
Dieser erste IC des INT (KA601) war nicht nur der erste Berliner IC, sondern auch der erste Kundenschaltkreis der DDR und das erste DDR-Gate-Array in klassischer Bipolar-Technologie (SBC). Damals war der Begriff Gatearray noch nicht üblich, man sprach von Master-Slice.
Layoutabschluß war unmittelbar vor Weihnachten 1980 im HFO. Im Frühjahr 1981 erhielten wir erste Muster. Leider wurden zunächst alle Chips beim Scheibentest als Ausschuß mit rotem Farbklecks markiert, Reste davon sind noch auf dem Chipfoto zu erkennen. Nun war guter Rat teuer. Wie finden wir den Fehler? Letztlich hatten die Chips [8] [10] einen Kontakt zuviel, der im HFO unter dem Mikroskop mit einem Spezial-Laser ausgebrannt werden konnte, siehe Bild 23. In Version 1 entstanden damit 5 funktionierende Chips. Um mehr über Transistoren und Technologie zu erfahren, lohnt sich auch ein Blick in Richard Kausslers Analyse des KA601 unter [110].
Bild 23: Ein fehlerhafter Kontakt in Version 1 konnte mit einem Laser ausgebrannt werden (Bildmitte). Bild von Richard Kaussler [110]. Rechts: Auszug Plotbild der ersten Version vom 6.3.1981.
Die Chips wurden in der hauseigenen Hybridtechnik (Horst Schulenburg) auf ein Glassubstrat (Bild 23) gebondet. Wie zu erwarten, gab es Probleme mit einfallendem Licht. Version 2 wurde in ein DIL24-Gehäuse gebondet. Erst später folgte ein DIL18-Gehäuse.
Siehe dazu ein Layout und Plotbild des KA601 [8] sowie Blockschaltung, Bondschema, Innenschaltung, Plotbild und Layoutfoto [10].
Bild 24: Chipfoto vom KA601 Version 1 vom März 1981. Neben der Typbezeichnung ist die Layer-Nummer "1", ein INT-Telefon und die Kürzel "IK" und "GH" im Alu-Layer zu erkennen. Klick auf das Bild: Fotografie eines reparierten Chips von Richard Kaussler. Siehe auch hochauflösende Detailaufnahmen des KA601 auf seiner Seite [110].
Mitarbeiter und Berater: Systementwurf, Regelungstechnik und Filtertheorie: Manfred Höppner u.a.; OPV-Simulationen mit Stadynet (PL/1): Gerd Heinz, Helfried Geupel, Beate Fiedler; Transistor-Modelle: Ingomar Krahl; Schaltungstechnik und Layout (V1 und V2: Gerd Heinz, folgende Versionen: Dr. Volker Tüngler; Zyklus II: Volker Tüngler, Horst Schulenburg (Glasträger); Testprogramme und Pincards: Volker Tüngler, Volker Otto, Technologie Master-Slice: Gerhard Neugebauer (HFO), Hanno Fulde (HFO); Berechnungen, Schaltungstechnik, Simulation und Layout: Gerd Heinz; Ideelle Basis bildeten die ICs EXAR262 und EXAR277 [95], siehe auch [8], [9], [10], [11], [68].
Bild 25: KA601 V2. V1 und V2: Gerd Heinz; V3 bis V5 Dr. Volker Tüngler
Bild 26: links: Plot KA601 V4: Dr. Volker Tüngler; rechts im 18-poligen DIL-Gehäuse 01/1985
Bild 27: KA602 V2, Digitalteil PCM-Regenerator. Schaltungsentwurf: Gerd Heinz, Systemeinbindung Manfred Höppner; Layout V1 und V2: Dr. Volker Tüngler [11]. Kein Layoutfoto vorhanden. Gehäuse von 04/1983.
In Auswertung der Testprobleme wurde u.a. ein Schaltkreistester von Schlumberger aus Frankreich beschafft, mit dem die Funktion von Schaltkreisen einfacher getestet werden konnte einschließlich der Möglichkeit zur Testung direkt auf dem Chip. Dazu wurde im INT eine kleine Arbeitsgruppe für Prüffolgenentwicklung und Schaltkreistest unter Volker Otto aufgebaut.
Mit diesen ersten zwei IC war im Institut für Nachrichtentechnik erstes Wissen zur Entwicklung eigener Schaltkreise entstanden. Erste Schaltkreise der Version 2 wurden durch NEG (Nachrichtenelektronik Greifswald) in eine PCM-Versuchsstrecke eingebaut (wo?). Diese lief viele Jahre und wurde erst gegen Ende der neunziger Jahre abgebaut (Quelle verschollen - bitte hilf mit!). Wahrscheinlich sind keine Exemplare des PCM-Regenerators als Baugruppe erhalten - oder?
Erfahrungen mit dem Entwurf des KA601 flossen später in den Entwurf eines universellen ZF-Verstärkers und Demodulators KA630 für Polizeifunk durch Thomas Birke vom Funkwerk Köpenick ein [109].
Erstmals in meiner kurzen Berufslaufbahn fühlte ich mich richtig wohl. Version 2 des KA601 und Version 1 des KA602 funktionierten. Ich konnte mich mit Simulation und Parameteroptimierung der Stromquellen (Ebers-Moll-Typ), der spannungsabhängigen Kapazitäten und manueller Nachrechnung der OPV, der Temperaturgänge und dem Jitter der LC-Schwingkreise austoben. Das Thema lag mir, als uns 1981 über Ali Zech das Buch von Mead/Conway [26] erreichte.
Verbunden mit einer Gehaltserhöhung erhielt ich vom damaligen Hauptabteilungsleiter Dr. Bogk 1981 den Auftrag, ein VLSI-Team für den Entwurf der im Bereich Vermittlungstechnik entstandenen Pflichtenhefte für Schaltkreise einer großen IDN-Zentrale zu bilden. Die kurze Phase größter Arbeitsfreude war vorbei. Dr. Tüngler hatte die ICs KA601 und KA602 zu übernehmen, um Anpassungen an erweiterte Kundenvorgaben zu machen. Für den VLSI-Schaltkreisentwurf waren Mitarbeiter zu gewinnen und zu qualifizieren, [34].
Wie in allen Bereichen der Technik geht es international darum, schneller und besser als die Konkurrenz zu sein. Worin bestand dieses "schneller und besser" in der Nachrichtentechnik?
Außer Braunkohle, Salz und Uran besaß die DDR kaum Rohstoffe. Die Wirtschaft war in hohem Maße importabhängig. Im Verhältnis zu einer elektronischen Zentrale wog eine mit Relais arbeitende etwa zehn bis zwanzig mal soviel pro Teilnehmer. Ein Großteil des Gewichts der Relaisspulen steckt im Kupfer der Spule und im Eisenkern. Aber besonders der Preis für Edelmetalle für die Relaiskontakte bereitete in der DDR große Probleme. Auch ist die Verlustleistung von Relais um ein vielfaches höher, als die von Transistoren. Volumen und Gewicht elektromechanischer Zentralen lagen um ein vielfaches höher, als bei späteren, elektronische Zentralen. Somit war der Übergang zur elektronischen Vermittlungstechnik für die DDR überlebenswichtig.
Der Einstieg dazu kam über die PCM30/32 Übertragungstechnik. 1972 stellte das Fernmeldewerk Leipzig (FML) auf der Leipziger Frühjahrsmesse ein erstes PCM30/32 Übertragungssystem aus. Auf derselben Messe hatte CIT-Alcatel die PCM-Technik bereits mit elektronischer Vermittlungstechnik gekoppelt und stellte die erste elektronische Zentrale aus. In Lannion (Frankreich) hatte man die erste sogenannte ISDN-Insel aufgebaut siehe [160], S.43, Abb.45.
Relais brauchen Kontakte, die nicht oxidieren. Dafür werden große Mengen an Edelmetallen gebraucht. Auch brauchen Relais Unmengen an Kupfer für die Relaisspulen. Edelmetalle wie auch Kupfer sind teuer. Sie waren oft nur gegen Devisen zu haben. Folglich ging die technische Entwicklung in Richtung der Verkleinerung und Gewichtsreduktion der Relaiskontakte, nicht nur in der DDR.
Während im Jahre 1891 Almon Strowger's Erfindung des Hebdrehwählers mit dem zwanzig Jahre später erfundenen Nummernschalter im Telefonapparat eine geniale Einheit bildete [175] (als Impulswahlverfahren IWV), ist beim Koordinatenschalter [176] (z.B. in der ATZ65, S65, MSN70) eine Umsetzung der IWV-Pulse [156] auf die anzusteuernden Zeilen- und Spaltenrelais erforderlich. Dazu nutzte man einen sogenannten Zählmagnet oder Relaisketten, die als Zähler geschaltet waren.
Der Einsatz von Reedrelais (nur ein Kontakt pro Relaisspule) erforderte dann eine komplett elektronische Steuerung. Bei ENSAD wurde aus dem Großrechner ESER R55 (IBM360 kompatibel) eine spezielle Lösung zur Steuerung der Reedrelais SK3410 abgeleitet [177]. Die Reedrelais dienten nur noch der Durchschaltung der analogen Telefongespräche, nicht aber der Steuerung der Anlage.
Gewichtseinsparungen wurden in der Nachrichtentechnik weltweit in Etappen realisiert. Von der Handvermittlung über ein Steckerfeld hin zum Drehwähler und Hebdrehwähler (Siemens System22), über Koordinatenschalter (ATZ65) auf Reedkontakte (ENSAD). Zum Schluß erst kam der Transistorschalter. Aufgrund der nichtlinearen U/I-Kennlinie aller Transistoren mußten alle Gespräche vorab digitalisiert werden. PCM30/32 war das geeignete Mittel der Wahl.
Mit den glasgekapselten Reed-Kontakten stieg die Zuverlässigkeit elektromechanischer Koppelfelder. Die Kontakte konnten nicht mehr korrodieren. So entstand in den 1970er Jahren das teilelektronische Vermittlungssystem ENSAD [56], [165], das bereits mit elektronischer Steuerung auf der Basis von RTL/TTL/CMOS-Schaltkreisen und Reed-Kontakten als Analogschalter softwaregesteuert arbeitete (vergleichbar mit dem System EWS-A von Siemens). ENSAD wurde nur für die UdSSR produziert und soll keine Postzulassung der DDR gehabt haben [160] S.121, [165].
Zentrales Problem war die Bauelementebeschaffung. ENSAD wurde beständig weiterentwickelt, ich erinnere mich an Kollegen Arnold Rost von der Abteilung VT, der eine ENSAD-Karte zum siebenten mal mit neuen Bauelementen zu realisieren hatte. Im Tausch gegen Erdöl wurde ENSAD zwar in großem Umfang, aber hauptsächlich für den Export in die Sowjetunion produziert. 139 ENSAD-Zentralen wurden von Robotron und Fernmeldewerk Arnstadt ausgeliefert.
Nun kann man Transistoren nicht als direkten Ersatz für Relais nutzen, sie haben nichtlineare, "krumme" Kennlinien und würden durchlaufende Gespräche viel zu stark stark verzerren.
Vorab hat man das Analogsignal mit Analog-Digitalwandlern (ADC) zu digitalisieren. Aus einem Abtastwert (der momentanen Höhe des Analogsignals) werden nun 8 Bit, die sehr viel schneller übertragen werden können. Abgetastet wird noch heute mit 8 kHz und 8 Bit. Pro Telefonkanal und pro Richtung sind damit 8x 8kHz = 64 kb/s (Kilobit pro Sekunde) zu übertragen.
Da auf einer Leitung sehr viel mehr als 64 kb/s übertragen werden können, schachtelt man viele Gespräche ineinander, die Pulscodemodulation (PCM) entstand zunächst als Übertragungstechnik insbesondere zwischen Vermittlungszentralen. Je nachdem, wieviele Kanäle pro Leitungspaar übertragen werden können, spricht man von PCM30, PCM120, PCM480, PCM1920 usw.
Damit spielte die PCM auch in der Vermittlungstechnik sofort eine entscheidende Rolle. Betrachten wir viele PCM-Leitungen, so ist ein Gespräch dort genau auf einer Leitung (Raumlage) und dort wieder genau in einem Zeitabschnitt (Zeitlage) zu finden.
Eine innovative, völlig neue Art von Vermittlungstechnik entstand. So braucht eine Fernzentrale mit 100 kommenden und 100 gehenden PCM30- Leitungen ~ 3000 laufende Gespräche für etwa 10.000 Anschlüsse (AE) plötzlich nur noch die Raum- und Zeitlagen der Kanäle zu vertauschen, um Gespräche zu vermitteln.
Um Kosten zu sparen, versuchte man (wie wir heute wissen) in der Vermittlungstechnik recht erfolglos, Entwicklungen im Rat für gegenseitige Wirtschaftshilfe (RGW) abzustimmen.
Im RGW favorisierte man zentral gesteuerte Anlagen mit PCM32-Multiplexer der Art Siemens EWSD [143]. Diese setzten sich letztlich auch durch.
In der DDR glaubte man an den Erfolg des dezentral organisierten System 12 von ITT/Alcatel mit digitalen ISDN-Telefonen [146].
Mit dem digitalen ISDN-Anschluß (Basic-Rate-Interface BRI) des Telefons [147] liebäugelten EWSD [143] und System 12 gleichermaßen. Allerdings erwies sich eine digital-Umstellung von 3,3 Millionen bislang analoger Teilnehmerapparate (DDR 1983) als volkswirtschaftlich undenkbar. Auch ist dem Autor bis heute kein DDR-Telefon bekannt, das einen digitalen ISDN-Anschluß (Zwei- oder Vierdraht, UK0 oder S0) geboten hätte [147].
Allerdings gab es noch vor dem Ende der DDR einen ersten ISDN-Call. Rolf Siemon verließ das INT 1988 und ging ins IIR (Institut für Informatik und Rechentechnik der AdW). Auf Basis seiner Dissertation hatte ein Kollege dort einen multifunktionalen ISDN-Schaltkreis entwickelt (persönliche Kommunikation).
Nach ENSAD [160] S.121, [165], [56] - einer halbelektronischen Großzentrale mit Reed-Relais - und parallel zu westlichen Entwicklungen wie Siemens EWSD [143] oder ITT/Alcatel System 12 entwickelte eine kleine Systemgruppe unter Rolf Siemon im größten Bereich des INT für Vermittlungstechnik (Dr. Peter Tietze) ab 1979 ein eigenes, vollelektronisches Vermittlungssystem für große Ortszentralen namens IDN (Integriertes, Digitales Netz), die zum Ausgangspunkt der DVS/DVZ- Zentralen (Kap.10.4) wurden. Anleihen davon waren beim ITT/Alcatel System 12 genommen worden.
Es entsprach in wesentlichen Leistungsmerkmalen dem ISDN. Absehbar in der DDR ungenutzt bleibende Dienstmerkmale, insbesondere die digitale Telefonschnittstelle, blieben ausgeklammert. Es wurde eine Art "ISDN-light". ISDN war im IDN auf für DDR-Verhältnisse realistische Funktionen, insbesondere für den analogen Telefonanschluß reduziert. Vorrangig sollten vorhandene, analoge Telefone unterstützt werden sowie die digitale (PCM-) Anbindung an kleine Zentralen und an digitale (PCM-) Fernzentralen.
Digitale (ISDN-) Telefone standen bis zum Ende der DDR nicht zur Verfügung. Bei diesen befindet sich der Codec/Filter-Komplex im Telefon. Weil das Kapital der Telefongesellschaften in der Erde lag, war man interessiert, vorhandene Zweidrahtleitungen zu nutzen. Eine bidirektionale, digitale ISDN-Zweidrahtleitung hätte nach einer zusätzlichen, speziellen Echokompensation verlangt. Dieses Problem wollte man sich noch ersparen.
Auch stand eine lange Tradition des deutschen Fernsprechwesens im Wege. Bis dahin wurden alle Telefone vom batteriegepufferten Amt gespeist, um auch bei Stromausfall telefonieren zu können. Das war als eine Art "Grundgesetz" unantastbar. Im Gegensatz dazu müssen ISDN-Telefone aus dem Netz gespeist werden. So kann man bei großflächigen Havarien nicht mehr kommunizieren.
Eine Eigenentwicklung war insofern möglich, als die Fachzeitschriften dieser Jahre voll von Artikeln über die Planungen und über die Entwicklung digitaler Netze war, auch die Entwicklungen zum ISDN (mit digitalen Telefonen) konnten von unseren Systementwicklern verfolgt werden, da die INT-Hausbibliothek auch wichtige Westzeitschriften und Bücher führte.
Im Mittelpunkt des Projekts standen aber die analogen Telefone. Millionen von ihnen sollten weiterhin nutzbar bleiben. ISDN-Dienstmerkmale waren für analoge Telefone kaum interessant. Die Integration von Telefon- und Datenverkehr hingegen schon.
Pflichtenhefte für eine IDN-Ortszentrale und drei PCM30-Kunden-Schaltkreise (IEMS, ESES, IKOS) sowie für deren Umfeld waren ab 1979 von Rolf Siemon und Kollegen (Bereich V - Vermittlungstechnik) und Mitarbeitern, wie Thomas Wehren geschrieben worden. Die Funktion der verschiedenen Einheiten, die Schnittstelllen ins Netz und zum Teilnehmer, sowie Aufgaben für die Softwareentwicklung waren definiert. Die Arbeiten begannen an den Schaltkreisen noch 1981. Geistiges Vorbild für die IC-Entwicklung wurden die revolutionären Datenpfad-Architekturen in [26], Kap.4 und 5.
Analog zum System 12 von ITT sollte das zu entwickelnde PCM30/32 Koppelfeld drei kundenspezifische IC besitzen:
Der ungekrönte "Chefentwickler" der drei ICs, Thomas Wehren, kam aus dem Bereich Vermittlungstechnik und hatte bereits an einer diskreten Realisierung eines PCM-Koppelfeldes mitgewirkt.
Das großartige Buch von Carver Mead (Caltech) und Lynn Conway (Xerox Corp.) "Introduction to VLSI-Systems" [26] kam 1981 genau richtig, um die Arbeiten am IDN enorm zu beschleunigen. Dieses Buch brachte eine Revolution in den Designprozess integrierter Schaltkreise. Man denke an das Multichip-Project (MCP, Kap.4), oder an Dave Johannsens OM2-Machine (Kap.5 in [26]). Sie zeigten, wie man Entwurfseffizienz durch Wiederholstrukturen um ein Vielfaches steigern kann. Dr. Karl-Adolf Zech gelang es, das Buch in der DDR zu popularisieren. Der Aufsatz [13] des Autors diente auch dem Anliegen, auf diese Entwicklung in den USA aufmerksam zu machen.
Anmerkungen:
Im Gegensatz zu einer Leiterplatte kann man in einem IC nur ganz wenige Signale beobachten, nämlich die, die auf Pins nach außen geführt sind. Wie aber kann ermittelt werden, welcher Schaltungsteil im Fehlerfall defekt ist? Hier gab ein Mitarbeiter wertvolle Hilfe, der sich Westkontakte nicht verbieten ließ. Dr. Karl-Adolf Zech schulte zum "Design for Testability" [34], [37]. Er kommunizierte privat mit westlichen Wissenschaftlern [38] und ließ sich deshalb auch zu keinerlei Geheimnisschutz verpflichten (jede Geheimnisschutzverpflichtung beinhaltete in der DDR i.a. den Verzicht auf Westkontakte). Er war es, der 1980 auf das alles verändernde Buch von Mead/Conway "Introduction to VLSI-Systems" [26] aufmerksam machte (VLSI: Very Large Scaled Integration).
Nach Mead/Conway sahen digitale, hochintegrierte Schaltkreise anders aus, man vergleiche dazu mit einem IC aus der Zeit vor M/C. Mead/Conway hatten Wiederholstrukturen zur Einsparung von Entwurfszeit popularisiert, vereinfachte Layout-Entwurfsregeln (lambda design tools) eingeführt und die Gatterdynamik strukturiert, siehe [13], [19], [26], [39], [74], [115].
Dr. Zech "Ali" erhielt u.a. auch vom MIT und vom Caltech enorm wertvolle Papers zu Designs für Mikrocontroller, PLA, RAM, ROM, AD-Wandler, Filtertheorie etc. Der von Dr. Zech verfolgte Plan, das Buch von Mead/Conway ins Deutsche zu übersetzen, gelang nicht. Wir hatten viele prominente Befürworter (u.a. auch Dr. Bogk) gefunden, die das Vorhaben aktiv unterstützten. Wir hatten die Kapitel aufgeteilt, meine Kapitel waren bereits übersetzt, da kam die Absage vom Verlag Technik.
Dr. Zech setzte 1981 eine Rezension in die Zeitschrift Messen-Steuern-Regeln "msr" und konnte damit sogar Kontakt zu Carver Mead aufnehmen [144], dem aufgrund des Buches damals wohl bekanntesten Mikroelektroniker der Erde [145]. Das ist etwa so, als würde man heute (2024) Kontakt zu Elon Musk aufnehmen wollen, um fachliche Details über seine E-Autos oder Reketenentwicklungen zu erhalten: Es dürfte kaum jemandem gelingen.
Leider verließ Ali 1983 das INT [43]. Er hatte immer wieder Ärger wegen seiner fachlichen Kontakte in die USA und nach Westdeutschland, zugleich auch wegen seines kirchlichen Engagements (z.B. für "Schwerter zu Pflugscharen"), er gab schließlich auf und ging zum Werk für Sicherungstechnik und Signalbau (WSSB) in der Elsenstraße, welches nach der Wende 1989 von Siemens übernommen wurde.
Mead/Conways Ansätze zur Gatterdynamik wurden weiterverfolgt [20], daraus entstand die Dissertation [45] des Autors.
Ali hatte sich in den Jahren bis 1983 unermüdlich Papers amerikanischer Elite-Universitäten zu neuesten, integrierten Schaltungstechniken, Modellen und Methoden (nSGT, CMOS) zusenden lassen, die für den Aufbau des Entwurfszentrums nützlich waren. Er geriet ins Visier der Staatssicherheit, als er 1980 mit dem Abzeichen "Schwerter zu Pflugscharen" am Arbeitsplatz erschien. Fast wäre der Autor über diese Freundschaft zu Ali gestolpert, auch ein U-Haft Einlieferungsantrag fand sich in meinen Stasi-Unterlagen, siehe dazu [43].
Nun lebte der Vater des Autors als Arzt in Westberlin. Parteisekretär, Personalstelle, MfS und Abteilung ST hegten permanentes Mißtrauen. So hatte der Autor alle halbe Jahre wieder einen "Kaderbogen" auszufüllen, in den alle Westverwandschaft einzutragen war. Immer wieder wurde er von der Kaderleiterin Frau Pieplow ermahnt, die Adresse des Vaters einzutragen. Meine Mutter hatte den Kontakt zum Vater nach dessen "Republikflucht" 1961 abgebrochen. So hatte auch ich bis zur Wende weder die Adresse, noch Kontakt zu ihm. Auch forderte der Abteilungsleiter ST (Tarnname im Telefonbuch: Bereich S Software, Abteilung T Technik) den Autor bei jedem fachlichen Kontakt freundlich, aber energisch auf, seine Kontakte zu Dr. Karl-Adolf Zech ("Ali") abzubrechen.
Da die Entwicklung kaum Vertraulichkeit besaß (NfD - Nur für Dienstgebrauch), konnte die Entwicklung zwischen beteiligten Entwicklern ungehindert kommuniziert werden. So war es mir dann 7 Jahre später auch möglich, Bilder dieser IC-Eigenentwicklung im Buch "MOS-VLSI-Technik" von Wolf-Dieter Fischer und René Schüffny 1987 zu publizieren, siehe Beitrag und Layouts in der Anlage von [19] sowie [74].
Aber wir hatten zunächst weder geeignete Computer, noch Terminals, noch Plotter (der PC war noch nicht interessant). Zunächst stand nur ein russisch/bulgarischer PDP11-Nachbau KULON mit zwei über eine serielle Schnittstelle angeschlossenen Terminal-Arbeitsplätzen mit grünen Speicherbildröhren zur Verfügung, der mehrschichtig genutzt wurde.
Die Arbeitsbelastung war riesig, Geld fehlte an allen Ecken und Enden. Wie kompliziert die Situation war, zeigt ein Stasi-Bericht [104] von 1982. Allerdings sollte dieser nicht überbewertet werden, denn nur wo gehobelt wird, fallen auch Späne. Oder wie Horst Bosetzky sagte: "Unter jedem Dach wohnt auch ein Ach."
Für die nSGT2-Entwürfe übernahmen wir die Idee der Lambda-Entwurfsregeln von Mead/Conway [26], die auf die nSGT2-Technologie [34] des potentiellen Herstellers der IC, ZFTM Dresden, angepaßt wurden [28], [58], [59], [74]. Mit diesen wurde es möglich, schneller und mit einem gröberen Raster zu arbeiten. Noch lieber hätten wir M/Cs Stick-Layouts genutzt, aber dazu fehlte der Vorlauf in der Software.
Durch die Lambda-Entwurfsregeln sank automatisch die Rate der Layoutfehler und der Entwurf jedes Layouts wurde beschleunigt. Auch wurde die rechentechnische Regelprüfung beschleunigt. Rechenzeit war damals sehr kostbar, die Rechner hatten winzige Hauptspeicher, Plattenspeicher und Rechenleistungen. Man vergleiche dazu die Plotbilder in [19] und [74] mit Vorbildern von M/C [26].
Federführend beim Eigenentwurf von 1981 bis 1984 waren Rolf Siemon (System) und Thomas Wehren (Datenweg-Planung und Layout). Mitarbeiter: Regina Rösener, Arnold Rost, Gerd Heinz u.a., siehe Reste in [19] und
[74].
Bild 31: IEMS-Ausschnitte vom Dezember 1983 aus [19]. Oben: Layoutnaher Logikplan, darunter das Layout. In einer Zusatzebene wurde das Logiksymbol der Datenpfadzelle gespeichert. Um zwischen Layout und Logik umzuschalten, wechselte man einfach die Ebenen. Entwurf: Thomas Wehren, Gerd Heinz, Regina Rösener, Arnold Rost(?), Gerhard Seeger(?).
Bild 32: Genormte Kompositzellen für die Datenpfadarchitektur von IEMS, ISES und IKOS (nSGT2, 1982) aus [74]. Plotts unseres russischen Folienschneiders, der zum Einfarb-Plotter umgerüstet wurde.
Zur statischen Dimensionierung der nSGT-Gatter wurde ein Arbeitsblatt entwickelt. Damit konnten die B/L-Verhältnisse der Enhancement- und Depletion-Transistoren der Gatter effizient bestimmt werden [58], S.12.
Meine Aufgabe bestand darin, die dynamischen Parameter der SRAM-, ROM- und PLA-artigen Datenpfad-Strukturen zu verifizieren. Es war sicherzustellen, daß die Baugruppen nicht zu groß und zu langsam wurden, entsprechende Bit-Verstärkerschaltungen waren zu entwickeln, die Datapath-Dynamik war zu verifizieren, die Schaltungen war dynamisch zu partitionieren.
Leider existiert nur vom IEMS ein Plotbild vom Dezember 1983, das mangels eines eigenen Plotters geplottet wurde im Werk für Fernsehelektronik (WF) nebenan: Download [159] (39 MB).
Die ersten zwei IC (PCM-Sende- und PCM-Empfangsschaltkreis) waren 1983 bereits mit spärlichsten Mitteln (KULON und ESER) bis auf einige Verifikationen fertig entwickelt, einzig der Koppelfeldschaltkreis war noch nicht fertig, als 1984 unerwartet eine von oben verordnete Wende kam.
Vorausgegangen war das Scheitern einer Bilanzierung der drei ICs im ZMD oder FWE auf dem kleinen Dienstweg "von unten". Man hatte keinerlei Kapazitäten im KME, die drei ICs (IDN-PCM Sender, Empfänger und Koppelfeld) in die Produktion überzuleiten.
Zum Verständnis: Ein Vermittlungsnetz, bei dem die Signalübertragung digital erfolgt, wurde auch international als integriertes Digitalnetz (IDN - Integrated Digital Network) bezeichnet. Ein Digitalnetz für verschiedene Typen von Kommunikationsschnittstellen wird als dienstintegrierendes Digitalnetz (ISDN - Integrated Services Digital Network) bezeichnet. Solche Schnittstellen konnten typisch sein:
Die drei Schaltkreise sollten nur die Datenfluß- Funktionen (dataflow) bedienen, die permanent abliefen, nicht aber die Funktionen, die man mit Mikroprozessoren eleganter lösen konnte. Im wesentlichen sollten analoge Teilnehmer und Verbindungen zu Nebenstellen sowie Orts-, wie Fernzentralen über PCM bedient werden.
Leider erfolgte 1984 eine Kehrtwende. Die Schaltkreisentwicklung wurde abgebrochen, mit dem fatalen Ergebnis, daß die Schaltkreise auch für die DVZ2000 nicht rechtzeitig zur Verfügung standen, vgl. Kap.7 und Kap.10.4. Den Verantwortlichen war nicht bewußt, welchen Arbeits- und Zeitaufwand eine IC-Entwicklung mit damaligen Mitteln kostete.
Der Begriff ISDN [147] stand in den 70er Jahren als Abkürzung für "Integriertes Sprach- und Datennetz". Mit internationaler Verbreitung wurde die Abkürzung umgedeutet in "Integrated Service Digital Network" (Dienstintegriertes, Digitales Netz). Kern der Bemühungen war ein einheitlicher Kommunikationsstandard für jegliche Sprach- und Datenkommunikation.
Mit ISDN sollten unabhängige Netze für Telex, Datex (nur BRD), Datenpakete und Telefonie vereinheitlicht werden. Standleitungen für Rechner-Datenaustausch waren extrem teuer und ineffizient. Sie sollten abgebaut werden.
Das parallel entstehende Ethernet (insbes. TCP) war zunächst ausschließlich auf Datenkommunikation ausgerichtet. Unterschiedliche Paketgrößen machten es für den Sprachtransport ungeeignet. Die Wiederholung der Übertragung bei Übertragungsfehlern führte bei Sprache zu Blockaden. Das Problem wurde für Sprache mit VoIP [166] erst durch UDP gelöst.
Die Eigenentwicklung des IDN [19], [74], unserer abgespeckten Version des ISDN war auf dem besten Weg, als eine kombinatsweite Kehrtwende erfolgte: Angeblich, um keine Alleingänge im RGW zu riskieren, wollte man auf den ITT/System12-Standard (incl. ISDN) [147] aufspringen.
Später stellte sich heraus, daß man im RGW (Rat für gegenseitige Wirtschaftshilfe der sozialistischen Staaten) auf Siemens EWSD [143] gesetzt hatte. Doch das nur am Rande.
ITT/System12 war ein proprietäres System. Es existierten weder detailierte Veröffentlichungen zur Funktion, noch open-source Software oder Hardware, noch Datenblätter der speziellen Schaltkreise oder Dokumentationen zu Leiterplatten.
Unter höchster Geheimhaltung wurden Schaltpläne (VVS, GVS) zum System 12 beschafft und an wenige, speziell GVS-geheimnisverpflichtete Mitarbeiter übergeben.
Ein neuer Bereich "Digitale Vermittlungstechnik" wurde unter Leitung von Dr. Ingomar Krahl geschaffen und ein Neubau in der Allee der Kosmonauten wurde errichtet. Dort sollte die DKS-Zentrale (DKS: Digitales Kommunikationssystem) entstehen.
Ein neu geschaffenes "Ministerium für Wissenschaft und Technik" (MWT) förderte die Koppelfeld- Schaltkreisentwicklungen mit 18 Mio. DDR-Mark mit einer Laufzeit von drei Jahren (1984 bis 1987). Zum Projektleiter wurde der Autor bestellt.
Damit kam dringend benötigte Rechentechnik an, die beim Eigenentwurf noch vollkommen fehlte (EC1040, PDP11, Drucker, Plotter, VAX 11/780 [168], Tektronix Workstations 4113/4114 etc.). Sämtliche Geräte waren damals über serielle Schnittstellen verbunden (RS232). Geeignete Software erhielten wir vom Funkwerk Erfurt (MME), vom Halbleiterwerk Frankfurt/Oder, vom ZKI-Dresden und vom ZMD (ZFTM).
Im Projekt DVS-Schaltkreise (DVS: Digitales Vermittlungssystem, später DKS) sollten die drei Koppelfeldschaltkreise (siehe Kap.7) entwickelt werden. Schlußendlich sollten die eigenen Schaltkreise in eine zu produzierende Zentrale DKS (siehe Kap.10.5) eingebaut werden. Damit sollte Zeit eingespart werden, wenn Software und Hardware weitgehend parallel entwickelt werden können.
Soweit die Theorie. Die Praxis aber sah anders aus. Für beteiligte Ingenieure bedeutete sie einen kulturellen Bruch, nahezu das Ende eigener Befähigung. Es bedeutete für die Mitarbeiter, vollkommenes Neuland zu betreten und vollkommen von vorn beginnen zu müssen.
Da wir Logikpläne und Layout ohne Funktionsbeschreibung bekamen, war die Funktion der nachzubauenden IC nahezu unbekannt. So wurde aus der Entwicklung ein Ratespiel.
Es bedeutete, Schaltungen von ICs nachbauen zu müssen, die im Detail niemand verstand. Deren Nachbauten konnten nur formal verifiziert werden, indem aus den Logikplänen der ICs Testfolgen abgeleitet wurden. Weder waren eine funktionierende Vorbild-Zentrale, noch Dokumentationen zur Funktion vorhanden, obwohl viele Dokumente im INT in Abt. ED (vormals ST) vorhanden waren, so stellte sich für den Autor jetzt erst heraus.
Der Begriff der "Layoutknechte" wurde geflüstert [104]. Auch brachte die Arbeit unendliche Geheimniskrämerei. Nicht alle Projekt- Gruppen- oder Abteilungsleiter waren VVS- oder GVS-verpflichbar (VVS: Vertraliche Verschlußsache; GVS: Geheime Verschlußsache). Kaum einer wußte alles.
Die GVS-verpflichteten Mitarbeiter aber wußten oft mehr, als die anderern Kollegen und als ihre (fachlichen) Leiter, durften aber darüber nicht reden. Dadurch bekamen Mitarbeiter - aus ihrer Sicht - unsinnige Arbeitsaufträge. Auch wußte man nicht ad hoc, mit wem man im eigenen Hause worüber reden durfte.
So durfte mein Hauptabteilungsleiter meine Abteilung nicht betreten, weil er die nötige Geheimnisschutzverpflichtung nicht hatte. Er durfte das Großraumbüro mit der Rechentechnik nicht betreten, die blieb ihm verschlossen. Ich durfte in der Dienstberatung über den Stand der Arbeiten nicht berichten. Es entstand ein undurchdringliches Kuddelmuddel bei den Entwicklungsarbeiten. Die linke Hand wußte nicht, was die rechte Hand tat.
Hatte man noch dazu Verwandte im Westen, so war man vom erlauchten Kreis ebenfalls in entscheidenden Fragen ausgeschlossen, obwohl man als Projektleiter vielleicht der einzige Fachmann war und ebenfalls eine GVS-Verpflichtung unterschrieben hatte. Genutzt hat dieser Umbruch allenfalls wenigen, ganz speziell geheimnisverpflichteten Mitarbeitern, die keine Fachleute waren.
Speziell verpflichtete Mitarbeiter erhielten bei einer Abteilung mit der mißverständlichen Strukturbezeichnung "ST" (Sonderaufgaben/Technik, drei Mitarbeiter plus Sekretärin, die auf der Gehaltsliste und im Telefonbuch des INT standen) an der Stahltür am Nordende des Ganges an der Wilhelminenhofstraße in der vierten Etage in einem Raum, der nur mit einem Tisch und zwei Stühlen sowie Bleistift und Papier auf dem Tisch ausgestattet war, Einblick in Schaltungsunterlagen, bei denen Passagen geschwärzt waren. Es handelte sich wohl um Originale.
Obwohl der Autor zum Projektleiter "DVS-Schaltkreise" gemacht wurde, bekam er weder umfassenden Einblick in vorhandenes Materiel, noch gelang es ihm, herauszufinden, wer eigentlich welches Wissen hat, da strengster Geheimnisschutz dafür sorgte, daß man nur mit zugewiesenen Mitarbeitern zu reden hatte. Diese waren aber mit Ausnahmen keine Fachleute. Auch der Projektleiter wurde so zur austauschbaren Pappfigur.
Offenbar lagen auch Layoutbilder vor, in die die für einen Schaltkreis verantwortlichen Mitarbeiter Einsicht hatten. Sie wußten, wie das Layout zusammenzusetzen war, damit die Pins der gerade entworfenen Zelle zu benachbarten Zellen zeigten.
Was noch niemand ahnte: Die Sache entwickelte sich zum Albtraum für alle Beteiligten. Jeder machte Dienst nach Vorschrift. In der Abteilung des Autors wurden die drei Schaltkreise identisch zu den vorliegenden Logikplänen entwickelt - ohne zu wissen, wie sie funktionieren. Im Bereich Digitale Vermittlungstechnik wurden die formal Leiterplatten und die Software entwickelt, ohne die Funktion testen zu können: Man hatte dafür weder die Schaltkreise noch eine Vorbildzentrale.
Siehe dazu Kapitel 7 und Kapitel 10.5.
Um zunächst den Begriff zu klären: Hier soll es um den Anschluß der alten, analogen Telefone an digitale PCM-Vermittlungszentralen gehen, nicht um einen digitalen ISDN-Teilnehmerapparat.
Zunächst ist der klassisch-analoge Teilnehmeranschluß zu digitalisieren. Aus dem Analogsignal der Sprache ist jeder analoge Abtastwert mit einem Coder/Decoder CODEC in ein Byte (8 Bit) nach µ-Law oder A-Law logarithmisch zu kodieren und umgekehrt.
Weil das analoge Telefonsignal mit 8 kHz abgetastet wird, entsteht eine effektive Datenrate von 64 kb/s (Kilobit pro Sekunde). Diese wird allerdings sogleich als PCM30/32-Wert ausgegeben mit 64 kb/s · 32 = 2,048 MHz in passender Zeitlage, deren Wert (Zahl von 0 bis 31) in der Anschlußsteuerung (KD310) gespeichert ist und die von der Zeitlagensteuerung (U1021) realisiert wird.
In der Zentrale (Nebenstelle oder Ortszentrale) werden schließlich mit einem Multiplexer je 32 CODEC-Bytes zusammengefaßt in einem PCM-Rahmen (Frame).
Passiert die Analog-/Digitalwandlung in der Vermittlungszentrale, so können weiterhin analoge Telefone angeschlossen werden. Geschieht sie erst im Telefonapparat, so können nur digitale Apparate (ISDN) angeschlossen werden.
Bild 41: Prinzip der Analog-digital Wandlung beim Teilnehmeranschluß. SLIC: B384 bis B387; NF-Sprachbandfilter U1001; Coder/Decoder (CODEC) U1011; STS: Teilnehmer-Anschlußsteuerung KD310 (I²L auf Master ID30 des HFO), ZLS: PCM-Zeitlagensteuerung U1021. Linien: Rot: Analogsignal; Blau: Digitalsignal. Der IASS U1550 (ab 1985) vereinte die Funktionen von Anschlußsteuerung (STS KD310) und PCM30-Zeitlagensteuerung (ZLS U1021). Siehe dazu auch detailierte Chipanalysen von Richard Kaussler unter [111].
Um die in der DDR vorhandenen, analogen Telefonappparate auf Basis der Schaltungstechnik des Standard-Telefons W38, oder dessen Nachfolgern W58 oder W63 anschließen zu können, wurde unter Federführung von Uli Manicke [102] der Teilnehmer-Anschluß, bestehen aus CODEC/FILTER und Subscriber-Line-Interface-Circuit (SLIC, Komplex B38x) entwickelt.
Bild 42: Prinzip des PCM- Teilnehmeranschlußes, und Ausführung für vier Teilnehmer, Quelle [107]. Links befindet sich die analoge Schnittstelle zum Telefon, rechts die digitale PCM-Schnittstelle zur Zentrale.
Je höher die Spannung auf der Telefonleitung ist, je länger kann die Anschlußleitung sein. Gefordert waren für Deutschland 60 Volt, für Sibirien 120 Volt, erreicht wurden 90 Volt. Für die Schaltkreise B384 bis B387 war im HFO eine spezielle, bipolare Hochvolttechnologie entwickelt worden, die damals international zu den Spitzentechnologien zählte. Wenn ich mich recht erinnere, war es der erste SLIC ohne Übertrager (Transformator) weltweit.
Um das Sprachsignal zu digitalisieren, war ein Coder/Decoder (CODEC) zu entwickeln, siehe Datenblatt [66]. Dieser setzte ein bandbegrenztes Sprachband voraus. Dazu wurde ein Bandpaßfilter (300 Hz bis 3,2 kHz) erforderlich, um unterhalb der halben Abtastrate (die PCM Abtastrate war 8 kHz) steil "zuzumachen" und Netzbrummen (50 Hz) nicht durchzulassen, siehe Datenblatt [66] und Analyse [111].
Das Prinzip des einfacheren, ohne NF-Filter auskommenden Ein-Bit-ADC, des Delta-Sigma-ADC, der mit extrem hoher Überabtastung und mit einem einfachen RC-Tiefpaß als interner NF-Filter auskommt, setzte sich erst etwa 10 Jahre später weltweit durch.
Mit einer nichtlinearen 8-Bit Quantisierung nach µ-law oder A-law entstehen im CODEC aus einem Sprachkanal 64 Kilobit pro Sekunde (8 Bit pro Sample, 8 kHz Abtastrate, Sprachband bis 3,2 kHz). Die nichtlineare Quantisierung wird gebraucht, um nur 8 Bit pro Sample übertragen zu müssen. Zur Verarbeitung wird das 8-Bit Signal intern logarithmisch auf 13 Bit (+/- 4096 Werte) gedehnt. Der CODEC ist in der Lage, pro Sample ein Pulspaket von 8 Bit mit 2,048 MHz auszugeben. Mit der Zeitlagensteuerung (ZLS) kann damit direkt ein PCM32-Datenstrom zusammengesetzt werden, siehe [66], [111].
32 solcher digitalisierten Sprachkanäle werden auf einer Busleitung als PCM32 zusammengefasst. Zwei Kanäle davon übertragen Steuerinformationen. Sie werden als Dienstkanäle bezeichnet. Daher die Bezeichnung PCM20/32.
Pro Adernpaar können mit PCM30/32 zwischen Ortszentralen (OZ) und Nebenstellen (NZ) 15-mal mehr Daten ausgetauscht werden als mit bidirektionalen, analogen Leitungen (PCM30/32: z.B. 30 im Hinkanal, 30 im Rückkanal, je zwei sind Dienstkanäle). Der CODEC arbeitet auf der Digitalseite mit Datenraten von 64 kb/s bis 2 Mb/s. Der Zeitschlitz im PCM-Rahmen wird von der Zeitlagensteuerung (U1021, später U1550) vorgegeben, siehe [102].
Um analoge Telefone über große Entfernungen treiben zu können, wurden die Hochvolt-Schaltkreise des Subscriber-Line-Interface-Circuits (SLIC) Komplex entwickelt. Der SLIC-Komplex besteht aus vier IC ( [87] bis [90]) und vereinte bis auf Coding die sog. BORSCHT-Funktionalitäten, bestehend aus:
Gesteuert wurde die Teilnehmerschnittstelle über die Steuerschaltkreise (STS) KD310, später über den U1550, der zusätzlich auch die Zeitlage steuerte und auch den U1021 ersetzte.
Bilder der Zentralen, in denen die Schaltkreise genutzt wurden, finden sich in Kap.10 sowie hier: [48], [49], [50], [51], [52].
Bild 43: Erste, im INT entwickelte Schaltkreise für digitalen Teilnehmeranschluß. Oben: NF-Sprachbandfilter U1001, Coder/Decoder U1011, Teilnehmersteuerung U1550 alias U1500PC050. Unten: Subscriber-Line-Interface Circuits SLIC-Komplex B384 bis B387 (Archiv Dr. Volker Tüngler).
Wie in Kap.8 beschrieben, ersetzte der U1550 (U1500PC050) ab 1985 die Funktionalität der Schaltkreise KD310 und U1021.
Am 15.5.1980 fand im INT die Eröffnungsverteidigung zum CODEC/Filter Komplex unter Uli Manicke statt (Nachruf siehe [105]) . Am 28.5.1980 hielt Uli den ersten Vortrag über das geplante Konzept (persönliche Notizen siehe [102]).
Für den Entwurf der IC standen Helmut Teubner, Gerhard Klinger, Petra Schulze und Jürgen Funke. Chipfotos von Richard Kaussler verraten, daß das Layout wohl überwiegend im ZMD entstand, [111]. Die auf dem Chip zu findenden Initialen PK oder KP oder dK oder Kd verweisen darauf. Sie sind dem INT-Telefonbuch nicht zuordenbar.
Die Schaltkreise erledigten die Niederfrequenz-Bandbegrenzung (U1001), die analog-digital-Wandlung (U1011), die Zeitlagensteuerung (U1021) und die Einordnung des Samples in einen PCM30/32 Datenstrom (U1021). Die damals neueste Technologie der geschalteten Kapazitäten (Switched Capacitor) verlangte Anstrengungen zu Simulation der Schaltungen auf Transistorniveau, [111].
Technologiestandard war die CSGT2 (Complementary Silicon Gate Technology). STADYNET-Transistormodelle [30], [40], [81] für die Simulation kamen vom ZMD (Herr Podsziech) und wurden auf eigene Genauigkeitsbedürfnisse zugeschnitten.
Siehe auch die Datenblätter von U1001, U1011, U1021 in [103] und [66]; Reste des Transistormodells [65] sowie eine Beschreibung der Technologie unter [18]. Der TGL-Standard ist vom U1001 verfügbar unter [91].
Die Schaltkreise Codec und Filter (U1011 und U1001) waren wohl die einzigen IC der DDR, die im RGW nachgebaut wurden. Bei einem Besuch des ESVT-Chefentwicklers Dr. Ingomar Krahl bei VEF in Riga wurden ihm 1989 die (durch INT nicht genehmigten) Nachbauten stolz präsentiert, so berichtete der Hauptabteilungsleiter EVT, Bernd Gansert.
ESVT: Einheitliches System Vermittlungstechnik des RGW, oft auch als ESEN (Einheitliches System elektronischer Nachrichtentechnik) abgekürzt.
Bilder der Zentralen, in denen die Schaltkreise genutzt wurden, finden sich hier [48], [49], [50], [51], [52].
Ein Mathematiker im INT, Dr. Karl-Adolf Zech "Ali", nahm die beginnenden CMOS-Bemühungen zum Anlaß, in der Freizeit ein Programm zur Synthese von CMOS-Transistorschaltungen ausgehend vom gewünschten Gattertyp zu entwickeln, [36].
Parallel dazu erfolgte im ZMD, assistiert von Helmut Teubner's Arbeitsgruppe im INT, die Entwicklung erster sog. "Standardzellen" für CMOS-Grundgatter, siehe den allerersten U1500-Standardzellkatalog des ZMD von 1982 in [35] und [18]. Mit dem Standardzellansatz wurde die Synthese recht schnell überholt.
In Verbindung mit PLA-artigen Strukturen setzte sich der Standardzell-Entwurfsstil für ASIC-Entwicklungen weltweit durch, weil Entwurfszeit für das Layout einspart werden konnte und weil recht schnell einfache, automatische Verdrahtungsprogramme für Standardzellen entwickelt werden konnten.
Bild 44: U1001 NF-Filter [91] - Antialiasing-Filter 300 Hz ... 3,4 kHz mit geschalteten Kapazitäten. Gehäusefoto von Rüdiger Kurth. Hintergrundfoto von Richard Kaussler. Siehe auch seine hervorragende Analyse in [111]. Layout: ZMD (PK oder dK?). Simulationen und Verifikationen: Helmut Teubner, Gerhard Klinger, Petra Schulze, Jürgen Funke; Systementwurf: Uli Manicke u.a.. Erster CMOS-Vollkunden IC der DDR, 1983 (ASIC).
Bild 45: U1011 Codec (Coder/Decoder 8Bit, A-law ITU G.711) mit geschalteten Kapazitäten. Gehäusefoto von Rüdiger Kurth. Hintergrundfoto von Richard Kaussler. Siehe auch die hervorragende Analyse in [111]. Layout: ZMD. Simulationen und Verifikationen: Helmut Teubner, Gerhard Klinger, Petra Schulze, Christhard "Otto" Landgraf; System: Ulrich Manicke u.a.
Bild 46: U1021 - PCM30/32 Zeitlagen- Steuerschaltkreis (ZLS) und Gehäuse. Chipfoto von Richard Kaussler. Gehäusefotos von Rüdiger Kurth/ Richard Kaussler. Layout: Jürgen Funke, Petra Schulze u.a.. Man erkennt, daß der Entwurf aus miteinander verdrahteten "Standardzellen" (CMOS-Gattern) besteht. Siehe auch eine Analyse von Richard Kaussler unter [111].
Mit dem U1021 entwickelte sich in den Jahren von 1981 bis 1983 gleichzeitig der Standardzellkatalog U1500 des ZMD, siehe [35]. In der Quelle ist noch der komplette Satz von Entwurfsregeln (auch für das aktive Gebiet etc.) enthalten. Später war es kaum noch möglich, eigene Standardzellen zu entwerfen und in einen zu entwickelnden Schaltkreis einzubringen.
Nach 1985 war der Entwurf nur noch als Logikplan abzugeben (in der Netzbeschreibungssprache "NBS-84"). Man konnte Rechenzeit bei ZMD buchen am Entwurfssystem "DESDV". Der ASIC U1550 (Kap.8) bestand dann erstmals ausschließlich aus Standardzellen, auch für I/O-Baugruppen. [113], [118], [121].
ZMD entwickelte sich mit dem U1500-System zum DDR-Produzenten von anwendungsspezifischen IC (ASIC: Application Specific Integrated Circuit).
Der Entwurf des U1021 wurde zwar fast auf der Ziellinie vom U1550 überholt, siehe Kap.8, ging aber dennoch in die Zentralen OZ100 und NZ96 ein, deren Entwicklung schon ein wenig zu weit fortgeschritten war. Siehe auch die Analyse von Richard Kaussler in [111].
Um analoge Telefone über große Entfernungen treiben zu können, wurden die Hochvolt-Schaltkreise (bis zu 90 Volt) des SLIC-Komplex (Subscriber Line Interface Circuit ~ Teilnehmeranschluß) entwickelt [87], [88], [89], [90].
Der SLIC mit den IC B384 bis B387 vereinigte bis auf Coding die BORSCHT-Funktionalitäten, bestehend aus:
Battery Circuit, Overvoltage Protection, Ringing, Signaling, Coding, Hybrid coil (Gabelschaltung), Testing.
Im HFO entwickelte man für den SLIC-Komplex eine spezielle bipolare Hochvolt-Technologie mit Isoliergräben. Detlev Rösener und Klaus Gräf (geb. Leder) wurden zu Pionieren der anspruchsvollen Schaltungstechnik der SLIC-Schaltkreise. Uli Manicke war auch hier der Mentor. Mit den Schaltkreisen gelang es, alle analogen Hochvolt-Aufgaben bis zu 90 Volt ohne Trafos und ohne Relais zu lösen. Siehe dazu auch [21] und [107].
Bilder der Zentralen, in denen die Schaltkreise genutzt wurden, finden sich in Kap.10 sowie in [48], [49], [50], [51], [52].
Bild 47: B384D Spannungsversorgung für Telefon [87]. Modellbildung, Simulation, Layout: Detlev Rösner, Klaus Leder, Systementwurf: Uli Manicke u.a. Hintergrundfoto von Richard Kaussler. Siehe auch seine hervorragende Analyse in [111].
Bild 48: B385D Testschaltung Telefon [88]. Modellbildung, Simulation, Layout: Detlev Rösner, Klaus Leder, Systementwurf: Uli Manicke u.a. Siehe dazu auch detailierte Chipanalysen von Richard Kaussler unter [111].
Bild 49: B386D Speiseschaltung Telefon [89]. Modellbildung, Simulation, Layout: Detlev Rösner, Klaus Leder, Systementwurf: Uli Manicke u.a. Siehe dazu auch detailierte Chipanalysen von Richard Kaussler unter [111].
Bild 50: B387D Analogprozessor für den Teilnehmeranschluss [90]. Man erkennt links unten die I²L-Logik zur Steuerung. Modellbildung, Simulation, Layout: Klaus Leder, Systementwurf: Uli Manicke u.a.. Layout und Fotos von Klaus Gräf, geb. Leder. Siehe dazu auch detailierte Chipanalysen von Richard Kaussler unter [111].
Zur Erhöhung des Integrationsgrades wurde etwa ab 1985 ein zweiter SLIC-Komplex als "SLIC-B" im VEB Fernmeldewerk Leipzig (FML) entwickelt. Dieser zeichnete sich durch eine Erhöhung des Integrationsgrades aus, statt 4 fanden 8 Teilnehmeranschlüsse auf einer Leiterkarte Platz.
Das FML wurde 1980 zum Stammbetrieb des VEB Kombinat Nachrichtenelektronik, dessen Forschungszentrum war das INT. Offenbar weil die Berliner Entwicklungskapazitäten im INT nicht ausreichten (wahrscheinlich aufgrund fehlender Räume und Rechentechnik), wurde auch mit Unterstützung des INT im FML (u.a. hielt der Autor Schulungskurse zu allen Fragen des IC-Designs für FML) ein zweites ASIC-Entwurfszentrum im Kombinat (aus den Abteilungen EE2 unter Helmut Kunze und EK34 unter Rudolf Wagner) aufgebaut.
Bild 51: SLIC Board Controller (SBC2000) als U1520PC201M (Plastgehäuse) und U1524FC201M (Keramikgehäuse). Der ASIC (U1500 Standardzelle CSGT2S des ZMD) war für die Ansteuerung von 8 SLICs und den dazugehörigen SLACs (Subscriber Line Audio-Processing Circuit, Vorbild AM7901) auf der Teilnehmerkarte "SLIC B" des FML vorgesehen. Simulation, Layout: Frank Ilchmann (INT), Systementwurf: Wilkin Rohr (INT/FML). ZMD-Betreuer Herr Kliemank. Layout und Fotos von Wilkin Rohr.
Bild 52: SLIC-B Karte für 8 analoge Teilnehmer für die DVZ2000 aus Leipzig. Man erkennt pro Spalte von unten nach oben die SLIC-B ASICs: U3852, B3862, B3872 und den zugekauften SLAC AM7901. Links unten befindet sich ein ZMD-IC ohne Bezeichnung. Es handelt sich um den SLIC-Board-Controller SBC2000 (U1520PC201M). Vielen Dank für das Foto an Dr. Hans-Joachim Lautenschläger und an Wilkin Rohr für die Zuarbeiten, beide ehemals FML.
Wilkin Rohr aus dem FML schreibt zum SLIC-B-Komplex:
Bleibt nur noch die Frage nach Datenblättern von SLIC B. Möglicherweise waren diese bis zum Ende der DDR noch nicht geschrieben? Wer weiß mehr dazu? Bitte meldet euch! Jeder Hinweis kann nützlich sein."Aus Berlin stammen die IC B384 bis B387... = SLIC A. Aus Leipzig stammen die IC U3852 bis B3872... = SLIC B mit völlig anderem Konzept. SLIC B wurde ab Anfang der 80er Jahre in Leipzig, Abteilung EE2 (Helmut Kunze), entwickelt und war für DVZ2000 vorgesehen. Die gezeigte Leiterplatte stammt aus Leipzig. Außer den ASICs erkennt man z. B. Grob- und Feinschutz, das Wickelteil als Bestandteil des besonders steilen Filters für 16 kHz-Gebührenimpulse und insgesamt eine überschaubare Anzahl diskreter Bauelemente. Als Signalprozessor SLAC sollte ein AM7901 als Vorbild dienen. Auf der Teilnehmerkarte im Bild sind noch die AMD-Vorbildtypen bestückt.
SLIC B wurde einschließlich der ASICs maßgeblich in der Entwicklungsabteilung EE2 im Nachrichtenelektronik Leipzig für DVZ2000 entwickelt. Ich habe in dieser Abteilung analoge und digitale (I²L) Anteile für den B3872 (HFO) erarbeitet. Wichtige Ziele für SLIC B waren die Erfüllung der physikalischen Forderungen für den Export (UdSSR, ...) sowie die Reduzierung der Anzahl von Bauelementen. Als Anlagen füge ich Bilder der genannten ASICs und der Teilnehmerkarte mit SLIC B an.
Nachdem die Entwicklung DVZ2000 ins Stocken gekommen war, führten wir Untersuchungen am SLIC A durch, mit dem Ziel der Stabilisierung. Oft war Herr Manicke bei uns zu Gast. Bei den Untersuchungen am SLIC A fiel mir an einigen Exemplaren auf, dass es nach längerer Betriebsdauer zu Ausfällen kam. Innerhalb weniger Minuten liefen die Speiseparameter völlig aus dem Ruder. Bei der Fortsetzung der Untersuchungen am nächsten Tag zeigte sich, dass die Parameter wieder stimmten. Ich glaube mich außerdem zu erinnern, dass es beim SLIC A erforderlich war, auf Grund von Prozessschwankungen im Halbleiterprozess die Kanäle individuell abzugleichen.
Schwierig schien es auch zu sein, Störungen und Verkopplung durch die Transverter zu unterdrücken. Für SLIC B war für die Speisung deshalb die Zuführung einer hohen Gleichspannung vorgesehen, die zentral zu erzeugen war. Leider waren die technologischen Voraussetzungen damals nicht gegeben, um auch mit SLIC B erfolgreich zu sein."
{Anm. GH: SLIC A wurde in vielen tausend Exemplaren in den Zentralen OZ100, NZ96 und NZ400 eingesetzt, diese Probleme waren offenbar beseitigt.}
Über den Schaltkreis KD310 wird die komplette Teilnehmerschaltung gesteuert. Im VEB Nachrichtenelektronik Leipzig / Fernmeldewerk Neustadt-Glewe entstanden damit die ersten vollelektronischen Nebenstellenzentralen NZ96 [50] für 96 Teilnehmer und NZ400 [51] für bis zu 384 Teilnehmer. Die ersten zehn Anlagen der elektronischen Vermittlung ENA64 (NZ400-64) wurden 1986 für die NVA im VEB Fernmeldewerk Neustadt-Glewe produziert [92], [93]. NZ96 wurden ebenda wahrscheinlich auch ab 1986 produziert [50], [94]. Parallel dazu entstand die erste, digitale Ortszentrale OZ100 [48], [49], [77], [78] für 100 (96) Teilnehmer auf Basis eines U880 (Z80) Mikrocontrollersystems. Im Fernmeldemuseum Dresden kann das letzte, funktionierende Exemplar der OZ100 besichtigt werden. Gegenüber den Nebenstellenzentralen (NZ96 oder NZ400) ist bei der OZ100 der SLIC-Komplex vollständig vorhanden. Siehe dazu [2], [48] und [49].
Der KD320 war für die Fehlerortung in unbemannten PCM480-Ämtern und in PCM480-Regeneratoren entwickelt worden. Bilder der PCM-Ämter, in denen der KD320 genutzt wurde, finden sich in Kap.10 sowie hier [53], [55].
Beide IC, KD310 und KD320 waren auf einem digitalen ISA Master (ID30, SBC mit 490 I²L-Gattern) entwickelt worden ([9], [57]), lange bevor 1985 die CMOS Standardzell-Linie des ZMD U1500 zur Verfügung stand (deren erster IC war der U1550, siehe dort). Der KD310 muß bereits gegen 1983 fertig gewesen sein, anders ist dessen Einsatz in allen Zentralen außer DVZ2000/DKS nicht zu erklären.
Zu beiden Schaltkreisen KD310 [107] und KD320 existieren auch Kurzbeschreibungen, siehe [21], [108].
Bild 61: KD310 Teilnehmer-Steuerschaltung für digitale Zentrale OZ100. Layout: Martin Dinter; Simulation und Überführung ins HFO: Dietmar Warning; Testadapter Dr. Eberhard Kühn; Testfolgen für Tester T2000 Olaf Hamann; Systementwurf: U. Manicke u.a. Siehe auch eine Chipanalyse von Richard Kaussler unter [111].
Bild 62: DK410 - die an den genormten Namensraum (D für digital und K für Kunden-IC) angepasste Bezeichnung des KD310 vom März 1989, siehe auch die Aufdruck-Konventionen.
Bild 63: KD320 Fehlerortungs-IC für PCM480. Layout: Volker Tüngler, Testadapter und Testfolgen für Tester T2000 Olaf Hamann, Systementwurf: Uli Manicke u.a.
Wie schon erwähnt, wurde der Eigenentwurf eines Integrierten, Digitalen Netzes (IDN) zugunsten der Kompatibilität mit dem im NSW (Nichtsozialistisches Wirtschaftsgebiet) parallel entstandenen ISDN aufgegeben. IDN gab es weltweit einige, Vorreiter war die Schweiz. Hier wurden ein Dutzend unterschiedlicher PCM-Zentralen installiert mit der Folge, daß die Schweiz in den folgenden Jahren Weltmarktführer bei der Systemanpassung wurde.
ISDN war mit funktionellen Dienstmerkmalen des digitalen Telefonanschlusses überfrachtet, die in der DDR nicht gebraucht wurden (unsere Entwickler nannten es eine "eierlegende Wollmilchsau"), aber westliche Elektronikzeitschriften waren voll davon. ISDN machte das Rennen damit auch für das DVS des INT. Einen Nutzen brachte ISDN eigentlich nur für eine sehr beschauliche Anzahl digitaler Teilnehmer (kleine Nebenstellen), bei denen sich der SLIC/CODEC/FILTER-Komplex im Telefonapparat befand. Diese gab es aber bis zm Ende der DDR nicht.
Die im INT entwickelten Schaltkreise waren pinkompatibel zum Alcatel/ITT System 12, Basis war PCM30/32 mit allen ISDN-Dienstmerkmalen.
Im ESEN/ESVT des RGW entschied man sich allerdings bis 1989 gegen ISDN, man sah die Kosten/Nutzen-Relation als viel zu schwach an, weil Millionen analoger Apparate existierten. Hier wurde EWSD [143] von Siemens favorisiert. Auch bei den Zentralen OZ100, NZ96 und NZ400 verzichtete man auf unnötige ISDN-Dienstmerkmale.
Die Entwicklung von ISDN-Telefonen stand nach Recherchen des Autors erst im Zeitraum nach 1990 auf dem Plan. Damit hätte es digitale Zentralen mit digitalem ISDN-Teilnehmeranschluß gegeben, die nur mit westlichen, digitalen ISDN-Telefonen hätten sinnvoll betrieben werden können.
Bild 71: Im INT entwickelte Schaltkreise für DVS-Zentralen und für unbemannte PCM-Ämter. Die IC U1500DC007 und U1500FC008 können nicht mehr zugeordnet werden. Stattdessen finden sich auf dem Träger zwei Chips U1503 alias U1500PC003. Wer erinnert sich noch? Bitte hilf mit!
Wie in Kap.32 ausgeführt, handelte es sich bei diesem zweiten Entwurf der PCM30-Koppelfeld-IC um einen pin- und funktionskompatiblen Nachbau von ISDN-Schaltkreisen des "ITT System 12" (ITT/Alcatel/SEL).
Simulationen für die nSGT2-Schaltkreise U3210, 3220, 3230 (IEMS, ISES, IKOS) erfolgten mit dem [29] LSI-Simulator von Dr. Wolfgang Hecker und Kollegen aus dem Funkwerk Erfurt. Dies war kein klassischer Logiksimulator wie das hauseigene Programmsystem SIMPER (Entwickler Dr. Günter Werrmann, Hans-Henrich Schalldach u.a.) [116], [117], vielmehr wurden schaltende Transistoren direkt als Schalter abstrahiert. Lange Open-Drain-Busverbindungen konnten damit sehr einfach direkt modelliert werden - mit einem klassischen Logiksimulator wie SIMPER verzweifelte man an solchen Stellen, weil Logikplan und Schaltung topologisch nicht mehr übereinstimmten.
Damit wurde eine wesentlich höhere Entwurfssicherheit möglich (auch alle nSGT-Schaltkreise der Prozessorschaltkreise des FWE wurden mit dem LSI-Simulator simuliert). Transistormodelle für die Netzwerksimulation finden sich hier [81], [82] und unter Berücksichtigung von Kurzkanaleffekten für das Technologieniveau 4 (U1600 / U5300) hier [97], [113], [118], [121].
Entwickler-Team: Thomas Wehren, Ralf Ballentin, Detlev Müller, Regina Rösner, Petra Schulze, Winni Semrau, Gerhard Seeger, Frank Mattis, Dietmar Warning, Dr. Lutz Porombka, Ralf Buchmann, Dieter Martin, Peter Schiersch, Dr. Ralf Schumann, Arnold Rost, Lutz Riedeberger, Antje Anton, Andreas Kuchenreuther, Kerstin Herbstleb, Andreas Zelder, Elke Oberthür, Hardy Parus u.a.
Systementwurf: Rolf Siemon, Thomas Wehren, Bernd Gansert
Elektriksimulationen, Gehäuse, Überleitung: Dietmar Warning
Rechentechnik Schaltkreisentwurf: Joachim Kolbaske, Jörg Krüger
Projektleitung Schaltkreisentwicklungen DVS: Gerd Heinz
Chefentwickler DVS: Dr. Ingomar Krahl
Koordination: Dr. Dietmar Bogk (Bereichsdirektor E, ab 1986 Institutsdirektor).
Pin- und funktionskompatibler Nachbau von ITT-System12 Schaltkreisen aus unbekannter Quelle: 5/1985 bis 5/1987 (alle Bilder der Seite).
Projektförderung der IC und der DVS-Zentrale erfolgte ab 1985 mit rund 18 Mio. DDR-Mark über 3 Jahre durch das (neugeschaffene) Ministerium für Wissenschaft und Technik der DDR (MWT).
Arbeitsmittel um 1985: 3x Tektronix Workstation 4113/4114 mit Farbgrafik (Stückpreis damals etwa 300.000 Mark der DDR) und je zwei externen Festplatten a 10 MB, 1x DEC PDP11, 1x Kulon (Nachbau PDP11 mit zwei Arbeitsplätzen mit grüner Grafik-Bildspeicherröhre, modifizierte Tektronix 1014).
Bis zu 32 Entwerfer arbeiteten in vier Schichten (rund um die Uhr). Der Autor erschien auch am Wochenende jeweils zum Schichtwechsel, um Verluste bei der Wissensübergabe zwischen den Teams zu mindern.
Ort der IC-Entwicklungen: INT Edisonstr. 63, dritte Etage etwa in der Mitte des langen Gebäudes mit Sicht auf die Edisonstraße. Um ins Entwurfszentrum zu kommen, war ein erstes Codeschloß zu bedienen. Um in den Bereich der Rechentechnik zu gelangen, war ein zweites Codeschloß zu überwinden. Um zu den Tektronix-Workstations des DVS-Projekts zu gelangen, war das dritte Codeschloß zu öffnen, es handelte sich teils um Embargo-Technik.
Da in DDR-Hochschulen zu wenige Mikroelektroniker ausgebildet wurden, gestattete der damalige Institutsdirektor Dr. Lochmann die Abwerbung [100] interessierter Mitarbeiter aus Abteilungen des INT, deren Betätigungsfelder ihren Höhepunkt überschritten hatten, d.h. die sich bislang mit Reedrelais- und Koordinatenschaltertechnik beschäftigt hatten (ATZ65, ENSAD etc.). Dem Autor kam die Aufgabe zu, entsprechende Umschulungen durchzuführen. Dabei entstanden verschiedene Polylux-Folien [34], [39].
Der Schaltkreisaufdruck ZFTN (INT) weist darauf hin, daß die IC als Vollkunden-IC nicht auf dem freien Markt verfügbar waren. Sie wurden im Funkwerk Erfurt in der Technologie nSGT2 (n-Channel Silicon-Gate) gefertigt. Hier findet sich noch die Übergabe-Direktive [27] für die Produktionsfreigabe vom 14.5.1987 an MME (FWE).
Verwendete Werkzeuge: Layout DS11 (HFO?), Layoutprüfung: LSIDIK [61], Testpattern: LS11 (HFO?), Logik-Syntaxprüfung: LSISYN, Logik-Simulation: LSINET [29], Netzwerksimulation: STADYNET, später NIFAN. Rechenzeit pro IC-Entwurf: Grafik: 350h, VAX: 200h, ESER1040: 80h (Zahlen aus der Übergabe-Direktive [27]).
Bild 72: U3210 "IEMS" PCM-Empfangsschaltung: Thomas Wehren, Regina Rösner u.a. Bilder von Richard Kaussler [111].
Bild 73: U3220 "ISES" PCM-Sendeschaltung: Ralf Ballentin, Petra Schulze u.a. Bilder von Richard Kaussler [111].
Bild 74: U3230 "IKOS" PCM-Koppelfeld: Dr. Lutz Porombka, Gerhard Seeger, Winni Semrau u.a. siehe auch Schaltungsfragmente unter [74] und [80]. Bilder von Richard Kaussler siehe [111].
Bild 75: Trägerstreifen eines 64-Pin Gehäuses dieser Bauart (QUIL64 - Quad In Line). Der Silizium-Chip wird innerhalb des vergoldeten Bereichs auf den Trägerstreifen aufgelötet, gebondet und mit einem speziellen Thermoplast umhüllt. Erst im letzten Arbeitsschritt werden die Brücken zwischen den Beinen ausgestanzt, die Beine werden gekürzt und in Form gebogen.
Für digitale Ortszentralen und Vermittlungssysteme auf Basis PCM30/32 [25] wurden digitale Schaltkreise in der Technologie CSGT2 (Complemantary Silicon Gate Technology) - umgangssprachlich CMOS (Complementary Metal Oxid Silicon) als U1500-Standardzelle [35], [113], [118], [121]) in CSGT2 mit 4 µm Strukturbreite und ab 1985 auch in der Technologie CSGT4 (U1600 Standardzelle mit auf die 1,5µm skalierter Strukturbreite) entwickelt. Siehe auch [18] und [34].
Siehe dazu auch die hervorragenden Fotos der Chips von Richard Kaussler [111]. Leider sind kaum noch Dokumentationen oder Fotos vorhanden. Wer erinnert sich, die ICs eingesetzt zu haben?
Zum U15xx / U16xx Standardzell-System des ZMD
Die Technologie der Standardzellen [35] entwickelte sich weltweit rasend schnell. Ähnlich wie wenn der Entwickler mit TTL-Bausteinen seine Logik aufbaut, benutzt er hier einen Katalog sogenannter Standardzellen. Das sind Logikgatter, Latches, Flipflops, Register, später auch ROM-, RAM- und PLA-Blöcke, siehe Gatterlisten in [121]. Neuerdings werden ganze Prozessor-CPUs ("Core" zB. Cortex M0) oder skalierbare Arithmetikeinheiten (Multiplier, Adder, Filter) als Standardzellen angeboten.
Während der Standardzellkatalog der CSGT-2N [35] noch Nachträge einzelner Zellen zeigt, die speziell für den U1550 (U1500PC050) entworfen wurden (Zellen TM2, TM8, TRIS, RES, ESIA, ASIA, AS2S siehe [35] Seite 5/73), waren solche individuellen Erweiterungen etwa ab 1885 nicht mehr möglich. Der Entwickler hatte ab da nur noch die Möglichkeit, die Verdrahtung (Metall- und Kontaktlayer) zu entwerfen, ein Zugriff auf die Gestaltung des Siliziums (Transistoren) blieb verwehrt. Damit konnte die Fehlerquote im Entwurf deutlich gesenkt werden, die Entwicklungszeiten schrumpften, die Ausbeute stieg. Hintergrund war die Einbindung der Standardzellkataloge in komplexe Software-Entwurfssysteme, die dem Kunden die Layoutarbeit komplett abnahmen, d.h. man arbeitete später nur noch mit Logikplan und Logiksimulator mit DESDV.
In Abhängigkeit von der Qualität der Design-Software verdrahtete der Kunde manuell, oder er übergab seinen Logikplan einem Router und Layoutprogramm. Vom AdW-IMath kam die Netzbeschreibungssprache "NBS-84" [113], [118] , [121], Kap.4.2, S.35 ff. ZMD entwickelte dafür zusammen mit dem AdW-ZKI Dresden ein Entwurfssystem "DESDV". Es kam etwa ab 1987 ausschließlich zum Einsatz. Die hier aufgeführten Entwürfe sind noch manuell entstanden. Die Verdrahtung wurde mit Polygonen im Layouteditor realisiert [35].
Nomenklatur:
Erste IC erhielten eine vierstellige Nummer beginnend mit U15 für die 4µm Technologie CSGT2 oder U16 für die 1,5µm Technologie CSGT4. Da schon beim U15-System verfügbare Nummern (00...99) in kürzester Zeit ausgebucht waren, wechselte man das System. Gegen 1985 folgte auf die U15 zweistellig Chipsize und Gehäusegröße (hier 00, 02, 07, 08), danach folgten zwei Buchstaben für das Gehäuse selbst (hier PC, PF, DC, FC) und als letztes folgte dreistellig die eigentliche Nummer des IC. Siehe auch [118] dazu.
Da Nummern im Vorlauf vergeben wurden, Betreuer wechselten und immer mehr IC-Typen entwickelt wurden, die zu verschiedenen Zeiten eingespeist wurden, entstand ein heilloses Chaos, das heute kaum noch zu entschlüsseln ist. In der Produktion und bei den Kunden entstand Verwirrung, weil die IC nicht in den Bauelementekatalogen des KME auftauchten - es waren ja nur für den Kunden produzierte Schaltkreise. Auch war die ursprüngliche Nummerierung nur vierstellig (z.B. U1501 bis U1503). Jemand hatte dann diese neue Idee und machte daraus ein merkwürdiges Monstrum, wie die Gehäuseaufdrucke mit den alias-Namen beweisen (Fachbereichsstandard TGL 43876). Siehe dazu auch Richard Kausslers Erläuterungen zum U1520-System in [172].
Bild 80: U1550 (U1500PC050) - Integrierte Teilnehmer-Anschluß-Steuerung (IASS) für PCM30/32, vlnr. Chipfoto, Plotbild vom 30.1.1985, ZFTM-Gehäuse vom Mai 1987. Siehe auch Richard Kausslers Analyse in [111]. Siehe auch ein Bild mit hoher Auflösung hier (23 MB). Layout: Jürgen Funke, Petra Schulze, Gerd Heinz; Systementwurf: Rolf Siemon, Uli Manicke, Thomas Wehren, Dr. Detlef Schumann.
Der IASS U1550 ersetzte Anschlußsteuerung (KD310) Bild 61 und die Zeitlagensteuerung (U1021) Bild 43 in einem IC, siehe auch Bild 1011, oben. Nach dem U1021 war es der offiziell erste CMOS-Standardzell-Schaltkreis der DDR. Er war 1984/85 mit dem nun fertigen Standardzellkatalog U1500 des ZFTM in CSGT2 entwickelt worden [35]. Die Verdrahtung der Standardzellen erfolgte noch manuell, d.h. jede Leitbahn wurde noch aus Rechtecken zusammengesetzt, siehe Layoutbild.
Da keinerlei freie Kapazitäten mehr verfügbar waren, erfolgte der Entwurf des U1550 im Jahre 1984 im Rahmen einer Neuerervereinbarung mit den drei Entwicklern. Nur so konnten Überstunden abgegolten werden.
Bild 81: U1501 alias U1500PC001 bzw. U1500CC001 - Primärmultiplexer ~ PCM 120 Sender, [113], [118], [121]. Entwurf: Jürgen Funke, Petra Schulze, Gunther Thielicke, Frank Ilchmann, Christhard "Otto" Landgraf, u.a.. Der IC mit Datumsstempel U8 wurde im August 1986 produziert. Analyse von Richard Kaussler [111]
Vier Primärfolgen (als Primärfolge wird das 2,048-MHz Signal eines PCM 30 Sytems bezeichnet) werden über einen Primärmultiplexer zu einer Impulsfolge von 8,192 Mb/s zusammengefasst und als PCM 120 gemeinsam übertragen (Sekundärfolge).
Bild 82: U1502 alias U1500PC002 bzw. U1500CC002 - Primär- Demultiplexer ~ PCM 120 Empfänger, [113], [118], [121], Analyse von Richard Kaussler [111]
Bild 83: U1503 alias U1500PC003 - Lichtwellenleiter Übertragungs-IC, vermutlich 34 Mb/s für PCM480 [113], [118], [121]. Analyse von Richard Kaussler [111] Leider ist keine Information über die Funktion des IC mehr bekannt. Zwei Inverter-Endstufen auf der rechten Seite deuten auf eine Leistungs- Endstufe hin, die zur Spannungsverdopplung im Gegentakt betrieben wurde. Eine mittig zu sehende Anordnung mit drei Kondensatoren könnte ein Oszillator sein.
Bild 84: U1502PC054, U1500PF054, U1500PC054 PLL-Schaltkreis für UKW-Funktechnik des Funkwerk Köpenick (?), [113], [118],, [121]. Gehäusefotos von Jörg Drobick, [120]
Bild 85: U1507 alias U1501D007 PCM-Meßüberwachung, [113], [118], [121]
Bild 86: U1508 alias U1500PC008 bzw. U1500FC008 PCM30-Leitungsendeinrichtung (Pufferspeicher, Fehlerüberwachung, HDB3 Coder/Decoder), [113], [118], [120], [121]
Bild 87: U1509 alias U1500DC009 Adreßdekoder (PCM30 Fehlerortung, Schleifenschaltung),
[113], [118], [121]
Bild 88: U1520FC201 Anschlußsteuerung für Analogteilnehmerkarte in digitalen Vermittlungszentralen,
[113], [118], [121]
9 Weitere Schaltkreise aus dem KNE
9a Schaltkreise aus Arnstadt (FMA)
Zeitlich parallel zu den Entwicklungen im INT liefen im Kombinat Nachrichtenelektronik (KNE) im VEB Fernmeldewerk Arnstadt (FMA, auch NEA) seit Ende der 70er Jahre Bemühungen, mechanische Relais-Baugruppen der "automatischen Telefonzentrale" (ATZ65 [188]) durch Silizium-Schaltkreise zu ersetzen. Im Gegensatz zum INT machte es die räumliche Nähe zum Funkwerk Erfurt möglich, Schaltkreise dort im Entwurfszentrum zu entwerfen, siehe den Aufsatz von Ulrich Liebold für das Thüringer Museum für Elektrotechnik (HTML) [124], die persönlichen Erinnerungen von Gerhard Fleischmann zum U840 [125] sowie die Vorstellung des U809 in [142].
Bild 91: Mit dem noch in pMOS realisierten U809 entstand von 1980 bis 1981 ein Schaltkreis, der die zentrale Steuerung der ATZ65 um viele mechanische Bauelemente vereinfachte. Entwickler: Gerhard Fleischmann, Gert Kloock; Klaus Wiegel; Hans-Günter Rittermann; Ekkehart Becker [142]. Fotos und Analyse von Richard Kaussler [112].
Dieser 8-Bit Mikrocontroller hat eine Besonderheit. Er ist wohl der erste und einzige Mikrocontroller, der in der DDR erfunden und entwickelt wurde (alle anderen waren Replikate westlicher Prozessoren). 1989 promovierte Gerhard Fleischmann mit diesem IC an der TU Dresden. Zu fachlichen Details siehe auch seine sehr aufschlußreichen, persönlichen Erinnerungen ab Seite 6 unter [124] und die persönlichen Erinnerungen von Gerhard Fleischmann [125].
Bild 92: U840 Mikrocontroller für Bit-Verarbeitung in Steuerungen der Nachrichtentechnik in zwei Gehäusevarianten (XD, PLCC) und (X9, QUIL). Entwurf: Gerhard Fleischmann, Frank Krummbein, Thomas Spaete u.a.. Test: Gert Kloock, Assembler-Entwicklung: Wolfgang Grimm [124],
[125]. Fotos und Analyse von Richard Kaussler [112].
Gerhard Fleischmann schreibt zu den beiden IC:
"Thomas Spaete entwickelte und simulierte funktionale Testpattern für den U840. Gert Kloock arbeitete als U809, U840 Test-Ingenieur. Wolfgang Grimm entwickelte den zur Programmierung des U840-Mikrocontrollers notwendigen Assembler, ohne den der U840 nicht verwendbar gewesen wäre.
Hans-Günter Rittermann arbeitete mit am U809-Entwurf, aber nicht am U840-Entwurf sondern als U840 Applikationsingenieur zusammen den NEA-, NEG- Ingenieuren, die den U840 einsetzten.
Die ICs U809 und U840 wurden nicht in einem funktionellen Kontext benutzt. Der U809 war ein anwendungsspezifischer Schaltkreis (ASIC), der nur in den ATZ65 Empfangssatz-Komponenten einsetzbar war. Der U840 konnte als programmierbarer Mikrocontroller anwendungsflexibel in verschiedenen digitalen Steuerungen verwendet werden.
Der U840 wurde im Quil-Gehäuse (U840M) im NEA in der Entwicklung von weiteren Leiterplatten für digitale Steuerungen eingesetzt, die ich nicht mehr benennen kann. Diese Entwicklungen wurden zur Wende im Labor-Test Status beendet.
Der U840 wurde im PLCC-Gehäuse (U840PC) im NEG zur digitalen Steuerung in einer PCM-Anlage eingesetzt. Die genaue Bezeichnung dieser PCM-Anlage kenne ich nicht. Diese Entwicklung wurde zur Wende im Prototypen-Test-Status beendet.
Zu den Ingenieuren, die den U840 im NEA und NEG einsetzten, habe ich seit 1990 keinen Kontakt mehr.
Die Entwicklung des U840, 1. Version lief von Mitte 1982 bis Mitte 1986. Die der 2. Version von Mitte 1986 bis Ende 1989. Die Arbeiten an einer 3. Version von Januar 1990 bis zum Abbruch Anfang Mai 1990."
Zum U52xx / U53xx Gate-Array System
Schon der KA601 war in einer Master-Slice Technik entworfen wurden. Der Kunde bekommt eine Meister-Scheibe, die mit Transistoren, Widerständen und Bondinseln gefüllt ist. Er verdrahtet nur die Verbindungen. Mit dem Übergang auf digitale CMOS-Technologie wandelte sich plötzlich der Name: Bei CMOS sprach man nun von Gate-Array.
Der Vorteil liegt auf der Hand: Die Meister-Scheiben können auf Vorrat produziert werden, das Aufbringen der Verdrahtungslagen ist vergleichsweise schnell und einfach zu bewerkstelligen. Dafür ist der Schaltungsentwurf vielfach komplizierter, als mit Standardzellen, weil jedes Gatter oder Flipflop in seine Transistoren separiert werden muß, von denen jeder einzelne zu verdrahten ist.
Insofern überrascht es nicht, daß hier Programmsysteme entwickelt werden mußten, die den Logikplan des Kunden in eine Verdrahtung auf dem Master (besser Gate-Array) umformen konnten.
Nomenklatur:
Diese lehnt sich an das U15xx-Standardzellsystem an. Auf die U52 folgt zweistellig Chipsize und Gehäusegröße (hier 01, 02, 03, 04, 05), danach folgen zwei Buchstaben für das Gehäuse selbst. Die letzten drei Ziffern sind die wichtigsten: Das ist der Name des Bauelements. Siehe dazu [118], S.35.
Mit dem Entwurfssystem "Archimedes" des ZMD auf Gatearrays U52xx wurden im INT 1987/88 folgende Gatearrays entworfen, siehe Quelle [118]. Einen Überblick geben die Quellen [113] und [121].
Bild 93: U5201PC108 Controller für Miniaturfernsehkamera MFA1040 [113], [118], [121]
Bild 94: U5201PC201 IC für Sicherungstechnik [113], [118], [121]
Bild 95: U5201PC202 Primärmultiplexer-Kanal für PCM480 [113], [118], [121]
Bild 96: U5201PC123 Vorfeldeinrichtung für kleine, digitale Ortszentrale [113], [118], [121]
Bild 97: U5201FC142 PCM30-Bündelchiffrier-IC(?)
[120], [113], [118], [121]. Der IC wurde wahrscheinlich im NEG entwickelt. Foto: Jörg Drobick.
Es ist wenig darüber bekannt, wieviele Geräte und Zentralen mit unseren Schaltkreisen bis zum Ende der DDR gebaut und installiert wurden. Bislang ist bekannt, daß die Schaltkreise in der Ortszentrale OZ100 sowie in den Nebenstellenzentralen NZ96 und NZ400 eingesetzt wurden. In der Zentrale DVZ2000 und DKS sollten sie ebenfalls eingesetzt werden, allerdings wurde keine große Zentrale bis zum Ende der DDR fertig. Auch wurden Schaltkreise in der PCM-Übertragungstechnik (PCM30, PCM480) eingesetzt.
Im Jahr 2020 leben noch mindestens zwei funktionsfähige Zentralen mit den ersten Berliner Schaltkreisen. Eine Ortszentrale für 100 Teilnehmer (AE) OZ100 steht im Fernmeldemuseum Dresden, die von Herrn Krumbiegel und Kollegen sorgsam gehütet und gepflegt wird [48], eine weitere funktionsfähige im Stadtmuseum/Fernmeldemuseum Cottbus, Hutungstr.51-52 [150]. Weitere befinden sich im Computermuseum Halle [49] und in der Hochschule für Telekommnikation Leipzig [160] S.91.
Technische Beschreibungen sind hier zu finden [77], [78]. Entwicklungsabscluß der OZ100 war im Juni 1988 [160]. Bis Oktober 1989 wurden von FML/NEL 61 Anlagen an die Deutsche Post ausgeliefert, davon wurden 15 in Leipzig, 11 in Berlin (Ost) und drei in Dresden installiert [160], Kap.5.8, S.143.
Bild 1011: OZ100 - Kleine Ortszentrale für 100 analoge Teilnehmer. Oben: Zwei Kartenvarianten (Kte 2425.4, Kte 2425.5, Kte 4431) für vier Teilnehmer mit Schaltkreisen U1001 (NF-Filter) und U1011 (CODEC) sowie B384 bis B387. Ein KD310 (STS) steuert den Buszugang, ein U1021 (ZLS) die Zeitlage im PCM-Datenstrom. Unten: Karte 4431 für zwei Teilnehmer und die funktionsfähige Zentrale im Fernmeldemuseum Dresden. Über die auf der Zentrale stehenden Telefone kann man noch immer (2020) miteinander telefonieren. In der Mitte ist das Bedientastenfeld zu erkennen. Textausgaben erfolgen über Telex auf einen Fernschreiber (nicht im Bild) [48], [49], [77], [78]. Bildquellen: oben rechts Dr. Lautenschläger (ehem. FML), restliche: Gerd Heinz im Fernmeldemuseum Dresden.
Die Produktion von OZ100 und NZ96 liefen im FML mit einem Versatz von 6 Monaten parallel, die NZ96 wurde aus der OZ100 abgeleitet [160], Kap.5.8, S.142. Gegenüber Ortszentralen (OZ100) entfällt bei Nebenstellenzentralen die Hochvolt-Speisung (B384 und B385) des Teilnehmers.
Die NZ96 wurde in den Versionen ENA 64/128/256 wohl überwiegend an die NVA ausgeliefert. Es war eine computergesteuerte Nebenstellen-Telefonanlage, die Hochvolt-ICs B384 und B385 entfallen hier. Sie wurde vom Fernmeldewerk Leipzig (FML) bis 1990 herstellt. Mit dieser Baureihe sollten die in der NVA eingesetzten Nebenstellenanlagen MSN70 und ATZ65 ersetzt werden. Durch die Computersteuerung war eine höhere Flexibilität im Einsatz möglich, die Leistungsaufnahme war gegenüber den Vorgängern bedeutend geringer, der Flächenbedarf war vernachlässigbar. Als Nummernspeicher und Bootlader diente auch hier das eingebaute Kassettengerät.
Eine Anlage ist noch in Halle zugänglich [50]. Im Fernmeldeforum (der NVA) sind Kommentare zu finden [94], die Geschichte zur Entstehung ist hier nachschlagbar [160]. Betriebsdokumente stammen aus dem Bundesarchiv/BStU [47].
Bild 1021: NZ96 - Nebenstellenzentrale für 100 (96) analoge Teilnehmer. Teilnehmer-Anschluß [50], Leiterkarten 4474 (4 Tln.) und 4721 (9 Tln.) mit Schaltkreisen U1001, U1011 und KD310, U1021, B386 und B387. Bei Nebenstellenzentralen entfällt die Hochvolt-Speisung (B384 und B385) des Teilnehmers. Darunter die Bedienkonsole der NZ96 im Computermuseum Halle. Bilder: Gerd Heinz.
Bild 1022: NZ96D - Nebenstellenzentrale für 100 (96) analoge Teilnehmer aus Leipzig. Garagenfund einer nagelneuen, noch verpackten Anlage, angeliefert 2025 im Fernmeldemuseum Dresden (FMD). Hersteller: Nachrichtenelektronik Leipzig. Mit Karte 4425 für 4 Teilnehmer. Bilder: Jürgen Kuehnel (FMD), Gerd Heinz
Im Gegensatz zur Namensveterin NZ96 wurde die NZ 400 nicht in Leipzig, sondern in Neustadt-Glewe produziert. Entwicklungsarbeiten erfolgten an der Hochschule Mittweida. Das erklärt das andere Aussehen der Racks und der Leiterkarten. Die NZ400 wurde wohl hauptsächlich an die NVA ausgeliefert [93] (Quelle verschwunden, 10/2025).
Die NZ400 war eine computergesteuerte Nebenstellen-Telefonanlage. Sie wurde in drei Varianten ausgeliefert [99]: NZ400D/128 AE in 2 Schränken, NZ400D/256 AE in 4 Schränken, NZ400D/384 AE in 6 Schränken.
In der Grundvariante konnten 128 Telefone und 5 Amtsleitungen, in der maximalen Variante 384 Telefone und bis zu 48 Amtsleitungen bedient werden. Die Grundvariante konnte ausgebaut werden.
Aufgrund ihrer Kompaktheit wurde nach der MSN70 die NZ400 zum Standard bei der NVA sowie in neu eingerichteten Führungsbunkern. Auch diese Anlage wurde über ein Kassettenlaufwerk hochgefahren. Dort wurden auch die Teilnehmerdaten gespeichert [99]. Quellen siehe [5], [48], [51], [92], [93], [94], [98], [99], [160].
Sie wurde auf der Telecom87 in Genf erstmals ausgestellt [5]. Es war die größte und die wohl am längsten produzierte elektronische Telefonanlage der DDR. Wahrscheinlich war es auch die Anlage, die in der größten Stückzahl produziert wurde.
Einige NZ400 sollen in Führungsbunkern der NVA überlebt haben [92]. Eine steht in Halle [51], eine in der Lehrschausammlung historischer Fernmeldetechnik in Dommitzsch [92] und eine NZ400 D/64 ist noch in der polizeihistorischen Sammlung Berlin [98] zu finden, siehe Bild 102, leider ist keine mehr in Betrieb.
Bild 1031: NZ400 - Nebenstellenzentrale für 64 bis 384 analoge Teilnehmer und bis zu 48 Amtsleitungen aus Neustadt-Glewe. Bilder: S.2 aus dem Handbuch NZ400 D/64 aus [99]; NZ 400 D/64 der polizeihistorischen Sammlung Berlin [98] - Bedienkonsole; Türen offen/zu; Filter-Leiterkarte für 12 (U1001) AE und Teilnehmeranschluß für 4 Teilnehmer [51] mit Schaltkreisen U1001, U1011, U1021, KD310 und SLIC C3-5502A-5. Bilder: Gerd Heinz.
Im letzten Bild ist zu erkennen, daß im Teilnehmeranschluß zwei NSW-Bauelemente (SLIC C3-5502A-5 [171] und Siemens-Relais) verbaut wurden. Das könnte auf ein LVO-Thema hindeuten. Möglicherweise wurde die Zentrale nur für die Landesverteidigung produziert.
Die Entwicklung der Zentrale wurde im INT, Bereich (E)VA, unter Dr. Peter Tietze (später Peter Belitz) als Eigenentwicklung mit Anleihen beim System 12 (ITT), (CIT-Alcatel E10S) sowie parallel beim FML begonnen [160], [31], [33].
Infolge eines Politbürobeschlusses entstand am 20.8.1981 das Forderungsprogramm "Digitale Vermittlungstechnik" [160]. Es sollten "Zentralentypen mit einheitlicher, technischer Basis und einheitlichen Hauptbauelementen sowie Konstruktionselementen" geschaffen werden für:
Das erste Entwicklerteam (4 Mitarbeiter) aber saß in der Elsenstraße und hatte praktisch noch keinerlei Rechentechnik zur Verfügung. Der Hauptakteur dieser Entwicklung, Rolf Siemon, schreibt über die ursprüngliche Zielsetzung:
"Zurückgekommen von der Telekom-Weltausstellung 1979 in Genf wurde ich Hals über Kopf Themenverantwortlicher für die Entwicklung des digitalen Vermittlungssystems OZ 50000 / FZ 20000. Nicht weil ich so viel Ahnung hatte, sondern weil ich GVS verpflichtet war. Dann wurde ich in einem Kämmerlein in der Elsenstraße hinter eine Siegeltür gesperrt und durfte zusammen mit 4 anderen Kollegen Dokumente lesen. Das waren vom Himmel gefallene, zusammengewürfelter Papiere - ganz schlecht fotografiert und schwer zu lesen, alles in Englisch. Daraus haben wir Pflichtenhefte gemacht. Die Systembasis bildeten 3 VLSI-Schaltkreise, je ca. 5000 Transistorfunktionen. Die Grundidee des Systems war faszinierend, ein den Weg selbst suchendes Koppelfeld und eine dezentrale Steuerung, die auch über das Koppelfeld kommunizierte.
...
Die Struktur war überschaubar, ein 8-Bit Rechner für je 256 Teilnehmer, ein gedoppelter 16 Bit Rechner für das gesamte System für die Vermittlungssoftware und die Betriebssoftware. Kommunikation der Rechner untereinander nicht über Zeichengabe-System #7 oder ähnlich komplizierte Strukturen, sondern proprietär. Das Koppelfeld selbst war eine Zeitstufe 256 * 256, natürlich gedoppelt. Schieberegister und schnelle Speicher, ganz simpel. Kleine Anlage, zentraler Takt, keine Synchronisationsprobleme.Von der OZ 50000 wurde die Teilnehmerbaugruppe, MFC-Empfänger, PCM-Baugruppen und die Konstruktion verwendet.
Nachdem die Arbeiten angelaufen waren, habe ich mich der Entwicklung von ISDN-Schaltkreisen gewidmet. Auf Basis von Pflichtenheft und Logikentwurf wurden in einer VA-Abteilung diskrete Nachbauten von ISDN-Schaltkreisen realisiert (Thomas Wehren war glaube ich auch dabei)".
Aus genannten 3 Pflichtenheften entstanden von 1981 bis 1984 die Eigenentwürfe der Koppelfeldschaltkreise wie in Kap.3.1 dargestellt. Leider wurde deren Entwicklung kurz vor Fertigstellung 1984 abgebrochen, weil die IC einerseits im KME nicht bilanziert waren, man aber andererseits nun plötzlich S12 1:1 nachbauen wollte. Ebenfalls ab 1981 wurde mit der Entwicklung von SLIC, CODEC, FILTER, STS und ZLS begonnen.
Die FZ 20000-Entwicklung lief im FML anfangs unter FZ 30000 [160], später als FZ 2000 bzw. als DVZ 2000 für 4000 Teilnehmer, Kap.5.6.
"Es wurde dabei von einer einheitlichen Systemkonzeption für dieZitat aus DVS "Leistungsstufe A4" INT/FML 1982 aus [160] Kap.5.6, S.133 mit den Zielen: A3-Muster im Netz der DP 12/85, K4-Muster 1987/88
- Fernzentrale FZ 30000,
- die Ortszentrale OZ 50000,
- für die OZ 100 und
- für die NZ 500 [NZ 384 D] ausgegangen."
Aus der Sicht bis dahin der mangelhaften rechentechnischen Ausrüstung des Schaltkreisentwurfes waren diese Vorgaben zu optimistisch, bis 1985 lagen erst die Schaltkreise des Teilnehmerkomplexes vor.
Bild 1041: Zentrale DVZ2001 (Messe-Flyer Leipzig 1988 [52]) und Teilnehmer-Anschluß für acht analoge Teilnehmer "TS8" mit B384, B385, B386, B387, U1001, U1011, U1550. Die Karte kam in der DVZ2000 zum Einsatz. Kein Exemplar mehr bekannt. Bild TS8: Martin Gericke [7].
Von der DVZ2000 (Digitale Vermittlungszentrale PCM30/32) für bis zu 2000 Teilnehmer (Basis PCM30) [5] existierten drei Exemplare DVZ2001, DVZ2002, DVZ2003, die DVZ2001 war auf der Genfer Telecom87 ausgestellt [5]. Es ist wohl kein Exemplar mehr vorhanden. Sie entstanden in Kooperation mit Nachrichtenelektronik Leipzig (NEL / FML) [160]. Die Größe wurde von ursprünglich 10.000 auf 2000 Teilnehmer begrenzt. Sie besaß nicht alle ISDN-Dienstmerkmale und kannte noch keine Paketdaten. Ursprünglich sollte die DVS-Zentrale DVZ für "bis zu 10.000 Anschlußleitungen und 1200 Verbindungsleitungen einsetzbar" sein [6].
Sie diente in Genf als Warenmuster der Kundenaquise für die Digitale Kommunikationszentrale DKS, die im Gehäuse der DVZ entwickelt wurde. Das PCM-Koppelfeld der DVZ2000 war noch mit Standard-TTL-IC bestückt, daher die Begrenzung auf 2000 Teilnehmer. Siehe auch Bilder und Beschreibung im Computermuseum Halle [52]. Auch die Entwicklung der SLIC-B Schaltkreise im FML Kap.5 sollte perspektivisch einfließen.
1988 erfolgte ein Abbruch der Entwicklungen im FML [160] zugunsten von DKS (System 12), [151], [152], die Entwicklung hatte bis dahin allein im FML etwa 120 Mio. Mark der DDR gekostet.
Der FML/NEL- Betriebsdirektor sollte deshalb 1989 wegen Täuschung der Partei- und Staatsorgane vor Gericht gebracht werden. Das konnte dank dem Einsatz von Dr. Dietmar Bogk (Institutsleiter INT/ZFTN) verhindert werden [160].
Hintergrund war wohl aus fachlicher Sicht die Unvereinbarkeit der Blockade eines PCM-Kanals für die Übertragung einzelner Datenpakete. Eine Paketübertragung war im Konzept der DVZ2000 nicht vorgesehen. Das Problem dabei: Entweder man läßt den PCM-Kanal dauerhaft aufgebaut, oder man baut ihn nach jeder Paketübertragung wieder ab. Auch soll die Hardware des Systems auf 2000 AE limitiert gewesen sein.
Links: [5], [6], [7], [52], [94], [151], [152], [160], [161], [162], [163], [164].
DVZ und DKS entstanden beide im INT im Bereich "Digitale Vermittlungstechnik" in Konkurrenz zueinander. Die DVZ war gegen 1981 begonnen worden in einem Entwicklerteam unter Dr. Peter Tietze, Abteilung VA. Das Team der DKS wurde ab 1981 aus neuen Mitarbeitern zusammengesetzt, die verpflichtbar waren (GVS, VVS etc.). Hier sollte das System 12 eins zu eins nachentwickelt werden. Es gab Probleme, die Experten zur Geheimhaltung zu verpflichten (Verzicht auf betriebliche Kommunikation, auf Westkontakte, Strafandrohungen bei Verstößen gegen die Geheimhaltungsvorschriften usw.).
Nach Aussagen des stv. Chefentwicklers des ESVT Bernd Gansert waren die Quellen [151] und [152] nicht aktuell. Es soll nicht geplant gewesen sein, die Eigenentwicklung der Zentrale DVZ2000 in Produktion zu bringen. Gegen diese These spricht die Quelle [160].
CIT-Alcatel Unterlagen zum CIT-Alcatel System E10S [167] (ITT-System 12) haben im FML und im INT bereits ab etwa 1981 vorgelegen [160].
Die Bezeichnung "System S021" in [151] und [152] ist wohl kein Zahlendreher, sondern wahrscheinlich die Registriernummer wichtiger Staatsaufträge bei Willi Stoph und könnte bedeuten "Stoph-Nr.021".
Alle Links: [3], [5], [31], [52], [69], [151], [152], [160], [161], [162], [163], [164].
Bild 1051: PCM-Konzentrator der DKS-Zentrale (System 12 ITT/Alcatel) mit U3210 und U3220 [52] aus der Hauptabteilung von Bernd Gansert (INT). Die Zettel mit Aufschriften U3210 und U3220 waren nicht zuordenbar. Sie wurden im linken Bild nachgetragen. Es sollen 5x U3210 und 4x U3220 auf der Karte gewesen sein (Quelle Bernd Gansert, Hauptabteilungsleiter EVT [101]). Die Koppelfeldkarte (derzeit kein Exemplar mehr bekannt) enthielt 16x U3230. Die Entwicklung war zur Wende noch nicht in Produktion und wurde 1990 abgebrochen. Weitere Bilder siehe [69]. Fotos von Torsten Hoffmeister, Berlin (l) und Rüdiger Kurth (r), Robotrontechnik Halle [52].
Die Zentrale wurde im INT, Bereich EDA, entwickelt [31]. Eine in [3] angesprochene Echokompensation für digitale (ISDN-) Teilnehmer wurde bis zum Ende der DDR nach bislang vorliegenden Erkenntnissen nicht begonnen.
Bis 1989 waren folgende Platinen für DKS entstanden (Quelle Bernd Gansert):
Nach Plan wurden Schaltpläne der Vorbild-ICs (System 12), Teile einer Zentrale, Baugruppen, Platinen mit den Koppelfeld-ICs sowie die meisten Dokumente dazu beschafft, um parallel zur IC-Entwicklung an der Entwicklung der ISDN-Zentrale (Nachbau von S12 als DKS oder DKZ) arbeiten zu können.
Die Produktion der DKS-Zentrale hatte zur Wende noch nicht begonnen. Sie war erst für 1994/95 geplant. Allerdings existierten auch davon schon zwei (noch nicht funktionstüchtige) Muster, eines im Bereich Digitale Vermittlungstechnik des INT.
Zusammen mit Prototypen der verwendeten Schaltkreise für SLIC, CODEC/FILTER und Koppelfeld wurde ein weiteres Exemplar nach Aussage von Bernd Gansert im Gestell einer DVZ2000 für 2 Mio. Rubel an die Firma Krasnaja Sarja (Morgenröte) Leningrad verkauft. Man hoffte darauf, die Firma als Partner für ISDN/System12-Zentralen gewinnen zu können.
Die DKS-Zentralen entstanden in Kooperation mit Nachrichtenelektronik Leipzig (NEL). Das Gehäuse der DKS und sonstige Hardware stammte von der Zentrale DVZ2000 aus dem FML.
ITT/Alcatel System 12 sollte unter dem Begriff "Digitales Kommunikationssystem" (DKS) bzw. "Digitale Kommunikationszentrale" (DKZ) nachgebaut werden. Die Koppelfeld-IC (U3210, U3220, U3230) wurden eigens für diesen Zwecke entwickelt und produziert.
Zur Entwicklung der DKS-Zentrale wurde ein Entwicklungs-Team unter Dr. Ingomar Krahl in Berlin gebildet, daß in einem dafür gebauten Hochhaus in der Allee der Kosmonauten 23A/B an der Systementwicklung arbeitete, während im Entwurfszentrum Edisonstraße 63 die nötigen PCM-Vermittlungsschaltkreise entwickelt wurden.
In Fortführung von Eigenentwicklungen und mit Anregungen von ISDN und System 12 entstand im NEL (FML) in Konkurrenz und parallel zum DKS die Zentrale DVZ2000 für bis zu 2000 Teilnehmer [160].
Hingegen wurde das System DVZ2000 [52] (Digitale Ortsvermittlungszentrale für 2000 Teilnehmer) im wesentlichen als Eigenentwurf auf der Basis von Standardschaltkreisen unter Verwendung der digitalen Teilnehmer- Schaltkreise (CODEC, Filter, SLIC) konzipiert und war dem System Siemens EWSD [143] ähnlich. Ein Muster wurde auf der Weltnachrichtenausstellung Telecom87 in Genf ausgestellt [5]. Koppelfeld-ICs U3210, U3220 und U3230 des Systems S12 fanden hierfür keine Verwendung. Sie standen erst ab 1988 zur Verfügung. Deshalb wurde die DVZ2000 als Notfall-Lösung zur Kunden-Aquise auf der Telecom87 ausgestellt.
Im ESVT des RGW wollte niemand auf das System 12 setzen. Auch im Westen wurde die Technik nicht allzu populär. ITT verkaufte die Technologie schon 1985 an CGE, daraus entstand 1987 Alcatel. Ab 1990 wurde das System als "Alcatel S12" verkauft. 2005, im Jahr größter Verbreitung von ISDN existierten 125.000 Primärmultiplex-Anschlüsse (PMX auf Basis PCM30/32) in Deutschland. Danach setzte sich ATM (PDH, SDH) durch [154]. Später kamen weitere Übertragungstechniken hinzu, wie GSM, UMTS, LTE oder VoIP und NGN.
Im RGW favorisierte man die einfacheren, zentral gesteuerten Anlagen der Art EWSD [143] von Siemens, weil diese im wesentlichen Funktionsumfang einfacher waren und massenhaft vorhandene, analoge Telefonapparate unterstützten.
Der ISDN-Telefonapparat war mit Dienstmerkmalen ausgestattet, die in der DDR noch niemand brauchte oder durchschaute. Aber die Argumente der Leitung waren einleuchtend, noch ahnte niemand, daß sich damit eine verhängnisvolle Entwicklung anbahnen sollte.
Als Argument wurde angeführt:
"Mit dem Original-Nachbau von ITT/System12 können wir neben der Schaltkreisentwicklung schon parallel mit der Software- und Hardware- Entwicklung anfangen. Damit sind wir viel schneller fertig!"
Gegen die Argumente der Experten wurde 1984 im INT eine Entwicklung begonnen, die an elementaren Bedürfnissen des DDR-Markts vorbeiging. So existierten 1983 bereits 3,3 Millionen analoger Telefone [96] mit Drehwähler (Ziffern 0...9) und bis zum Ende der DDR kein einziger Digitalapparat. Weder hatten die Telefone Raute (#) noch Stern (☆), für ISDN-Merkmale waren sie vollkommen ungeeignet. Erst ab 1986 kamen nennenswerte Mengen von (ebenfalls analogen) Tastwahltelefonen auf den Markt, die wenigstens eine Wahlwiederholung (als Raute #) hatten und die umschaltbar zwischen Mehrfrequenzcode (MFC) [155] und Impulswahlverfahren (IWV) [156] waren. Der erste DDR-Apparat dieser Art war wohl der Variant-alpha (1976). Hier kann man eine die Geschichte dazu lesen [157]. Der im Variant-alpha verwendete IC war ein NSW-Import vom Typ AY-5-9151A.
Auch existierte bis zur Wende noch kein digitaler, ISDN-fähiger Telefonapparat aus eigener Produktion. Selbst eine DDR-Entwicklung von digitalen ISDN-Apparaten ist bis heute nicht bekannt geworden. Der Prozessor allein für die (digitale) Echokompensation digitaler Telefonapparate wäre unbezahlbar gewesen, dessen Entwicklung wurde aus wirtschaftlichen Erwägungen heraus nicht begonnen, siehe dazu [3].
Erschwerend kam hinzu, daß Entwicklungen zum Internet (Arpanet), zu HTML (Cern) oder zu PCs (IBM) in der DDR zu lange unbeachtet blieben. Diese sollten außerhalb der Post das ISDN relativ schnell ablösen. 1995 begann bereits der Siegenszug des Internet auf heimischen IBM-PC-AT mit "Netscape".
In der Nachrichtentechnik galt das Prinzip, daß im Gespräch keine Laufzeiten (Delays) größer einer zehntel Sekunde auftreten durften: Man konnte sich schlicht nicht vorstellen, daß man einmal mit einem PC oder Smartphone (digital) mit Datenpaketen über das Internet telefonieren kann, siehe "Voice over IP" (VoIP) [166]. Dazu waren damalige Rechner um Größenordnungen zu langsam.
Auch galt bei der Post ein ungeschriebenes Gesetz: Ein Telefon muß auch bei Stromausfall funktionieren. Die Ortsämter hatten dazu riesige Felder von Pufferbatterien in ihren Kellerräumen. Diese Möglichkeit ging mit elektronischen Teilnehmern meist verloren, da diese auf zusätzliche Netzteil-Speisung angewiesen sind, man denke an WLAN oder DECT.
Erfahrene Mitarbeiter waren desillusioniert, man murmelte plötzlich Sprüche des sogenannten "Klassenfeindes":
"Wir bauen auf und reißen nieder,
dann ha'm wa Arbeit immer wieder!"
MfS-Strukturen übernahmen nahezu unbemerkt die Leitung des INT und lenkten nun die Arbeiten. Nicht ausreichend geheimnisschutz-verpflichtbare Direktoren, Hauptabteilungsleiter oder Abteilungsleiter wurden zu Statisten. Wir wußten oft nicht einmal mehr, was genau im eigenen Bereich entwickelt wurde. Aufgrund fehlernder Geheimnisschutzverpflichtungen (VVS und GVS wegen COCOM-Geräten, kopierten technischen Unterlagen etc.) war es teilweise nicht mehr möglich, die Arbeitsräume der eigenen Mitarbeiter zu betreten.
Was damit kam, war Geheimniskrämerei, es war ein Albtraum. Niemand durfte mit niemandem reden. Die Entwicklung war zum Tod durch Geheimniskrämerei verurteilt. Es begann ein Dienst nach Vorschrift unter dem Motto "Schneller fertig werden!" und "Mein Name ist Hase - ich weiß von nichts!".
Durch den nun übermächtigen Geheimnisschutz (Rechentechnik aus NSW und insbesondere Unterlagen zum System12) war eine Zusammenarbeit verschiedener Erfahrungsträger nahezu ausgeschlossen. Bereichsübergreifende Kommunikation war praktisch unmöglich. Und so kam, was kommen mußte.
Es bedeutete 1984 den kompletten Neubeginn mit den Entwicklungen - mit großem Zeitverlust. Und es bedeutete, in einen Systementwurf einzusteigen, dessen innere Ideen und Zusammenhänge niemand vollständig verstand - und die aufgrund ihrer teilweisen Überdrehtheit niemanden interessierten. Nicht zuletzt tötete die damit aufkommende Geheimniskrämerei die Motivation der Experten.
Der Verantwortliche für die Leiterplattenentwicklungen der DKS, Bernd Gansert schreibt:
"Originalschaltkreise (PCM30-Koppelfeld der DKZ) waren nirgendwo verbaut. Die maximal zehn Lochrasterplatten mit diskreten Schaltkreisnachbauten (von U3210, U3220, U3230) waren schlussendlich im FML gelandet und sind dort verstaubt. Die DVZ2000 bedurfte wegen ihrer geringen Anschlusskapazität keiner besonderen Schaltkreise, sondern benutzte eine Multiplexer-/Demultiplexerstruktur mit paralleler Durchschaltung für Hin- und Rückkanal nebst Zentralsteuerung. Das war ein Konzept, das damals weitverbreitet war (auch im ESVT)."
Anmerkungen des Autors: FML: Fernmeldewerk Leizig; ESVT: Einheitliches System Elektronischer Vermittlungstechnik des RGW alias Siemens EWSD [143].
Ergänzung zur Aussage: "Die maximal zehn Lochrasterplatten...":
Im Robotron-Museum Halle sind Leiterkarten mit U3210, U3220 und U3230 vorhanden, Bild 1051, die in der Abteilung von Bernd Gansert im INT entwickelt wurden.
Die Geschichte sollte zeigen, daß bis 1990 noch keine große, digitale Orts- oder Fernzentrale fertig war, im Gegenteil: Im Entwicklungsprozeß der Leiterkarten, Baugruppen und der Software entstanden so viele Probleme, daß die Entwicklung 1990 als gescheitert angesehen werden mußte. Der ursprüngliche Plan, Vorbild-Schaltkreise des PCM-Koppelfeldes zur Entwicklung der DKS zu nutzen, um parallel entwickeln zu können, scheiterte an personellen und fachlichen Fragen. Fachlich gab es insbesondere das Problem, daß nur zweilagige Leiterplatten gefertigt werden konnten, während das Original auf 4- und 6-lagigen Leiterplatten daherkam. Damit war die Partitionierung der ICs auf den Leiterkarten großvolumiger. Auch gab es 1987 im Fertigungsbetrieb FWE (MME) kein pinkompatibles SMD-Gehäuse.
________
Für mich wurde es Zeit, mich mit Projektende 1987 nach der Übergabe des letzen Schaltkreises (U3230) nach einer neuen Wirkungsstätte umzusehen. Wie viele andere Beteiligte war auch ich "ausgebrannt". Mit Übergabe der DVS-Schaltkreise in die erste Präparation nach Erfurt (FWE/MME) wechselte ich in das Zentralinstitut für Kybernetik und Informationsprozesse der Akademie der Wissenschaften (AdW-ZKI). Dort gelang dann immerhin noch die Installation neuester Software und der letzte und größte IC der DDR mit 160.000 Transistoren, der Grayscale Image Preprozessor (GIPP).
Leider blieb es bis zur Wende beim System-12 und beim ISDN-Alleingang des INT. Und auch dieser reichte nicht bis zum digitalen ISDN-Teilnehmeranschluß, der war 1989 noch nicht begonnen. Der Aufbruch der 70er Jahre hatte sich Ende der 80er in lähmende Lethargie verwandelt.
Immer mehr ICs mit neuen Ideen, vorrangig aus den USA, fluteten den Markt. Die DDR-Halbleiterindustrie konnte nur noch Löcher stopfen. Bis zur Wende 1989 waren weltweit etwa eine halbe Million IC-Typen entwickelt worden, im RGW kamen wir auf etwa 1500. Und Westimporte waren wegen fehlender "Devisen" für eigene Produktentwicklungen nahez tabu. Nichts ging mehr.
Während eine Firma in einer freien Marktwirtschaft über ihre Produktion selbst entscheidet und das produziert, was ihr Gewinn bringt, weil sie auf diesem Gebiet die besten Voraussetzungen hat, waren im (sozialistischen) Staatsmonopol DDR alle Produkte im Plan fixiert.
Hingewiesen sei noch auf die unter Honecker ab 1972 forcierte Einteignungswelle der letzten klein- und mittelständischen Unternehmen. Diese wurden i.a. in Großbetriebe eingegliedert, für deren Wirken sie aber nur zur extremen, bürokratischen Last wurden [160], S.107. Auch sie hatten alle Planungs- und Bilanzbürokratie zu bewältigen. Letztlich haben diese Enteignungen wohl nur enormen, wirtschaftlichen Schaden angerichtet.
Auch hatte man Produkte zu realisieren, die unrentabel waren, für die man oft nicht das beste know-how, die besten Mitarbeiter oder geeignete Werkzeuge oder Verfahren hatte. Auch war der Gewinn komplett an den Staatshaushalt abzuführen, um im Gegenzug Importe, Investitionen oder Personalmittel im Plan des nächsten Jahres zu beantragen. Und dann saßen noch der Parteisekretär und der BGL-Vorsitzwende bei jeder Dienstberatung am Tisch. Siehe dazu auch [160], S.40, S.87. Sie hatten letzlich das letzte Wort, auch wenn sie später nicht zur Rechenschaft gezogen werden konnten. Sie durften überall mitreden, aber übernahmen später natürlich keinerlei Verantwortung für ihr Tun [160], S.87 u.a..
Dieser Moloch an Bürokratie sorgte dafür, daß Firmen auf die Nase fielen, weil Normteile (Schrauben, Muttern, Bauelemente etc.) nicht bilanziert waren, weil kleinste Zulieferungen nicht ankamen, weil deren Produktion dem Partner oder dem Partner des Partners nicht rechtzeitig gelang, weil sie im Staatsplan vergessen wurden, weil vereinbarte Kooperationen nicht zustande kamen, oder nicht genehmigt wurden. So entstand heilloses Kuddelmuddel. Nichts ging mehr. Es ist dasselbe bürokratische Dilemma, welches heutige Großkonzerne wieder durchleben [160], S.127.
Letztlich führte dieser Planungsirrsinn im Oktober 1989 zur Zahlungsunfähigkeit der DDR, siehe dazu die Analyse der ökonomischen Lage der DDR von Gerhard Schürer vom Oktober 1989 [153]. Man hätte den gesamten Bürokratieapparat abbauen müssen. Damit wären auch die Forderungen des IWF nach Reprivatisierung bedienbar gewesen. Aber Ideologie siegte noch im Oktober 1989 über vernünftiges Handeln.
Kein Wunder, daß am 4. November 1989 die Wende mit der Großdemo am Alexanderplatz eingeleitet wurde. Aber mit der friedlichen Revolution vom 9. November 1989 und der Grenzöffnung zur BRD entstand noch größeres Chaos. Plötzlich wollten alle nur noch Westprodukte kaufen. Mit der Einführung der Westmark und der Währungsunion am 1. Juli 1990 brach dann auch noch die letzte Lieferkette zusammen. Selbst an die UdSSR als Hauptabnehmer konnte keine Nachrichtentechnik mehr verkauft werden, weil diese nun nur noch in Westmark bezahlbar war.
PCM30/32 Systeme wurden in Greifswald (NEG) produziert. Anfangs noch mit diskreten Transistoren und Übertragern, später mit den Schaltkreisen KA601/602. Leider ist bislang kein Kontakt mehr nach Greifswald verblieben. Ein PCM30-Regenerator mit KA601 und KA602 ist wohl nicht mehr erhalten. Eine PCM-Versuchsstrecke Dresden-Pirna wurde gegen 1998 abgebaut, die Geräte wurden verschrottet. Weitere Einsatzorte sind nicht bekannt. Nach Aussage von Herrn Senf vom Fernmeldemuseum Dresden soll dort aber nur ein PCM480-System verbaut gewesen sein. Wahrscheinlich wurde die PCM30-Versuchsstrecke bereits früher abgebaut.
Ein klärender Kontakt zu den Entwicklern der PCM30-Regeneratoren unter Leitung von Herrn Janke im VEB Nachrichtenelektronik Greifswald (NEG) ließ sich bis heute nicht herstellen. Da PCM30 auch bei der NVA und im Staatsapparat zum Einsatz kam [120], könnten sich in deren Anlagen noch Regeneratoren finden lassen.
PCM-Gestelle finden sich in folgenden Sammlungen: PCM30, PCM120, PCM480 im Fernmeldemuseum Dresden [53], PCM120 im Computermuseum Halle [54], PCM 480 im Computermuseum Halle [55].
In Verbindung mit PCM hatte die Lichtleitertechnik den Vorzug, relativ abhörsicher zu sein, siehe brisante Details dazu in [120] und in [122].
Auf dem Gebiet der Lichtwellenleiter war insbesondere die Dresdener Außenstelle unter Leitung von Herrn Dr. Glaser erfolgreich. Die Arbeiten begannen im INT Dresden gegen 1970 [123]. Der damals amtierende Institutsdirektor Dr. Dietmar Lochmann schrieb dazu im Aufsatz [23]:
"Im März 1981 wurde in der Hauptstadt der DDR Berlin ein 8 Mbit/s Lichtleiter- Nachrichtenübertragungssystem im Ortsverbindungsleitungsnetz in Betrieb genommen. Mit einer Entfernung von 16 km zählt dieses System zu den längsten in Europa, das in einer Postverwaltung praktisch genutzt wird. Die seit der Inbetriebnahme gesammelten Erfahrungen zeigen, daß das 8 Mbit/s Lichtleiter- Nachrichtenübertragungssystem zuverlässig im Ortsverbindungsleitungsnetz einsetzbar ist." (Anm.: 8 Mb/s ist PCM120)
Bild 1071: PCM480S Regeneratorbehälter, davor zwei Regeneratoreinschübe mit Fehlerortungs-IC KD320 (links unten am roten Blitz) im Fernmeldemuseum Dresden (FMD). Ein Regeneratoreinschub war für je einen Hin- und einen Rückkanal zuständig. Bild: FMD.
Bild 1072: PCM480S Regeneratoreinschub mit Fehlerortungs-IC KD320 im Fernmeldemuseum Dresden. Der Regenerator war auf der PCM480-Versuchsstrecke Dresden-Pirna im Einsatz, siehe auch diesen Link (HTML) bzw. [53], sowie [55]. Die Schaltkreise B340 sind 4-Transistor-Arrays (npn). Die Bezeichnung V40xx entstammen der CMOS-TTL-Baureihe V4000, siehe [169], Teil 1.
Im Schaltkreisentwurf hat man nur einen "Schuß", der sehr teuer ist. Er muß ins Schwarze treffen. Hat ein Schaltkreis einen einzigen Fehler (ein fehlender Kontakt im Layout, ein falscher Widerstandswert, ein Verdrahtungsfehler, ein Fehler bei einer Schaltungsberechnung, ein Fehler im Strommodell eines Transitors, einen Logikfehler, ein Timing-Problem etc.), dann funktioniert dieser IC nicht. Ein halbes Jahr Arbeit und viel Geld waren dann "verbrannt". Die Schaltungsentwicklung beginnt und endet mit einer Elektrik- oder Netzwerk-Simulation.
Leider waren die 1979 zur Verfügung stehenden rechentechnischen Ausrüstungen vollkommen unzureichend. Logiksimulationen mit Simper und Netzwerksimulationen mit Stadynet konnten als Lochkartenstapel für einen ESER EC1040 abgegeben werden. Ein Fahrzeug fuhr die Lochkartenstapel täglich zum Rechenzentrum der Bauakademie in der Friedrichsfelder Charlottenstraße und brachte die Ergebnisse des vorigen Tages zurück.
Bis 1984 lief die Jobsteuerung auf Basis von Lochkarten [40]. Ein Lochkartenstapel war vormittags im Rechenzentrum abzugeben, am nächsten Tag konnten nachmittags die Ergebnisse abgeholt werden. Da es meist Syntax-Fehler in der Jobsteuerung gab, war man froh, eine Simulation innerhalb von einer Woche erfolgreich durchführen zu können. Diese Arbeit erzeugte Streß, weil man die ganze Zeit den Gesamtkontext im Kopf behalten mußte, um nicht Tage später versehentlich wieder einen alten Fehler in die SImulation oder in die Jobsteuerung einzubauen.
Einzig im Betriebsteil Altglienicke (?) stand ein Röhrenrechner ZRA1 aus den 60er Jahren [170] mit Trommelspeicher von 4096x 48 Bit, dessen waschmaschinenartige Trommel mit 12.000 U/min drehte, einem Ferritkernspeicher von 8 kBit, Lochkartenleser und einem Fernschreiberanschluß mit Lochstreifen-Ein-/Ausgabe und Druckausgabe zur Verfügung. Der ZRA1 leistete mit 780 Röhren bei einer Leistungsaufnahme von 19 Kilowatt etwa 100 bis 150 Operationen pro Sekunde. In der Baracke war es höllisch laut und es herrschte Tropenklima. Der Rechner wurde noch bis zur Mitte der 1970er Jahre für Betriebswirtschaft und Buchhaltung eingesetzt.
1981 kam auf Initiative von Hauptabteilungsleiter Dr. Dietmar Bogk ein erster Rechner ins Entwurfszentrum, ein russisch/bulgarischer "Kulon", ein PDP11-Nachbau mit zwei grünen Speicherröhren. Dieser mußte oft in mehreren Schichten genutzt werden. Er stand nur den Layout-Entwerfern zur Verfügung. Auch folgte ein ESER EC1040 (IBM System 360) für ein neu aufgebautes Rechenzentrum in der zweiten Etage. Damit stieg die Effizienz in der Simulation und Verifikation erheblich.
Permanent fand nun neue Entwurfs-Software Eingang in die Entwicklungen. Den CAD-Stand von 1986 zeigen in Soft- und Hardware die nicht mehr zuordenbaren Vortragsfolien in [83]. Fast monatlich kam neue Software ins Haus. Ein kleines Team von Softwareentwicklern unter Matthias Oldag (ECE4) wurde aufgebaut, hatte aber das Problem, in den ersten Jahren nicht die neueste Rechentechnik nutzen zu können. Matthias verließ uns 1987 frustriert, um sich seiner großen Leidenschaft, der Musik, intensiver widmen zu können. Dafür bekam er einen Eintrag in der Wikipedia.
Erste Elektrik-Simulationen für den PCM-Regenerator erfolgten mit Lochkarten [40] unter PL/1 im Programmsystem STADYNET noch auf dem ESER EC1040 der Bauakademie, Programmbetreuer waren Herr Geupel und Frau Fiedler, die in der Außenstelle Altglienicke saßen. Das Inhaltsverzeichnis der allerersten Modellbibliothek von 1980 zeigt [30]. Die Bibliothek hatte bereits viele Seiten. Man erkennt Bipolartransistoren (PNP, NPN...) aber auch n- und p-Kanal-Transistoren (NC..., PC...).
Ab etwa 1983 konnten Stadynet- oder NIFAN-Jobs über die serielle Schnittstelle unserer PDP11 an den hauseigenen EC1040 übergeben werden. Dazu entwickelte der Autor nebenbei einen "Stadynet-Joberfasser", der es gestattete, Simulationen nun quasi in Echtzeit durchführen zu können.
Die Nachfolge von Stadynet trat NIFAN an. Der unter FORTRAN auf IBM- wie auf DEC- kompatiblen Maschinen laufende Netzwerksimulator NIFAN des HFO zeichnete sich durch ein einfaches, aber leistungsfähiges User-Interface aus. Im Unterschied zum international weit verbreiteten Programm SPICE konnten Schaltungen sehr sauber komplett hierarchisch aufgebaut werden. Hier konnte man z.B. bei dynamischen Speichern bei Bedarf Transistormodell oder inneres Kapazitätsmodell des Transistors für genauere Simulationen austauschen, vgl. [15], [16], [41], [42]. NIFAN war in einer Arbeitsgruppe um Herrn Gärtner (HFO, später "Gärtner Electronic-Design" Frankfurt/Oder www.ged.de) entstanden.
NIFAN lief unter FORTRAN unter dem Betriebssystem SVM auf ESER EC1040 (alias R40, Nachbau des IBM System/360 SVM) wie auf DEC-Rechnern (PDP11; VAX/VMS) mit VT100-Terminals (später VT220 und VT340) und angeschlossenem Calcomp-Plotter: Erstmals konnte man die Ergebnis-Zeitfunktionen farbig plotten (Syntax-Beispiele und Plots siehe [42]). Für die Überprüfung der Entwürfe standen je nach Technologie und Hersteller etwa 50 Programme in verschiedenen Programmumgebungen zur Verfügung.
Simulationsergebnisse wurden vorher auf einem Trommeldrucker (EC 7031) oder einem Kettendrucker (EC 7039) auf Endlospapier in einem Pseudo-Grafikmode [41] ausgegeben. Logiksimulationen erfolgten zunächst für nSGT- und CMOS-Schaltungen mit dem hauseigegen Programmsystem SIMPER [116], [117] anfangs auf Lochkartenbasis. nSGT-Schaltungen wurden etwa ab 1985 mit dem LSI-Simulator aus dem FWE simuliert.
Rechentechnik des RGW (ESER 1040 - IBM 360, ESER 1055 - IBM 370) war damals extrem teuer, groß und an Lochkarten oder Lochstreifen gebunden. Kleinrechner mit (seriellen) Terminals als Nachbauten auf Basis von DEC's PDP-11 (16 Bit) und VAX-11/780 (32 Bit) erreichten das INT erst ab etwa 1984.
Unser erster Grafik-Arbeitsplatz stand gegen 1981 zur Verfügung. Es war ein "KULON" (ISOT 310), ein russisch/bulgarischer Nachbau auf Basis des PDP-11. An einer Zentraleinheit hingen zwei Grafik-Arbeitsplätze mit einer grünen Grafik-Speicherbildröhre (wahrscheinlich ein Nachbau des 19-Zoll monochrom-Terminals Tektronix 4010). Da Layouts mehrere Layer besitzen (SBC 7 bis 9, CMOS 12 bis 15), verursachte die grün-in-grün Darstellung von Layouts recht viele Fehler. Daten befanden sich auf zwei 19-Zoll Wechselplatten mit je 2 Megabyte.
Plots erfolgten anfangs auf einem russischen Folienschneider als Kreuztischplotter (2x2m, 800kg). Dieser war zu langsam, er hatte nur einen Halter für eine Kugelschreiber-Mine. Die Farben waren separat zu plotten, der Plotter verschwand wieder. Einige Bilder blieben erhalten, sie sind unter [74] zu finden. Man plottete bei Übergabe von Layouts beim Hersteller, z.B. im HFO oder bei FWE oder ging in das nahe gelegene Entwurfszentrum des WF (Dr. Falter), dort stand die schönste Technik seit 1983 herum. Obwohl man dort nur LEDs, Photodioden und Photodiodenarrays entwickelte, war man viel besser ausgerüstet als das INT, man hatte auch schon Calcomp-Plotter.
CoCom behinderte den Kauf von Rechentechnik aus dem NSW (Nichtsozialistisches Wirtschaftsgebiet). Etwa ab 1983 stand eine PDP-11 für die Zusammenstellung von STADYNET- bzw. NIFAN-Jobs zur Verfügung. Der Autor schrieb damals einen "STADYNET-Joberfasser". Mit Hilfe dieses Programms wurde die Jobsteuerung (Lochkarten) im Prinzip durch einen Textfile ersetzt. Man stellte am VT100-Terminal der PDP-11 seinen Job zusammen und sandte ihn über die RS232-Schnittstelle an den eine Etage tiefer stehenden Großrechner. Lochkarten wurden nicht mehr gebraucht, alles ging wesentlich schneller. Um 1985 konnten die ersten drei Farbgrafik Workstations Tektronix-4113 beschafft werden, die unter strengster Geheimhaltung zunächst nur für die Entwicklungen zum DVS im Vierschichtbetrieb zur Verfügung standen.
Etwa ab 1985 stand auch eine DEC microVAX zur Verfügung, damit wurde innerhalb kurzer Zeit die Nutzung des hauseigenen ESER-Rechners überflüssig, KULON und PDP-11 konnten daran angeschlossen werden. Dazu kamen VT100 und VT220 Terminals und ein CALCOMP 3036 Trommelplotter. Die VT220-Terminals wurden ab 1986 zur Elektrik- und Logiksimulation mit Pseudografik genutzt.
Die Kommunikation erfolgte im Zeitalter vor Internet, USB oder WLAN ausschließlich über die serielle Schnittstelle (RS232), damals üblicherweise mit 9600 Baud (unglaublich langsam). Im Gegensatz zur differentiellen Teletype- TTY-Schnittstelle, die 80 Jahre lang weltweite Datenkommunikation mit dem Fernschreiber zuließ, besaß die serielle Schnittstelle mehrere Signalleitungen, damit war eine saubere, differentielle Signalübertragung unmöglich.
Die Folgen im Entwurfszentrum waren verheerend. Auf der gegenüberliegenden Straßenseite des INT (Edisonstr.63) lag das Transformatorenwerk Oberspree (TRO). Dort testete man ab und an auszuliefernde Transformatoren. Die kurzen Netz-Aussetzer und Überspannungsspitzen brachen die Kommunikation zwischen den Rechnern ab. Oft verursachten sie sogar spontane Abstürze der Computer. Als Abhilfe wurde im Flur ein Trenntransformator eingebaut, der unsere Rechner schützen sollte. Aber auch dieser half nicht viel. Datensicherungen erfolgten deshalb vorteilhafterweise nachts.
Gleich nach Gründung des Entwurfszentrums war ein Sondentaster AVT100 bestellt worden. Der Tester erlaubte es, mit bis zu 100 Tastsonden (Nadelspitzen) auf den Kontaktflächen des noch im Scheibenverbund liegenden IC aufzusetzen, um parametrische Messungen vorzunehmen oder um funktionierende Bauelemente auszusortieren. Auf der Scheibe sind stets nicht alle Bauelemente in Ordnung, die Ausbeute lag je nach Technologie damals bei 5% bis 50%. Nur funktionierende Bauelemente werden anschließend verkappt und kommen dann als fertige IC zur Endmessung (Warenausgangstest). Ein weiteres Problem kam hinzu. Das INT steht auf sandigem Grund. Donnerten schwer beladene LKW die Edisonstraße hinab, hüpften die Nadeln auf den Bondinseln. So mußten auch AVT-Messungen abends oder nachts erfolgen. Im Thüringer Museum für Elektrotechnik ist noch das Nachfolgemodell des AVT100, ein letzter AVT110 von 1989 erhalten, siehe Bilder.
Bild 111: vlnr: AVT110 mit Tisch; Blick auf den Sondenring (Probecard); einzelne Tastsonde. Fotos des AVT110 und der Einzelsonde: Stephan Hloucal, Thüringer Museum für Elektrotechnik, Erfurt [67] Foto Probecard: GH (Sondenring aus dem Industriesalon Schöneweide). Sondenring und Einzelsonde stammen von verschiedenen Ausstattungsarten des AVT. AVT und Einzelsonde sind für den Labortest eingerichtet, der Ring mit gelöteten Nadeln stammt aus einer Produktionsstrecke.
Weltweit entstanden bis zur Wende 1989/1990 etwa eine halbe Million Schaltkreistypen. In der DDR waren es bis dahin etwa 1500 Typen, im RGW vielleicht doppelt soviele. Sozialistische Planwirtschaft hatte der rasanten, technischen Entwicklung der kapitalistischen Weltwirtschaft nichts entgegenzusetzen. Der kalte Krieg war verloren.
Während in obligatorischen, gesellschaftlichen Veranstaltungen (Schule der sozialistischen Arbeit, Gewerkschaftsversammlungen, FDJ-Versammlungen, Parteilehrjahr etc.) Lenins These vom faulenden und sterbenden Kapitalismus täglich vorgebetet wurde, konnten sich DDR-Bürger im Westfernsehen täglich vom Gegenteil überzeugen. Lenin konnte nicht ahnen, daß ein faulender, kapitalistischer Großkonzern in Insolvenz gehen kann, während ein nicht wirtschaftlich arbeitendes, sozialistisches Staatsmonopol diese Chance in der DDR nicht hatte.
(Alle Angaben ohne Gewähr).
1990 war der Untergang der DDR für Beteiligte sehr schmerzlich. Der Verlust des Arbeitsplatzes und eine Neuorientierung waren meist unausbleiblich. Oft entschied ein winziges Quäntlein Glück darüber, ob man im neuen, wiedervereinigten Deutschland beruflich wieder ankam. So gab es Gewinner, aber auch sehr viel mehr Verlierer.
Historisch aber bot der Untergang eine einmalige Chance, Wissen zu bewahren. Während die Kollegen im Westen kaum Möglichkeiten hatten, ihre Erinnerungen, Erfahrungen und ihr Wissen über die Mikroelektronik-Revolution im Unternehmen ohne Zustimmung der Pressabteilungen zu publizieren, gingen Firmen der DDR-Mikroelektronik zumeist unter und blieben ohne Rechtsnachfolger. Nur dadurch wird es heute möglich, substanzielle Erinnerungen ungeschönt aufzuschreiben und zu publizieren.
Gegen 2015 wurde dem Autor schmerzlich bewußt, daß eigene Erinnerungen an den haarsträubend komplizierten Aufbau des INT-Entwurfszentrums für die ersten anwendungsspezifischen Schaltkreise der DDR (ASIC) deutlich verblaßt waren. Selbst die Menschen, die heute noch Mieter in der Edisonstr.63 in Berlin-Oberschöneweide sind, wissen nichts von diesem Teil der Geschichte. Vor einiger Zeit suchte ich im INT nach vertrauten Räumlichkeiten. Egal, wen ich fragte, man konnte mit dem Begriff "INT" nichts anfangen. Aus dieser Motivation heraus entstand diese Seite.
Abschließend betrachtet war es harte Arbeit über die Jahre, die ersten Ostberliner Schaltkreise und die digitale DDR-Nachrichtentechnik wieder aus dem Vergessen zurück zu holen. Ohne die vielen Helfer, die Wissen, Material und Erinnerungsfetzen beitrugen, wäre dies nicht möglich gewesen.
Deshalb allergrößten und herzlichen Dank an alle Helfer und Mitstreiter! Zu Beginn der Recherchen 2015 schien es unmöglich, dieses schon vergessen geglaubte Stück Geschichte wieder ans Licht zu bringen, erst dank Eurer Hilfe wurde es möglich!
Vielen Dank an unerwartete Hilfe von außen: An Martin Gericke vom BKFN, an Rüdiger Kurth von Robotrontechnik Halle, an Stephan Hloucal vom Thüringer Museum für Elektrotechnik, an Herrn Maaß, Herrn Baumann und Herrn Wenzlaff von der polizeihistorischen Sammlung Berlin für die Unterstützung der Recherche zur NZ400 und an Lothar Schauer für die Recherche zum ISA-System des HFO.
Vielen Dank auch an Wilkin Rohr aus dem FML für den interessanten Beitrag zur SLIC-B-Entwicklung und zum SBC2000.
Ein besonders großes Dankeschön geht an Richard Kaussler, dessen hervorragende Chipfotos und Analysen [111] viele Details aus dem Vergessen holten.
Mein besonderer Dank gilt Dieter Krumbiegel und Kollegen vom Fernmeldemuseum Dresden. Hier "leben" die allerletzten unserer Schaltkreise in einer funktionierenden OZ100 im Wählersaal noch immer!
Peter Salomon sei gedankt für die vielen kleinen Kommentare, Anregungen und Diskussionen. Mit den Webseiten und dem Buch [1] ließen sich Unklarheiten aufdecken.
Detlev Vreisleben brachte BStU-Unterlagen bei, die die Rolle des MfS der DDR erhellen konnten.
Nicht zuletzt vielen Dank an die wertvolle Hilfe aus den eigenen Reihen.
Vielen Dank an Dr. Volker Tüngler, dessen Schaltkreissammlung die Basis der Mikroskopaufnahmen bildete. Klaus Gräf (geb. Leder) konnte die hervorragenden Bilder vom B387 beitragen. Dr. Dietmar Bogk brachte die strategischen Details zur Entwicklung der DDR-Nachrichtentechnik ein. Dank an Dr. Dietmar Warning, er steuerte wichtige Informationen zum KD310 und KD320 bei.
Größter Dank geht auch an Bernd Gansert für Informationen zur Entwicklung der Großzentralen im Digitalen Vermittlungssystem (DVZ und DKS).
Mein besonderer Dank geht nicht zuletzt an Dr. Karl-Adolf Zech, der an die Anfänge der VLSI-Entwicklungen erinnerte und wesentliche Materialien beitrug.
Bitte um Mithilfe: Wer erinnert sich noch? Wer hat noch Kenntnisse oder Material? Bitte hilf mit, Fehler zu korrigieren! Sollten Rechte Dritter betroffen sein, bitte melden: Wird sofort korrigiert.
Die Recherchen zum Thema zeigten eine dürftige Quellenlage. Entweder waren es zu Haus vergessene Kopien oder Notizen, es waren restlos vergilbte Ormig-Abzüge oder Thermokopien, oder es waren mißglückte Plotbilder, die die Zeit in irgendeinem Winkel oder Ordner überdauerten. Die Abwicklung des INT verlief 1991 überstürzt und voller Hast. Die Bibliothek wurde aus dem fünften Stock direkt in unten stehende Müllcontainer gekippt. Akten flogen aus den Panzerschränken aus dem Fenster, so berichtete man. Denkende Menschen im Osten wie im Westen waren nervös und verzweifelt. Die im Osten, weil sie wußten, daß es wirtschaftlich so nicht weitergehen konnte. Die im Westen, weil sie die sozialen Verwerfungen ahnten, kämen nun Millionen Arbeitslose aus dem Osten herüber. Vieles flog in den Müll, was dort nicht hinein gehörte. Das INT-Grundstück gehörte wieder AEG und Siemens, die es verkauften. Gehälter konnten nicht mehr gezahlt werden, die Leute wurden entlassen. Schließlich waren mit der überstürzten Einführung der "harten" D-Mark (Westmark der BRD) mit der Währungsunion DDR-BRD zum 1.7.1990 fast alle Betriebe im Osten innerhalb kürzester Zeit insolvent, weil abrupt sämtliche Lieferketten zusammenbrachen. Es waren sehr viele Betriebe: Im Osten herrschte vorher Vollbeschäftigung, siehe eine Auflistung der Elektrotechnik-Firmen in [63]. Nur wenige Spezialisten überlebten.
[1] Salomon, Peter: Die Geschichte der Mikroelektronik - Halbleiterindustrie in der DDR. Funkverlag Bernhard Hein e.K., 2003, 167 S. (nur als Buch erhältlich) (Link)
[2] Digitale Telefontechnik der Fernmelder, NR-14 www.fernmeldeforum.de (Link)
[3] Bogk, D.: Die Bauelementebasis der modernen Nachrichtentechnik - eine Herausforderung an die Mikroelektronik. nte 36 (1986) Heft 1, S.6-8. (PDF)
[4] Schönemann, E.-O.: Interview mit Dr. Dietmar Bogk: VEB Kombinat Nachrichtenelektronik ab 1. Juli 1987 mit neuem Stammbetrieb in Berlin. nte 37 (1987) Heft 7, S.242-243. (PDF)
[5] Bogk, D.: Leistungsangebote der RFT-Nachrichtenelektronik auf der TELECOM87 in Genf. nte 37 (1987) Heft 10, S.362. (PDF)
[6] Bogk, Dietmar: Umfangreiche Leistungsangebote der RFT-Nachrichtenelektronik auf der Leipziger Frühjahrsmesse. nte 38 (1988) Heft 3, S.82. (PDF)
[7] Historischer Abriß zum INT von ehemaligen Mitarbeitern des Bereichs Übertragungstechnik (Ü) www.bkfn.de/historie.php, lokale Kopie (PDF)
[8] Heinz, G.: Analogteil PCM-Regenerator KA601, Layout und Plotbild (PDF) und Fehlerliste Version 1 (PDF)
[9] Heinz, G.: Master-Slice Technologie des HFO. Vortragsfolien zum SBC-ISA-Master IA60 vom 20.3.1981 und 7.10.1981 (PDF)
[10] Heinz, G.: Dokumentation KA601, Analogteil PCM-30-Repeater. Bericht TB 4 - 8/81 vom 25.6.1981 (PDF)
[11] Tüngler, V., Heinz, G.: Dokumentation KA602 Bericht TB 4 - 5/81 vom 20.3.1981 (PDF)
[12] Heinz, G.: ISA-Handbuch (1982?). Bericht ?, 100 Seiten, leider scheinen alle Exemplare verschollen (PDF)
[13] Heinz, G.: Grundzüge des höchstintegrierten Schaltkreisentwurfs (VLSI). INT Mitteilungen 2/82, S.13-18 (NfD) (PDF) und eine Geschichte dazu (PDF)
[14] Heinz, G.: Eingangsschutzschaltungen für IASS. Arbeitsnotiz. (PDF)
[15] Heinz, G.: Kapazitätsmodell CKAP für Enhancementtransistoren der Technologie CSGT2N (ZFTM). Bericht EE2/2/85 vom 5.6.1985 (PDF)
[16] Heinz, G.: CSGT2S-Transistormodelle für NIFAN. Bericht INT/EE2/7/85 vom 18.7.1985. (PDF)
[17] Funke, Jürgen; Schulze, Petra; Heinz, Gerd: IASS U1550 Layout und Chipfoto. 1985. (PDF)
[18] Heinz, G.: Anlage zum Standardzellenkatalog (U1500) - Hinweise zur Layoutkonstruktion CSGT2N. Bericht INT/EE2/1/85 vom 1.10.1985 (PDF)
[19] Heinz, G.: Vollkundenschaltkreise; Kap. 5.2.2 in W.J. Fischer und R. Schüffny: MOS-VLSI-Technik. S.169-173 sowie Farbeinlagen. Akademie-Verlag Berlin, 1987 (PDF)
[20] Heinz, G.: Zeitkonstantentheorie - dynamische Dimensionierung von nSGT-Schaltungen. 13. AT Entwurf von Schaltsystemen. AdW-ZKI Dresden, 3.-5.4.1984 (PDF)
[21] Tüngler, V.; Warning, D.; Hamann, O.: KD310 und KD320. Realisierung von nachrichtenspezifischen Schaltkreisen mit Hilfe von Halbkundentechniken der Bipolartechnologie. nte Berlin, 36 (1986) Heft 1, S.24-26 (PDF)
[22] T.O.: 20 Jahre INT. FA Nr.11/1981, S.534 (PDF).
[23] Lochmann, D.: Nachrichtentechnik und Anwendung der Mikroelektronik. FA Nr.1/1983, S.14-15 (PDF)
[24] DDR-Telefone und Zubehör in www.ddr-fernmeldetechnik.de
[25] fernmeldemuseum-dresden.de: PCM30/120/480 und SEL System S12B (Link)
[26] Mead, C., Conway, L.: Introduction to VLSI-Systems. (download as PDF) (lokale Kopie)
[27] Übergabe U3210, U3220, U3230 an MME (Direktive) (PDF)
[28] Heinz, G.: nSGT2S - Entwurfsregeln. Bericht TB4-9/82 vom 4.11.1982 (PDF)
[29] Rößler, F.; Fischer, P.; Möschwitzer, A.; Hecker, W.: LSISIMULATOR - ein leistungsfähiges Programm zu Funktionsverifikation hoch- und höchstintegrierter Schaltkreise. nte 34 (1984) H.6 213-214 sowie
Hecker, W.; Rößler, F.; Möschwitzer, A.: LSINET - ein neues Logik- und Timungsimulationsprogramm für LSI- und VLSI-Schaltkreise. Manuskript vom 6.5.1983, abgedruckt in nte 34 (1984) H.6 214-218.
(PDF). Siehe auch die
Anmerkung zum LSISIM-System.
[30] Verzeichnis der STADYNET-Modellbibliothek von 1980 (PDF)
[31] Telefonverzeichnis INT Bereich E, Mai 1987 (PDF)
[32] Treffen der Ostberliner Entwurfszentren, 1989 (PDF), 1990 (PDF)
[33] Telefonbuch INT (ZFTN), Juli 1988: komplett (PDF), alphabetisch (PDF), nach Bereich (PDF), Funkwerk (PDF). Das Entwurfszentrum Mikroelektronik ist 1988 unter der Strukturbezeichnung ECE, Dr. Tüngler, Räume 32xx...36xx zu finden.
[34] Vortragsfolien zu Schulungen Schaltkreisentwurf nSGT (1981-1983): Programme, Transistormodell, Technologie, Übungen, Lambda-Rules und Entwurf dazu, Dimensionierungsblatt, nSGT3-Dimensionierung
[35] U1500-Standardzellkatalog des ZFTM Dresden mit Nachträgen von G. Heinz. Technologie CSGT2. Zusammenfassung als Bericht INT-TB4-11/83 vom 20.3.1983 (PDF) und Carl-Zeiss-Jena Messeflyer von 1987 (PDF)
[36] Zech, K.-A.: Ein Programm zum optimalen Entwurf von kombinatorischen MOS-Schaltungsteilen. 9.Arbeitstagung Entwurf von Schaltsystemen. AdW-ZKI Dresden, 4.-6.3.1980 (PDF)
[37] Zech, K.-A.: Über Möglichkeiten diagnosefreundlichen Schaltkreisentwurfs. 11.Arbeitstagung Entwurf von Schaltsystemen. AdW-ZKI Dresden, 16.-18.3.1982 (PDF)
[38] Zech, K.-A.: Verschiedene Buch-Rezensionen. (PDF)
[39] Heinz,G.: Vortragsfolien zu Schulungen Schaltkreisentwurf für VLSI 1981 bis 1985 mit Nachträgen. Automaten, Felder, Logiktypen, Taktung, Testbarkeit
[40] ESER1040 Jobsteuerung einer Stadynet-Simulation 1984 (Auszug) und eine Lochkarte (PDF)
[41] Ergebnisausgabe einer NIFAN-Simulation 1985. Pseudografik (PDF); Farbgrafik (PDF). Erstes "Selfie" als Pseudografik (JPG)
[42] NIFAN-Sprachsyntax und Beispiele 1985 (PDF)
[43] Heinz, G.: Zwischen den Fronten. Festrede 2006 zum Ausscheiden von Dr. Karl-Adolf Zech aus dem Berufsleben. (PDF)
[44] Heinz, G.: Schaltungsanordnung für kombinierte, temperaturstabile Referenzspannungs- und Referenzstromquellen. DDR-Wirtschaftspatent 209366 vom 1.9.1982 (PDF)
[45] Heinz, G.: Ansätze zur analytischen Beschreibung der Dynamik digitaler CMOS-Gatter. Dissertation. (HTML). Kurzfassung: (PDF)
[46] Bogk, D.: Entwicklung der Nachrichtentechnik der DDR. Vorlagen für den Ministerrat (HTML)
[47] NZ 96 D - Betriebsdokumente im Bundesarchiv/BStU, DM 302 Aktenzeichen 0223-6 (PDF), lokale Kopie (PDF)
[48] OZ100 im Fernmeldemuseum Dresden, fernmeldemuseum-dresden.de (Link)
[49] OZ100 im Computermuseum Halle, www.robotrontechnik.de (Link)
[50] NZ96 im Computermuseum Halle, www.robotrontechnik.de (Link)
[51] NZ400 im Computermuseum Halle, www.robotrontechnik.de (Link)
[52] DVZ2000 im Computermuseum Halle, www.robotrontechnik.de (Link)
[53] PCM30, PCM120, PCM480 im Fernmeldemuseum Dresden (Link), Details siehe Auszug (HTML)
[54] PCM120 im Computermuseum Halle, www.robotrontechnik.de (Link)
[55] PCM480 im Computermuseum Halle, www.robotrontechnik.de (Link)
[56] ENSAD-Zentrale im Computermuseum Halle, www.robotrontechnik.de (Link)
[57] Krahl, I., Buchwald, D.: Bericht TB4-9/81 vom 6.7.1981. Verfahrensweise und Probleme in der Arbeit mit dem ISA-System (PDF)
[58] Heinz, G.: Bericht TB4-2/83 vom 17.1.1983. Statische und dynamische Dimensionierung nSGT-2S (PDF)
[59] Heinz, G.; Bogk, D.: Moderne Methoden zur Entwicklung hochintegrierter Schaltkreise und deren Einfluß auf Entwurfs- und Prüffreundlichkeit. 11. Arbeitstagung Entwurf von Schaltsystemen, 16.-18.3.1982 im Kulturraum der AdW-ZKI Dresden, Zeunerstr.38 (PDF)
[60] Werkstandard 754.152 VEB Halbleiterwerk Frankfurt (Oder): ISA-Kundenschaltkreise KA601D und KA602D (PDF)
[61] Heinz, G.: Ebenenprüfregeln IEMS, Brief an Herrn Ellenberg im Funkwerk Erfurt (ZFTM) (PDF)
[62] Jugend und Technik 1962: Bleiben die Halbleiter Stiefkind? (PDF)
[63] DDR-Betriebe für Elektrotechnik/Elektronik. Adressen und Telefonnummern. (PDF)
[64] Semi-Custom linear ICs. Ferranti's Monochip. Electronic Industry, 3/1980, (PDF)
[65] Heinz, G.: Fortran-Modelle CSGT2N n- und p-Kanal mit Kapazitätsmodell für NIFAN (1985) (PDF)
[66] RFT Mikroelektronik, Aktive elektronische Bauelemente, 1988 Teil 1, 461 S., Datenblätter Filter U1001, CODEC U1011, Zeitlagensteuerung U1021 (PDF)
[67] Thüringer Museum für Elektrotechnik e.V., D-99094 Erfurt, Hohe Str. 24, (Link)
[68] Heinz, G.: Integrierte Bipolar- Schaltungstechnik (SBC) (PDF)
[69] Robotrontechnik-Forum: Wer kennt diese Leiterplatten? (DVS mit U3210, 3220, 3230) (Link)
[70] Jüngling, H.; Neugebauer, G.; Fulde, H.: Das HFO-ISA-System. Kundeninformation LG 140/5/82 des VEB Halbleiterwerk Frankfurt/Oder (PDF)
[71] Neugebauer, G.: Integrierte Schaltungsanordnungen aus dem VEB Halbleiterwerk Frankfurt/Oder. Appl. Information 1988, H.3, S.18-23 (PDF)
[72] Wikipedia EN: Planar Process (Link)
[73] Wikipedia EN: Flash Memory (Link)
[74] Wehren, Thomas: Regularisierte Zellen des Eigenentwurfs der DVS-Schaltkreise (Building Blocks). Plotts des russischen Flachbettplotters (PDF)
[75] Oertel, Dieter; Rebel, Burghard und Sudau, Peter: Untersuchung eines Analogmultiplizieres auf der Basis des integrierten Differenzverstärkers IK72, rfe 23 (1974), H.18, S.603-605 (PDF). Siehe auch die Quelle: Peter Salomon: Der erste Analogschaltkreis der DDR "IK72" (Link) sowie die Chipanalyse und Rückübersetzung von Richard Kaussler (Link)
[76] Berkner, Jörg: Halbleiter aus Frankfurt. Die Geschichte des Halbleiterwerks Frankfurt (Oder) und der DDR-Halbleiterindustrie. 2005, 236 S. (Link)
[77] Digitale Vermittlungszentrale OZ100D - Technische Beschreibung. VEB RFT Nachrichtenelektronik Leipzig "Albert Norden", Betrieb des VEB Kombinat Nachrichtenelektronik. Ausgabe 050789 (PDF-Link), lokale Kopie (PDF)
[78] Digitale Vermittlungszentrale OZ100D - Betriebsanleitung und Kurzbeschreibung. VEB RFT Nachrichtenelektronik Leipzig "Albert Norden", Betrieb des VEB Kombinat Nachrichtenelektronik. Kurzbeschreibung (PDF); Betriebsanleitung Ausgabe 270689 (PDF-Link), lokale Kopie (PDF)
[79] Heinz, G.: PMOS-Entwurfsregeln aus dem Funkwerk Erfurt, Stand vor 1978. Mitschrift Sonderstudium Mikroelektronik TU Dresden, Sektion 9, Informationstechnik. (PDF)
[80] Porombka, Lutz; Wehren, Thomas; Ballentin, Ralf u.a.: IO-Interface-Gatter des U3230 (nSGT2, 1986) (PDF)
[81] Heinz, G.: Netzwerksimulation mit STADYNET. Modellbibliothek nSGT, 22.12.1983 (PDF)
[82] Heinz, G.: nSGT-Transistormodelle EMOS und DMOS. Bericht INT TB4 2/84 vom 24.2.1984 (PDF)
[83] Heinz, G.: Vortrag zu INT-CAD-Systemen und zu installierter Hardware 1986. (PDF)
[84] Rößler, Franz: Reisebericht von der 25. Design Automation Conference in Anaheim/CA, 12.-16.6.1988 (PDF)
[85] Landesdenkmalamt Berlin: Lampenfabrik R.Frister, Edisonstr.63 und Wilhelminenhofstr.87 (Link)
[86] Computermuseum Halle: Werkzeugmaschinensteuerungen EFE700 und EFE720 (Link) sowie Bitprozessor U1500DC004 (Link)
[87] Spannungsversorgungsschaltkreis B384D, TGL 43788 vom 30.9.1987 (PDF). Quelle
[88] Testschaltkreis B385D, TGL 43789 vom 30.9.1987 (PDF). Quelle
[89] Speiseschaltkreis B386D, TGL 43790 vom 30.9.1987 (PDF). Quelle
[90] Teilnehmeranschlußschaltkreis B387D, TGL 43791 vom 30.9.1987 (PDF). Quelle
[91] PCM-Kanalfilterschaltkreis U1001C, TGL 43428 vom 16.10.1985 (PDF). Quelle
[92] Kurzbeschreibung und Bild einer NZ400 aus NVA-Beständen (Link)
[93] Quelle zu den ersten zehn NZ 400-64 für die NVA (Link)
[94] Fernmeldeforum Nr.14: Neue Technik ENA/NZ96/NZ400/DVZ2001 (Link)
[95] EXAR-Databook 1979. Application Notes AN-04 (XR-C277) pp.22-28, AN-10 (XR-C262) pp.43-51. Source: SteamPoweredRadio.com (Link)
[96] Rollmann, W.: Aus der Fernsprechstatistik (Stand 1.1.1983). nte 35 (1985) H.11, S.437-438 (PDF)
[97] Posdziech, G.: Stationäres Strom- und Kapazitätsmodell "ARON4" für den Enhancement-Transistor. nte 36 (1986) H.6, S.231-233 (PDF)
[98] NZ400 in der Polizeihistorischen Sammlung Berlin e.V. 12249 Berlin, Eiswaldtstr.2 (Link)
[99] Kurzbeschreibung der Nebenstellenzentrale NZ400 aus der Polizeihistorischen Sammlung Berlin, Bereich Kraftfahrzeuge/Fernmeldewesen (PDF)
[100] FDJ - Initiative DVS (Digitales Vermittlungssystem). Hausinterne Abwerbung von Mitarbeitern. Sammlung Martin Gericke (PDF)
[101] Strukturvorschlag für den Bereich EV 1990. Sammlung Martin Gericke (PDF)
[102] Manicke, Ulrich: Vortrag zur Schaltungstechnik für CODEC und Filter vom 28.5.1980. Vortragsmitschrift G. Heinz. (PDF)
[103] Datenblätter U1001, U1011, U1021. Auszug aus: RFT elektronik-bauelemente - Datenblattsammlung 1/85. Herausgeber: IWT / AEB, VEB Applikationszentrum Elektronik Berlin, Abt. AV, 1035 Berlin, Mainzer Str. 25. Sammlung Peter Salomon. (PDF)
[104] Stimmungen und Meinungen im INT im Zusammenhang mit der DVS-VLSI-Entwicklung. IM-Bericht an die Staatssicherheit HVA/SWT/Abt.V Berlin vom 2.11.1982, 706-ge, 000039 SStU. Sammlung Karl-Adolf Zech. (PDF)
[105] Zur Person Uli Manicke: (Link), Nachruf der Berliner Kegelgemeinschaft der Freunde der Nachrichtentechnik (BKFN): (PDF) (Kopie der BKFN-Seite, Link war defekt).
[106] Informationsblatt 20V-ITSA vom 14.1.1982. Kennwerte Integrierter Teilschaltungsanordnungen (ITSA) des 20 Volt ISA-Systems des HFO. Autor: vermutlich Gerhard Neugebauer, Abt. EECA. Sammlung Lothar Schauer. 67 Seiten; 5,2 MB. (PDF)
[107] Dinter, Martin: Steuerschaltkreis KD310 für Teilnehmereinrichtungen. Tagungsband 14. Halbleiterbauelemente-Symposium, Mai 1987 Frankfurt/Oder, S.358-369 (PDF)
[108] Tüngler, Volker: Fehlerortungsschaltkreis KD320 für PCM480. Tagungsband 14. Halbleiterbauelemente-Symposium, Mai 1987 Frankfurt/Oder, S.370-377 (PDF)
[109] Birke, Thomas: ISA-Schaltkreis KA630 als ZF-Verstärker. Tagungsband 14. Halbleiterbauelemente-Symposium, Mai 1987 Frankfurt/Oder, S.347-357 (PDF)
[110] Kaussler, Richard: Layoutanalyse des PCM30/32-Regenerators KA601 mit Details zu Technologie und Transistoren (HTML)
[111]
Kaussler, Richard: Mikroskop-Analysen der im INT entwickelten Schaltkreise.
- Überblick zur DDR Vermittlungstechnik https://www.richis-lab.de/phone.htm (HTML)
Teilnehmerschnittstelle:
- NF-Sprachband-FILTER U1001 (HTML)
- Coder/Decoder CODEC U1011 (HTML)
- Zeitlagensteuerung ZLS U1021 (HTML)
- Teilnehmer-Anschluss-Steuerung KD310 (DK410)
(HTML)
- Teilnehmersteuerung IASS U1550 (HTML)
Teilnehmer-Anschlußleitung (Subscriber Line Interface Circuits):
- SLIC-Spannungsversorgung B384 (HTML)
- SLIC-Testschaltung B385 (HTML)
- SLIC-Speiseschaltung B386 (HTML)
- SLIC-Spannungsversorgung B387 (HTML)
PCM-Vermittlungstechnik (Digitales Vermittlungssystem):
- PCM-Empfangsschaltung IEMS U3210 (HTML)
- PCM-Sendeschaltung ISES U3220 (HTML), Wafer (HTML)
- Koppelfeldschaltkreis IKOS U3230 (HTML)
PCM-Übertragungstechnik:
- PCM30/32-Regenerator KA601 (HTML)
- PCM-Sender U1501 (HTML)
- PCM-Empfänger U1502 (HTML)
- PCM-LWL-Transceiver U1503 (HTML)
[112]
Kaussler, Richard: Schaltkreise aus dem Fernmeldewerk Arnstadt (FMA)
- U809 Steuerungs-IC für Vermittungszentrale ATZ65
(HTML)
- U840 Mikrocontroller für speicherprogrammierbare Steuerungen
(HTML)
[113] Standardzellsystem U1500/U1520, Gate-Array-System U5200 - Applikative Informationen IWT 04/88. Standardzelle U1500/U1520: Seite 11 ff., Gatearray U5200 Seite 47 ff.. Herausgeber AEB, VEB Applikationszentrum Elektronik Berlin, 1035 Berlin, Mainzer Str. 25. (PDF, 35 MB, 80 S.)
[114] Übersicht zur Struktur des Fernmeldewerks Leipzig-Stötteritz (FML), bis 1.7.1986 Stammbetrieb des Kombinats Nachrichtenelektronik "Albert Norden" (KNE) als (PDF)
[115] Zech, Karl-Adolf: Anwendung endlicher Automaten bei der Entwurfsverifizierung. Messen-Steuern-Regeln: msr, Berlin 26 (1983) Heft 6, S.319-323 (PDF)
[116] Gessner, Elke; Schalldach, Hans-Henrich; Werrmann, Günter; Zech, Karl-Adolf: Rechnersimulation digitaler Schaltungen reduziert Labormessungen (SIMPER). Zeitschrift "Sozialistische Rationalisierung in der Elektrotechnik/Elektronik" (IR), Heft 8, 1976 (PDF)
[117] Zech, Karl-Adolf; Klarkowski, Werner: Rechnerprogramme zur Unterstützung der Fehlerdiagnose digitaler Schaltungen. msr 22 (1979), H.12 (PDF)
[118] Hentschel, Michael; Tüngler, Volker: Anwendung der ASIC-Systeme des Zentrums für Mikroelektronik Dresden für nachrichtenspezifische Schaltkreise. Seiten 31-36. ITG-Fachbericht 114 "Mikroelektronik für die Informationstechnik", Vorträge der ITG-Fachtagung vom 2. bis 4. Oktober 1990 in Berlin (PDF)
[119] Fleischmann, Gerhard; Krumbein, Frank: U840PC - ein modular erweiterbarer CMOS-Mikrocontroller für die boolesche Bit-Verarbeitung. Forschungszentrum Mikroelektronik, Erfurt. Seiten 233-238. ITG-Fachbericht 114 "Mikroelektronik für die Informationstechnik", Vorträge der ITG-Fachtagung vom 2. bis 4. Oktober 1990 in Berlin (PDF)
[120] Drobick, Jörg: T-311 SELEN Bündelchiffriergerät für PCM-30. Technische Beschreibungen unter dem (Link). Entwicklung: VEB Nachrichtenelktronik Greifswald (NEG), Produktion des Geräts im VEB Steremat Berlin.
[121] Heinz, G.: Vortragsfolien. Überblick zu DDR-ASIC-Systemen U1500, U1600, U5200, U5300. Mit einem Beispiel zum Gatearray-Prinzip. (PDF)
[122] Drobick, Jörg: Chiffrierdienste der DDR (ZCO). (PDF)
[123] 20 Jahre Institut für Nachrichtentechnik (INT). Funkamateur 11/81, Seite 534, Autor: TO. (PDF)
[124] Liebold, Ulrich: Die Entwicklung der Schaltkreise U809 und U840 für die Vermittlungstechnik - Ein Beitrag zur Geschichte der Mikroelektronik in Thüringen. Thüringer Museum für Elektrotechnik e.V. ON.LINE Ausgabe 13/2023 - ON.LINE-13.2023.pdf vom 7.7.2023, S.11-19, lokale Kopie (HTML), Original (PDF).
[125] Fleischmann, Gerhard: Details zur Entwicklung des U840 in persönlichen Erinnerungen. Lokale Kopie (PDF).
[126] Lilienfeld, Julius Edgar: "Method and apparatus for controlling electric currents," U. S. Patent No. 1,745,175 (Priority in Canada Oct.22, 1925, Filed October 8, 1926. Issued January 18, 1930). (Link), lokale Kopie (PDF)
[127] Lilienfeld, Julius Edgar: "Device for controlling electric current," U. S. Patent No. 1,900,018 (Filed March 28, 1928. Issued March 7, 1933). (Link), lokale Kopie (PDF)
[128] Heil, Oskar: Improvements in or relating to Electrical Amplifiers and other Control Arrangements and Devices. British Patent No. GB439457 (Filed Germany March 2, 1934, GB March 5, 1935. Issued December 6, 1935). (Link) Lokale Kopie (PDF)
[129] Hilsch, H. R. & Pohl, R. W. "Control of electron currents with a 3-electrode crystal and as a model of a blocking layer." Zeitschrift für Physik Vol III (1938) pp: 399-408
[130] N.n.: "1926: Field Effect Semiconductor Device Concepts Patented" (by Edgar Lilienfeld at Uni Leipzig). Computer History Museum. 1401 N Shoreline Blvd., Mountain View, CA 94034. www.computerhistory.org (Link)
[131] N.n.: "1874: Semiconductor Point-Contact Rectifier Effect is Discovered" (by Ferdinand Braun at Uni Würzburg). Computer History Museum. 1401 N Shoreline Blvd., Mountain View, CA 94034. www.computerhistory.org (Link)
[132] Mataré, Herbert; Welker, Heinrich: Nouveau système cristallin à plusieurs électrodes réalisant des effects de relais électroniques. Patent FR 1.010.427, Demande 13.08.1948, Publié 11.6.1952, Anmelder: Westinghouse Inc. (Crystal device for controlling electric currents by means of a solid semiconductor, US-patent 2673948) (Link), lokale Kopie der Figs (PDF)
[133] Bardeen, John; Brattain, Walter H.: Three-electrode circuit element utilizing semiconductive materials. US2524035 (A) - Filed: June 17, 1948. Published: 1950-10-03. US-Patent 2.524.035, Anmelder: Bell Telephone Lab Inc. (Link), lokale Kopie (PDF)
[134] Schottky, Walter: Ueber Sperrschichten. Zeitschrift für Physik, vol.111, H.5/6 1938.
[135] Wikipedia "Transistron" (Link)
[136] Mataré, H.F.: Push-pull converter of the crystal type for ultra-short waves. US-Patent 2552052. Erfinder: Herbert Francois Mataré. Anmelder: Westinghouse France. Filed: April 21, 1948. Published May 8, 1951. Quelle: Armand van Dormael: The "French" Transistor (Link af PDF, 3,2 MB), Auszug Seiten 11-15: (PDF)
[137] Cadxx; Emmerson, Andrew: Transistor - Undeserved Nobel Prizes (Link), Lokale Textkopie (PDF)
[138] Kleint, Christian: Julius Edgar Lilienfeld: Life and profession. Biographie in Progress in Surface Science, Volume 57, Issue 4, April 1998, Pages 253-327 (Link)
[139] Salomon, Peter: Deutsche Halbleiter-Technik vor dem Urknall? (Link)
[140] Adam, Ch.; Burgess, M.: The First French Germanium Transitors "le transistron". www.radiomuseum.org 13/02/2011 (Link)
[141] Handel, K.Ch.: Anfänge der Halbleiterforschung und -entwicklung. PhD Thesis, Aachen, June 29, 1999. (Link auf PDF)
[142] Fleischmann, Gerhard u.a.: Materialökonomische Effekte beim Einsatz der IS U809M. Vortrag zum 10. Halbleiterbauelemente-Symposium Frankfurt/Oder 1983, Band 2, lokale Kopie (PDF).
[143] Wikipedia: Siemens EWSD (Elektronisches WählSystem Digital) (Link)
[144] Zech, Karl-Adolf: Rezension des Buches "Introduction to VLSI-Systems" aus msr 24 (1981) H.10, S.593. Briefwechsel von Karl-Adolf Zech mit Carver Mead aus seinem Nachlaß, Ali verstarb am 14.6.2024. Wie auch Dr. Bogk wollte er das Buch in deutsch publizieren. Große Teile waren bereits übersetzt, dann kam die Ablehnung vom VEB Verlag Technik. (PDF)
[145] Electronics, Oct.1981: Titelbild "1981 Award for Achievement - Lynn Conway, Carver Mead" (PDF)
[146] Wikipedia: System 12 von ITT/Alcatel
[147] Wikipedia: Integriertes Sprach- und Datennetz (ISDN) (Link)
[148] Wikipedia: PCM30
[149] Forum Robotrontechnik Halle, Schaltkreise aus Berlin INT (Link)
[150] Fernmeldemuseum Cottbus, (Link)
[151] Mielke, Erich: Zur Entwicklung der digitalen Vermittlungstechnik der DDR. 19.5.1989 (System 021 alias für System12, Zurverfügungstellung von Originalentwicklungsdokumentationen, Parallelentwicklungen beenden) (PDF)
[152] Schürer, Gerhard: Zur Entwicklung der digitalen Vermittlungstechnik der DDR. 2.6.1989 (System 021 alias für System12, Arbeiten an DVZ 2000 eingestellt) (PDF)
[153] Schürer, Gerhard: Analyse der ökonomischen Lage der DDR mit Schlußfolgerungen vom 27.10.1989 (Zinslast der NSW-Kredite, Zahlungsunfähigkeit, IWF-Forderungen) (PDF)
[154] Wikipedia: Asynchronous Transfer Mode (ATM) (Link)
[155] Wikipedia: Mehrfrequenzwahlverfahren (MFC) (Link)
[156] Wikipedia: Impulswahlverfahren (IWV) (Link)
[157] Arnold, Rainer: Zur Entstehung des ersten DDR-Telefonapparates mit Tastwahl (Link)
[158] Bogk, D.; Krahl, I.: Schaltkreisentwicklung im Entwurfszentrum des INT. Nachrichtentechnik-Elektronik, nte 31 (1981) Heft 8, S.342-348 (kein Exemplar mehr bekannt)
[159] Plotbild des Eigenentwurfs des Integrierten PCM-Empfangsschaltkreises IEMS von 1983 (ZIP), 42 MB
[160] Schmidt, Klaus-Dieter: Das Fernmeldewerk Leipzig. Kap.5.6 Die digitale Vermittlungstechnik, DVZ2000 und DKS (PDF). Kap.5.8 Die kleinen Zentralen der DVM, OZ100 und NZ96 (PDF), Engelsdorfer Verlag Leizig, 2013, ISBN 978-3-95488-191-8, 178 S.
[161] VEB Kombinat Nachrichtenelektronik Leipzig. Referenzen aus K.-D. Schmidt: FML. Staatsarchiv Leipzig im Sächsischen Staatsarchiv, id 20756 (Link)
[162] VEB Kombinat Nachrichtenelektronik Leipzig, Forschungsthemen des Komplexes Einheitliches System der Elektronischen Nachrichtentechnik (ESEN). Staatsarchiv Leipzig im Sächsischen Staatsarchiv, id 20756, nr 1303 (Link)
[163] VEB Kombinat Nachrichtenelektronik Leipzig, Digitale Vermittlungstechnik (Band 1). Staatsarchiv Leipzig im Sächsischen Staatsarchiv, id 20756, nr 0383 (Link)
[164] VEB Kombinat Nachrichtenelektronik Leipzig, Digitale Vermittlungstechnik (Band 2). Staatsarchiv Leipzig im Sächsischen Staatsarchiv, id 20756, nr 0384 (Link)
[165] VEB Kombinat Nachrichtenelektronik Leipzig, Einheitliches Nachrichtensystem Analoger und Digitaler Vermittlungstechnik (ENSAD) - OZ4000. Staatsarchiv Leipzig im Sächsischen Staatsarchiv, id 20756, nr 1302, 0523, 0524, 0525 (Link) (leider noch immer ohne Inhalt 03/2026)
[166] Wikipedia: Voice over IP (VoIP) (Link)
[167] Carritech Limited: The History and Legacy of the Alcatel 1000 E10 Switching System (Link)
[168] Wikipedia: Digital Equipment Corporation (PDP8, PDP11, VAX11/780, microVAX) (Link)
[169] RFT-Mikroelektronik: Aktive elektronische Bauelemente 1988, Teil 1 und Teil 2, 717 S.; Anhang Neuheiten Weiterentwicklungen 1988 92 S.; VEB Kombinat Mikroelektronik, Rudolfstr. 47, Erfurt 5010.
[170] Wikipedia: Zeiss-Rechen-Automat 1 (ZRA1) (Link)
[171] Subscriber Line Interface Circuit SLIC C3-5502A-5. Quelle nicht auffindbar. Lokale Kopie (PDF)
[172] Kaussler, Richard: Das Standardzellen-Entwurfssystem U1520 des ZMD. Teil 1: (Link)
[173] Die wichtigste Maschine der Welt. Milliarden Transistoren auf einem Chip. Die EUV-Belichtungsmaschine, die das Moorsche Gesetz rettete. Philips-Ableger ASML und Carl Zeiss entwickelten sie über Jahrzehnte. Wie kommt man zu Strukturbreiten unter 10 nm? Video von brillant.org/veritasium, 55 min. (youtube.com)
[174] China baut EUV-Maschine nach. Hat ASML sein Monopol verloren? Video www.youtube.com/@DerglobaleAnalyst, 25 min. (youtub.be)
[175] Strowger, Almon: Automatic Telephone Exchange. US-Patent No.447,918 Mar.10, 1891 (Erfindung des Hebdrehwählers) (Wikipedia)
[176] Wikipedia: Koordinatenschalter. Eingesetzt bei der ATZ65 (Wikipedia)
[177] Betriebsgeschichte Robotron Radeberg: Steuerkomplex ENSAD. Quelle: www.fesararob.de (URL nicht wiedergefunden); Lokale Kopie (PDF)
[178] Eisholz, Jürgen: RFT-Funkjournal "40 Jahre Funkwerk Köpenick 1949 - 1989". (PDF, 40 MB)
[179] Eisholz, Jürgen: RFT-Funkjournal "40 Jahre Funkwerk Köpenick 1949 - 1989", Auszug Seite 26: INT gehört ab 1.1.1988 zum Funkwerk Köpenick (FWK ist neuer Stammbetrieb des KNE) (PDF)
[180] Bogk, Dietmar (Direktor INT): Profil des Kombinat Nachrichtenelektronik (KNE), Übersicht, 1987 (PDF)
[181] Bogk, Dietmar (Direktor INT): Präsentation zur Aufteilung des KNE 1990 (PDF)
[182] Bogk, Dietmar (Direktor INT): Konzeption für die Kommunikationstechnik, 1989 (PDF)
[183] Apitz, Jürgen (Generaldirektor KNE): Profilierung Digitale Vermittlungstechnik 1990-2000, Teil 1 (PDF)
[184] Apitz, Jürgen (Generaldirektor KNE): Profilierung Digitale Vermittlungstechnik 1990-2000, Teil 2 (PDF)
[185] Apitz, Jürgen (Generaldirektor KNE): Profilierung Digitale VT 1990-2000, Anlage 1 (PDF)
[186] Apitz, Jürgen (Generaldirektor KNE): Profilierung Digitale VT 1990-2000, Anlage 2 (PDF)
[187] Apitz, Jürgen (Generaldirektor KNE): Profilierung Digitale VT 1990-2000, Anlage 3 (PDF)
[188] Nebenstellen- Vermittlungsanlage ATZ65 bei der NVA aus dem Fernmeldewerk Arnstadt (FMA) (Link)
Mails to info@gheinz.de
Besucher auf www.gheinz.de seit dem 6. 12. 2021:
Aktuelle Gäste: 0